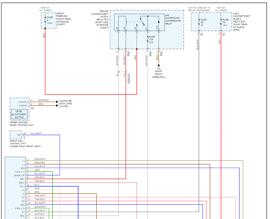
The compressor of the rear suspension Is not functioning. I have scanned the vehicle but no code. Please could I get the wire diagram for the compressor.
Apr 18, 2024 at 8:02 AM

