heater fan fuse blows out?

1996 PLYMOUTH NEON
150,000 MILES • 4 CYL • FWD • AUTOMATIC
Avatar
SHANE41
  • MEMBER
  • 1 POST
My heater fan fuse blows out the fuse every time I turn it on. How can i fix this without taking it to a repair shop or the dealer? Could it be the fan or fan switch it's self?
Oct 9, 2009 at 8:34 AM
Advertisement
Avatar
SQM
  • CERTIFIED EXPERT
  • 6,383 POSTS
Hello,

When a fuse blows out on a circuit, it is due to amperage exceeding the reacted level on the fuse.
If this is keep blowing the fuse then it is like an issue with the circuit.
It could be due to a shorted wire or a corroded connector. You will have to trace the wiring to find that short.

Here is a helpful article on checking wiring:

https://www.2carpros.com/articles/how-to-check-wiring

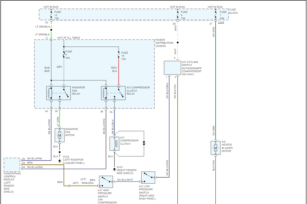
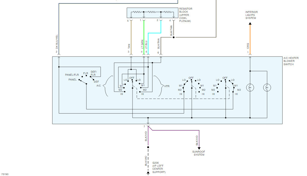
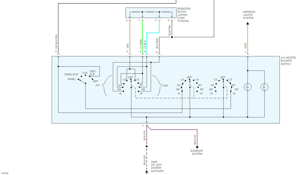
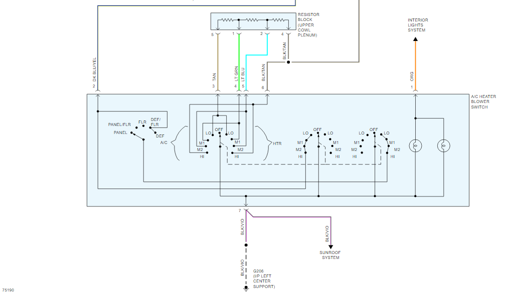
Another possibility is a issue with the blower motor resistor.

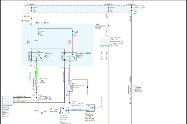
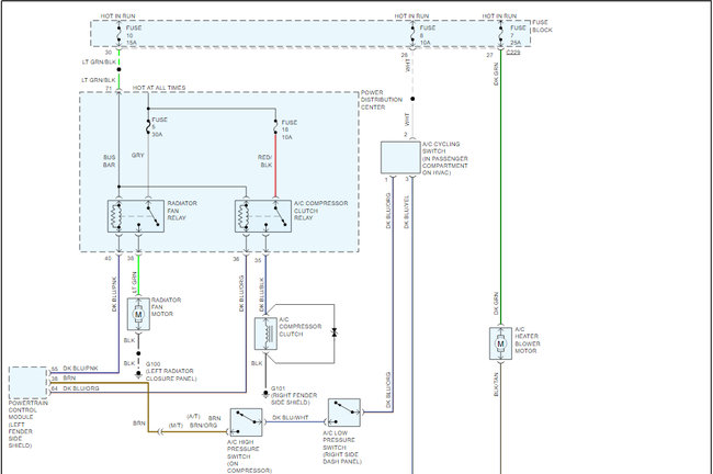
I have attached the wiring schematics for your reference.

Please let me know of any questions.
Thank you.

Sep 22, 2021 at 12:15 PM