Codes C0226 and C0236 and C1223

2000 LEXUS LS 400
255,555 MILES • 4.0L • V8 • 2WD • AUTOMATIC
Avatar
QEWANI
  • MEMBER
  • 32 POSTS
Could you please help? I am getting ABS and VSC on with codes C0226 and C0236 and C1223.
Apr 25, 2019 at 1:52 PM
Advertisement
Avatar
ASEMASTER6371
  • CERTIFIED EXPERT
  • 52,796 POSTS
Good afternoon,

I will post the flow chart for you below with some diagrams. You will need to follow the flow charts to determine the failure.

The 1223 is related to the other two codes.

Roy

226 and 236

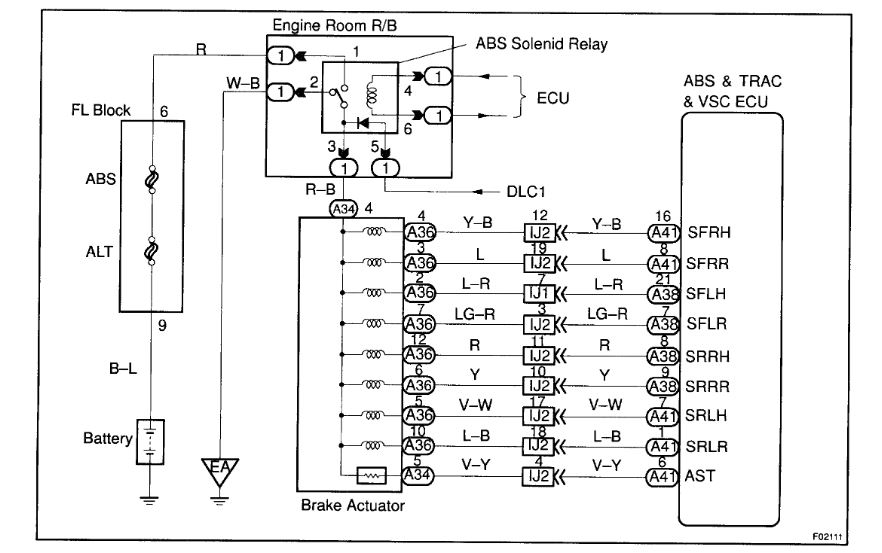
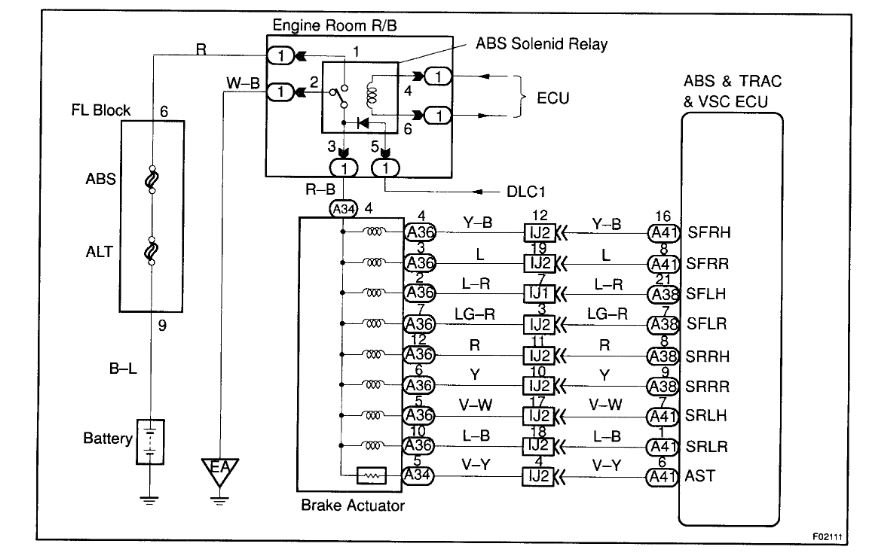
CIRCUIT DESCRIPTION
This solenoid goes on when signals are received from the ECU and controls the pressure acting on the wheel cylinders thus controlling the braking force.


imageOpen In New TabZoom/Print

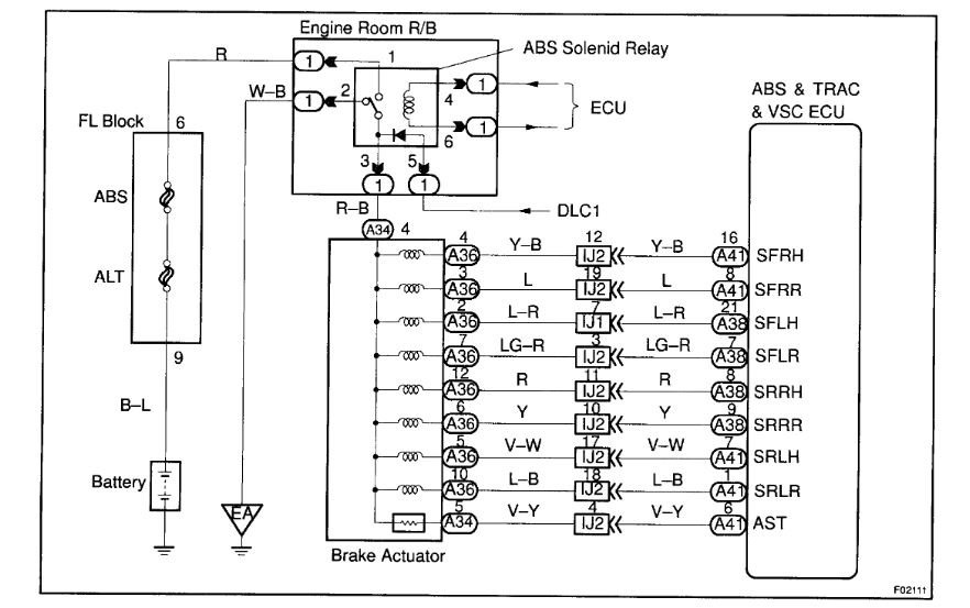
DETECTING CONDITIONS

Fail Safe Function:
If trouble occurs in the actuator solenoid circuit, the ECU cuts off current to the ABS solenoid relay and prohibits ABS & TRAC & VSC controls and the brake system becomes normal.


imageOpen In New TabZoom/Print

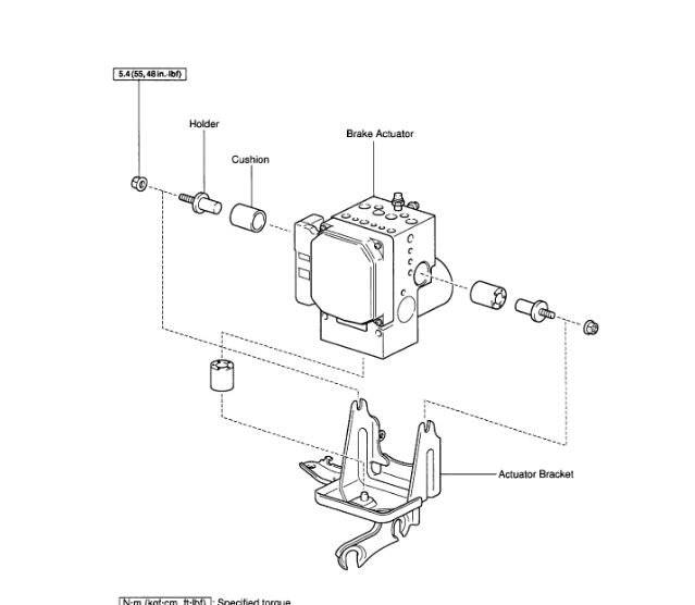
WIRING DIAGRAM

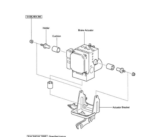
Step 1
imageOpen In New TabZoom/Print

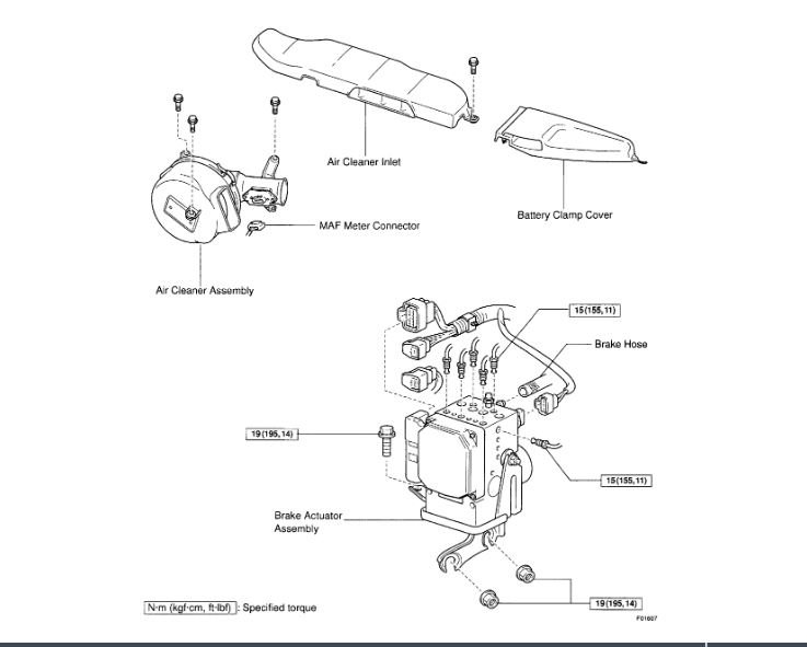
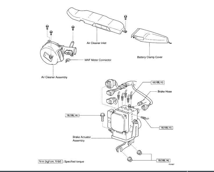
Step 2
imageOpen In New TabZoom/Print

INSPECTION PROCEDURE
Apr 25, 2019 at 2:08 PM
Avatar
QEWANI
  • MEMBER
  • 32 POSTS
most showing 7.6 and few showing no change only reading 1?
Apr 26, 2019 at 3:25 AM
Advertisement
Avatar
ASEMASTER6371
  • CERTIFIED EXPERT
  • 52,796 POSTS
Where are those readings? What did you use to see these readings?

Roy
Apr 26, 2019 at 3:50 AM
Avatar
QEWANI
  • MEMBER
  • 32 POSTS
i have used the digital multimeter, setting the reading to 20k ohm where it shows 1 ohm on display and then checked the continuity by connecting one lead to A34-4 and the other lead to A36-2,3,4,5,6,7,10 and 12

i have noticed that all reading 7.6 ohm while some only show 1 ohm

i thought maybe the multimeter is damaged or mulfanctioning, but tested the multimeter while connecting both leads toghther where it was reading nearly zero, which indicate that the multimeter is working perfectly, should i go ahead and replace the brake actuator?
Apr 27, 2019 at 3:47 AM
Avatar
ASEMASTER6371
  • CERTIFIED EXPERT
  • 52,796 POSTS
That's what it is pointing to.

Roy

Apr 27, 2019 at 4:26 AM
Avatar
QEWANI
  • MEMBER
  • 32 POSTS
i have check last time the reading from the ABS connectors instead of ABS itself. just checked today again from ABS itself and continuity all showing zero. what next to check please?
Jun 3, 2019 at 6:27 AM
Avatar
ASEMASTER6371
  • CERTIFIED EXPERT
  • 52,796 POSTS
Do you have a scan tool that can communicate with the ABS module?

Roy
Jun 3, 2019 at 12:41 PM
Avatar
QEWANI
  • MEMBER
  • 32 POSTS
Yes i do have, i used it to get the codes which i posted.
Jun 3, 2019 at 5:20 PM
Avatar
ASEMASTER6371
  • CERTIFIED EXPERT
  • 52,796 POSTS
Can you read live data from the sensors while driving?

Roy
Jun 3, 2019 at 5:24 PM
Avatar
QEWANI
  • MEMBER
  • 32 POSTS
Tried to read live data but it seems it show the ABS sensor is off. see the photo and am getting some more ABS codes.
Jun 15, 2019 at 11:20 AM
Avatar
ASEMASTER6371
  • CERTIFIED EXPERT
  • 52,796 POSTS
You need to view the ABS sensor readings. I do not see any option for the actual reading for the sensors. The information will be listed in MPH when you are moving.

Roy
Jun 15, 2019 at 11:28 AM
Avatar
QEWANI
  • MEMBER
  • 32 POSTS
all speed sensor are seems to be okay. I am getting readings from all four sensors while moving.
Also steering angle sensor showing reading when turning the wheel left and right.

Yaw rate sensor also showing reading from start to stop.

deceleration sensors also showing readings.

Am not not able to do calibration with TC with E1.

What to do next?
Jun 25, 2019 at 12:07 PM
Avatar
ASEMASTER6371
  • CERTIFIED EXPERT
  • 52,796 POSTS
Seem to be okay? Please explain.

Do they all read the same MPH when moving?

Roy
Jun 25, 2019 at 3:20 PM
Avatar
QEWANI
  • MEMBER
  • 32 POSTS
Yes they all read the same.
Jun 25, 2019 at 6:26 PM
Avatar
ASEMASTER6371
  • CERTIFIED EXPERT
  • 52,796 POSTS
If they all read the same, the light should be off.

Is the light still on?

Roy
Jun 26, 2019 at 2:00 AM
Avatar
QEWANI
  • MEMBER
  • 32 POSTS
the light still on and i tried to clear the codes with the scanner launch x431 pro but it does not clear the codes.
Tried to clear the code with connecting pin between TC and E1 but no success with that.

The steering angle sensor is oily covered with oil due to some small leak i have on my steering rack. could that be the cause?
Jun 26, 2019 at 9:06 AM
Avatar
ASEMASTER6371
  • CERTIFIED EXPERT
  • 52,796 POSTS
ABS does not need to be reset. If the repairs were successful, the light will go out on its own.

You need to calibrate the module. If you cannot do, it, then you need to have someone do it.

Roy
Jun 26, 2019 at 9:23 AM
Avatar
QEWANI
  • MEMBER
  • 32 POSTS
can you guide me how to calibrate? do i need the scanner or can do it manually.
Jun 26, 2019 at 9:32 AM
Avatar
ASEMASTER6371
  • CERTIFIED EXPERT
  • 52,796 POSTS
You need an advanced scan tool that can perform the calibration. It will need access to the internet to the web site for the download.

You need either a TECH2 or a Snap on scanner.

Roy
Jun 26, 2019 at 9:35 AM