Addressing the P0963 code, by checking the solenoid?

2013 GMC ACADIA
130,000 MILES • 3.6L • 6 CYL • 4WD • AUTOMATIC
Avatar
JAMIEMORA
  • MEMBER
  • 18 POSTS
Addressing the P0963 code, by checking the solenoid, wiring and connectors is crucial restoring proper pressure and preventing further transmission damage given the symptoms of slipping and not shifting into 3rd or 4th gear after flushing, changing solenoid, is it possible the issue is with the hydraulic pressure that is tied directly to this fault code.
Oct 10, 2024 at 5:27 PM
Advertisement
Avatar
STRAILER
  • CERTIFIED EXPERT
  • 53,854 POSTS
That is correct, it will have this code if the fluid pump has failed.

The P0963 code on your 2013 GMC Acadia indicates an issue with the Transmission Pressure Control Solenoid "A" Control Circuit High.

It is time for a rebuild, if you want to pull it yourself, I can give you instructions.
Oct 10, 2024 at 6:02 PM
Avatar
JAMIEMORA
  • MEMBER
  • 18 POSTS
Yes, if that is what is needed, please if you could give me instructions, thank you so much!
Oct 10, 2024 at 6:24 PM
Advertisement
Avatar
JAMIEMORA
  • MEMBER
  • 18 POSTS
Ken, another thing along with the instructions, due to a huge lack of funds, is there any way to minimize the rebuild, also, if it were the pump would I be getting a pump code?
Oct 10, 2024 at 6:33 PM
Avatar
STRAILER
  • CERTIFIED EXPERT
  • 53,854 POSTS
It will not have a pump code until the pump is completely gone, it is just weak which causes the code, but I would still try changing the solenoid first unless you have a transmission pressure gauge that you can take a reading from?

For a 2013 GMC Acadia, the normal transmission fluid pressure at idle should typically range from 58 to 62 PSI. Under load or at higher RPMs, the pressure can increase up to 150 to 250 PSI.

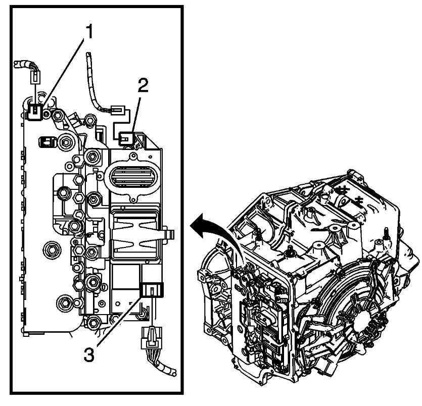
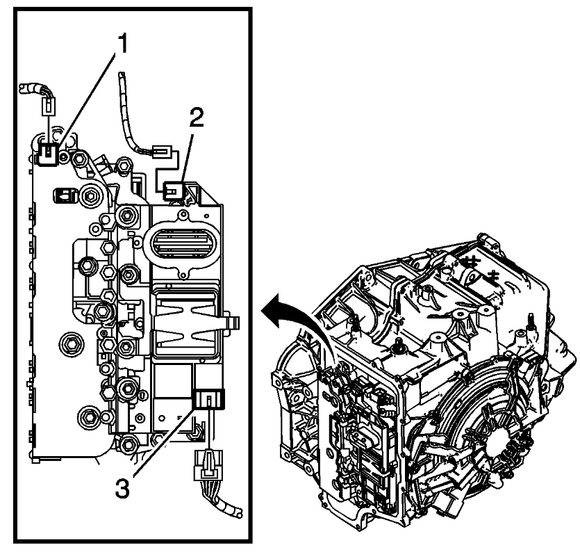
Here is where the gauge plugs into. Check out the images (below). Please let us know what happens.
Oct 11, 2024 at 9:58 AM
Avatar
JAMIEMORA
  • MEMBER
  • 18 POSTS
Thank you so much. Ken another question, when buying the new TCM assembly module I look for one that fits a 2013 GMC Acadia but seen somewhere else that I had to know if the TCM Module I was going to buy is a generation 1 or generation 2 and the car as well, is this true? if so, where do I find out on both car and TCM assembly if it is Generation 1 or 2?
Oct 11, 2024 at 9:43 PM
Avatar
STRAILER
  • CERTIFIED EXPERT
  • 53,854 POSTS
You are welcome, sorry, we only handle one problem per thread, please post your new question here, you must be logged in.

https://www.2carpros.com/questions/new

Cheers, Ken
Oct 13, 2024 at 8:49 AM