car is running hot

2008 BMW 535I
100,000 MILES • 3.0L • 6 CYL • 4WD • AUTOMATIC
Avatar
THOMAS HUNTER
  • MEMBER
  • 1 POST
I bought a thermostat and had it installed, that did not help the problem. then I noticed that when you try to bleed the coolant system the water pump is not working at all not sure that is not a fuse for the water pump though and I cannot find the location of these fuses. please help.
Dec 23, 2019 at 6:36 AM
Advertisement
Avatar
KASEKENNY
  • CERTIFIED EXPERT
  • 18,907 POSTS
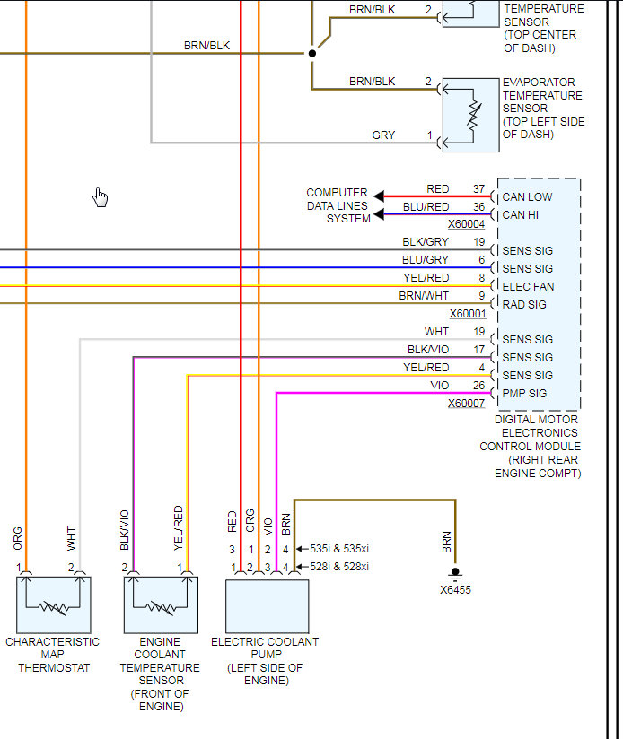
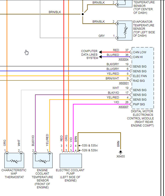
There are two fuses that we need to check. F23 and F02. F02 is for the characteristic Map Thermostat and coolant pump. The F23 is the 12 volt feed for the pump so they both need to be good.

If that is okay, I included a testing for you to run through to see if we can track down the issue. Let me know what you find with this and we can go from there. Thanks
Dec 24, 2019 at 6:47 PM