Ignition switch making loud grinding sound

2008 KIA SORENTO
1,777,180 MILES • 2.4L • V6 • TURBO • 4WD • AUTOMATIC
Avatar
BIGXMIKEX775
  • MEMBER
  • 4 POSTS
Hey guys, I’m new to 2CarPros so please bare with me. I have the car listed above. I recently changed the starter to it because It was making a loud grinding sound come to find out it wasn’t it. they told my my ignition switch was just bad and needed to be switched out. I decided to keep driving it around even though it still made that noise. well, one day my girlfriend needed a jump start so I went on over and did it for her. well as my car was in park my car and not giving her a jump anymore it was making the loud noise again and it started smoking a bit and it smelled like burning rubber. a few seconds later my car turned off and now it won’t turn on anymore. I’m worried that I caused more damaged to it that I didn’t change the ignition switch.. Any thought? Pleas help. thank you.
Jan 13, 2020 at 11:16 PM
Advertisement
Avatar
JACOBANDNICKOLAS
  • CERTIFIED EXPERT
  • 110,175 POSTS
Hi,

If you smelled something like rubber, it may have been the belt. Have you checked that? When you try to start it now, what happens? Could you tell approximately where the smoke was coming from?

I can't see how the ignition switch caused this. Also, on a starter, there are two primary wires. Once comes directly from the battery and has 12v all the time. The other is a smaller wire that goes to the S terminal. It only gets power when the key is in the start position. Once it gets power, the starter is engaged. There isn't a different wire that causes the Bendix (starter gear) to engage. It happens at the same time based on power from that one wire.

So, if you are hearing a grinding, my first suspect is there is a problem with the teeth on the flywheel itself. When you had the starter removed, did you check the condition of the teeth on the flywheel?

Let me know.

Joe
Jan 14, 2020 at 7:10 PM
Avatar
BIGXMIKEX775
  • MEMBER
  • 4 POSTS
When I try to start it now I just hear 2 clicks but it won’t turn over, the smoke was coming from the right side of the car. I didn’t really check where exactly it was from and they didn’t check the flywheel. I’m hoping it’s not that because they told me it would be expensive to fix. the car lights are fully turn on it gets power it just won’t turn over. I appreciate you replying it’s hard getting answer and I’m worried it’s going to be pretty expensive to fix for a single father with 2 boys trying to make it. so money’s tight any info that you give me helps a ton. thank you
Jan 14, 2020 at 7:47 PM
Advertisement
Avatar
JACOBANDNICKOLAS
  • CERTIFIED EXPERT
  • 110,175 POSTS
The idea that you get two clicks leads me to believe the battery is weak. Also, you may have fried the alternator doing the jump start. Anything is possible.

Lets do this. I suggest starting at the beginning, the battery. Although you have lights, it may either have a loose or bad connection or may just be weak or bad in general.

First, make sure terminals are clean and tight.

https://www.2carpros.com/articles/everything-goes-dead-when-engine-is-cranked

Next, I want you to load test the battery. Here is a link explaining how to do it:

https://www.2carpros.com/articles/car-battery-load-test

Lets start with that. It will only take a couple minutes to do. Also, if it is possible, you may want to even remove the battery and have it load tested at a parts store.

Once we establish the battery is good and has a good connection, then we will move on. The smoke has me a bit concerned. Don't laugh. Put your nose near the alternator and see if there is anything that smells funny. Also, confirm the cables at the starter are tight.

I will watch for your reply.

Take care,
Joe
Jan 14, 2020 at 8:25 PM
Avatar
BIGXMIKEX775
  • MEMBER
  • 4 POSTS
Hey Joe, so I went ahead and did everything you asked me to. the battery is good. I cleaned out the battery cables and tightened them but still no luck. I tried putting my nose by the alternator but no smell. what should I try next?
Jan 15, 2020 at 4:15 PM
Avatar
JACOBANDNICKOLAS
  • CERTIFIED EXPERT
  • 110,175 POSTS
Hi,

Have you load tested the battery? Are you able to turn the engine by hand at the crank shaft?

Let me know.

Joe
Jan 16, 2020 at 4:19 PM
Avatar
BIGXMIKEX775
  • MEMBER
  • 4 POSTS
Yea, I trashed the battery and it came back normal. I didn’t try the crankshaft I don’t know how to do it. should I take out the starter and get it tested?
Jan 16, 2020 at 4:27 PM
Avatar
JACOBANDNICKOLAS
  • CERTIFIED EXPERT
  • 110,175 POSTS
As far as seeing if you can turn the engine by hand, I ask because I'm questioning if the engine has locked and that's why the starter can't turn it.

As far as removal of the starter, here are the directions. This one is somewhat a pain to remove because of location. Also, make sure none of the wiring to the starter has been melted on the exhaust manifold or damaged in any way. Plus, make sure you disconnect the battery before you start this job.

Here is a link that shows in general how one is removed:

https://www.2carpros.com/articles/how-to-replace-a-starter-motor

Here are the directions specific to your vehicle for replacement. The attached pics correlate with the directions.
____________________________________________
2008 Kia Truck Sorento 4WD V6-3.3L
Repair Procedures
Vehicle Starting and Charging Starting System Starter Motor Service and Repair Removal and Replacement Repair Procedures
REPAIR PROCEDURES
REMOVAL

1. Remove the LH exhaust manifold assembly.
2. Supporting the engine with a safety jack, remove the LH side engine mounting bracket.


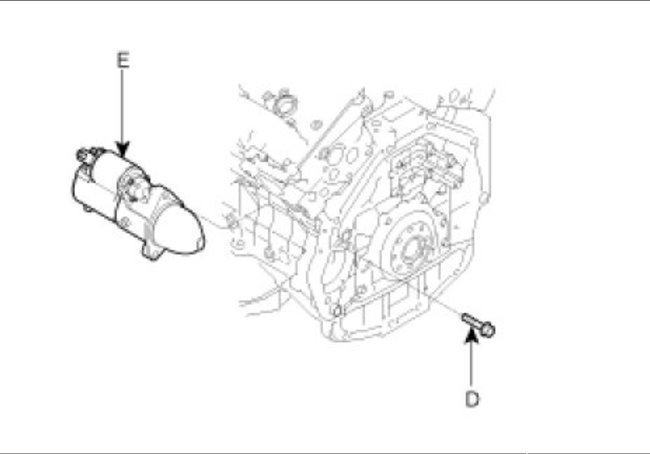
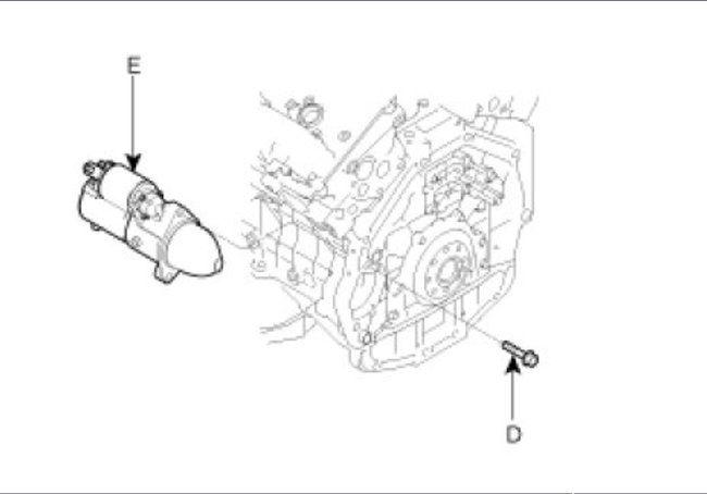
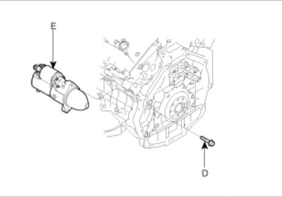
pic 1

3. Disconnect the starter cable from the B terminal on the solenoid, and the connector from the S terminal.
4. Remove the 2 bolts (D) holding the starter, then remove the starter (E).

TORQUE :
49.0 - 63.7 Nm (5.0 - 6.5 kgf.m, 36.2 - 47.0 lb-ft) - starter mounting(D)



pic 2

5. Installation is the reverse of removal.
6. Connect the battery negative cable to the battery.


____________________________________

Let me know what you find

Joe
Jan 16, 2020 at 4:47 PM