Pinout chart for PCM (P/N 3LA8-12A650-VA)

2004 FORD ESCAPE
98,000 MILES • 3.0L • V6 • 4WD • AUTOMATIC
Avatar
DMCMULLIN
  • MEMBER
  • 10 POSTS
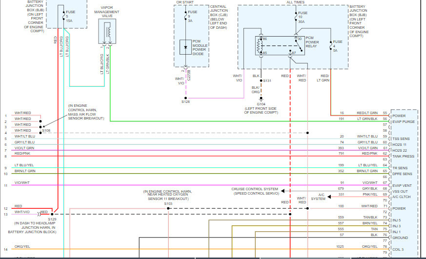
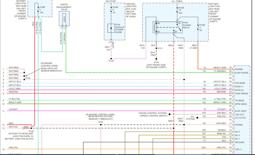
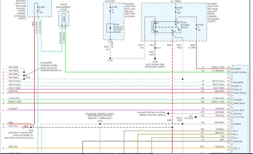
I am trying to determine if there is an open circuit on the ground from HO2 sensor (bank1 sensor 1) to the PCM.
Nov 2, 2019 at 12:29 PM
Advertisement
Avatar
DMCMULLIN
  • MEMBER
  • 10 POSTS
What I am looking for is a pinout chart to identify the correct pin connecting the ground from the harness connector for the HO2 sensor, bank1, sensor 1 to the PCM.
Nov 2, 2019 at 1:09 PM
Avatar
ASEMASTER6371
  • CERTIFIED EXPERT
  • 52,796 POSTS
Good afternoon,

I attached the diagram for the sensor. There is not external ground. The PCM is what controls the returns.

There is a power wire from the fuse box for the heater. The light blue/orange wire is the 12 volt feed.

Roy
Nov 2, 2019 at 1:35 PM
Advertisement
Avatar
ASEMASTER6371
  • CERTIFIED EXPERT
  • 52,796 POSTS
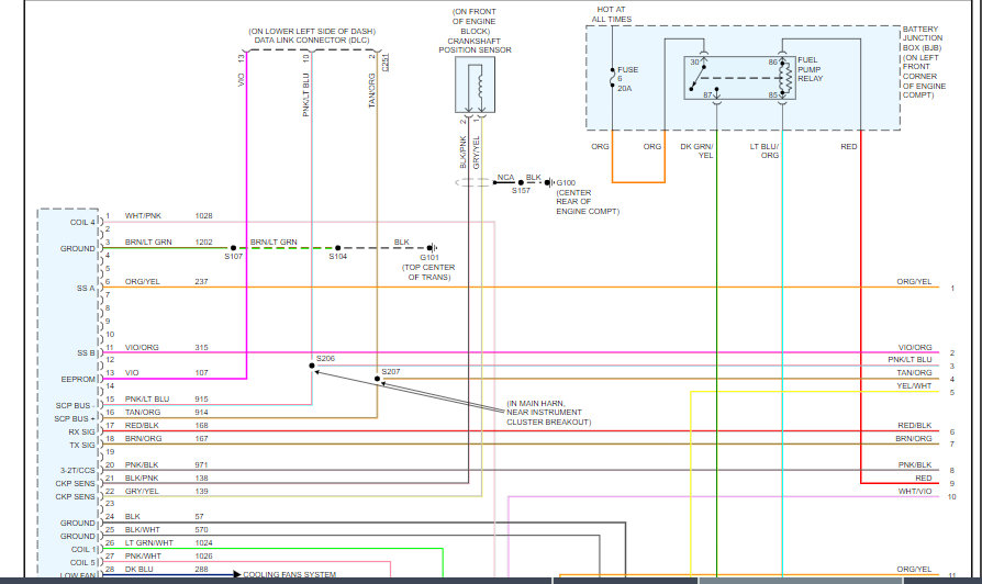
The rest of the diagrams.

Roy
Nov 2, 2019 at 1:41 PM
Avatar
DMCMULLIN
  • MEMBER
  • 10 POSTS
this was very helpful, although what I was looking for was a pin diagram where the harness connection to the PCM is located so I can identify the pin no.26.
Nov 2, 2019 at 2:00 PM
Avatar
ASEMASTER6371
  • CERTIFIED EXPERT
  • 52,796 POSTS
Pin 26 is for the ignition coil, not the O2 sensor.

Can we start with the original issue and the code?

Roy
Nov 2, 2019 at 2:03 PM
Avatar
DMCMULLIN
  • MEMBER
  • 10 POSTS
I am trying to determine if the ground (red/white wire) from the HO2-11 sensor to the PCM is an open circuit. To do this, I need to know where the pin location (or socket hole) on the harness is located. From your diagrams, I have determined the pin as no. 26.
Nov 2, 2019 at 2:22 PM
Avatar
ASEMASTER6371
  • CERTIFIED EXPERT
  • 52,796 POSTS
In the response with the 2 diagrams, The red/white wire goes to pin 93. It does not go to pin 26.
Nov 2, 2019 at 2:26 PM
Avatar
DMCMULLIN
  • MEMBER
  • 10 POSTS
You are correct. The no. 26 must be at a junction. So, is there a chart showing the pin locations on either the harness connection or the PCM?
Nov 2, 2019 at 2:32 PM
Avatar
ASEMASTER6371
  • CERTIFIED EXPERT
  • 52,796 POSTS
All the pins are in the diagrams I sent you.

26 has nothing to do with your checks.

Roy
Nov 2, 2019 at 2:35 PM
Avatar
DMCMULLIN
  • MEMBER
  • 10 POSTS
Can you help me physically locate pin no.93? I would be looking at either the harness (pin holes) or the PCM (pins)?
Nov 2, 2019 at 2:45 PM
Avatar
ASEMASTER6371
  • CERTIFIED EXPERT
  • 52,796 POSTS
Take a look at these.

Roy
Nov 2, 2019 at 3:00 PM
Avatar
DMCMULLIN
  • MEMBER
  • 10 POSTS
Thank you very much. I assume "female" is looking at the PCM (pins).
Nov 2, 2019 at 3:08 PM
Avatar
ASEMASTER6371
  • CERTIFIED EXPERT
  • 52,796 POSTS
That is the harness side.

Roy
Nov 2, 2019 at 3:14 PM
Avatar
DMCMULLIN
  • MEMBER
  • 10 POSTS
Thank you so much! You have been of the upmost help. Now I can make the test needed to determine whether the circuit is open or closed. My initial code was P0135 (heater circuit malfunction bank1, sensor 1). The sensor had been changed and the code kicked again after installation.
Thanks again, Doug
Nov 2, 2019 at 3:20 PM
Avatar
ASEMASTER6371
  • CERTIFIED EXPERT
  • 52,796 POSTS
You are welcome.

Roy
Nov 2, 2019 at 3:26 PM
Avatar
DMCMULLIN
  • MEMBER
  • 10 POSTS
I have checked both the power side and ground side of the heater sensor. I have power but, no ground. I checked for continuity of the wire (red/white) from the sensor to the PCM and it is good. It seems that the PCM is not providing the ground. Does this mean that I need to replace the PCM?
Nov 5, 2019 at 8:50 AM
Avatar
ASEMASTER6371
  • CERTIFIED EXPERT
  • 52,796 POSTS
That is exactly what it sounds like.

Roy
Nov 5, 2019 at 8:57 AM
Avatar
DMCMULLIN
  • MEMBER
  • 10 POSTS
Is this a common issue?
Nov 5, 2019 at 9:00 AM
Avatar
ASEMASTER6371
  • CERTIFIED EXPERT
  • 52,796 POSTS
Yes, in some cars. Not all but some. Each one is different.

Roy
Nov 5, 2019 at 9:07 AM