Fuse panel wiring diagrams please?

1999 DODGE RAM
230,000 MILES • 5.2L • V8 • 4WD • MANUAL
Avatar
318TJ
  • MEMBER
  • 1 POST
I looked through the field service manual and could not find a connector pin out for the engine-inline junction. Currently swapping a 5.2 V8 into my 2001 Jeep. Donor vehicle is a 1999 Ram 1500. The only thing that's holding me back is I have no idea where these wires go when they come out from the bottom of the fuse box. Any help would be appreciated.
Feb 20, 2021 at 7:43 AM
Advertisement
Avatar
STRAILER
  • CERTIFIED EXPERT
  • 53,854 POSTS
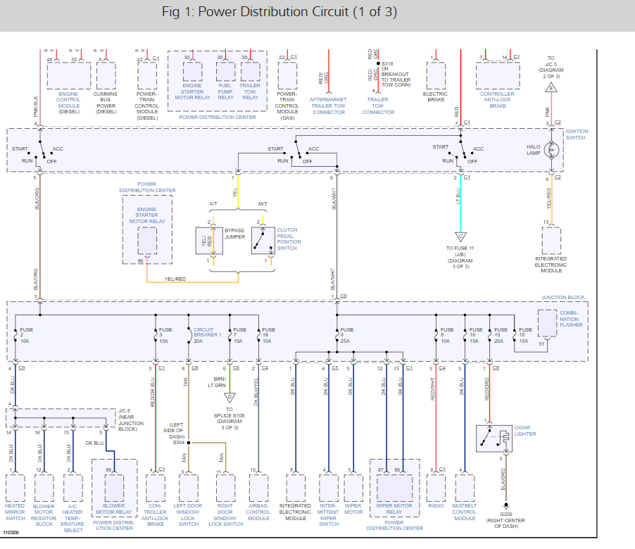
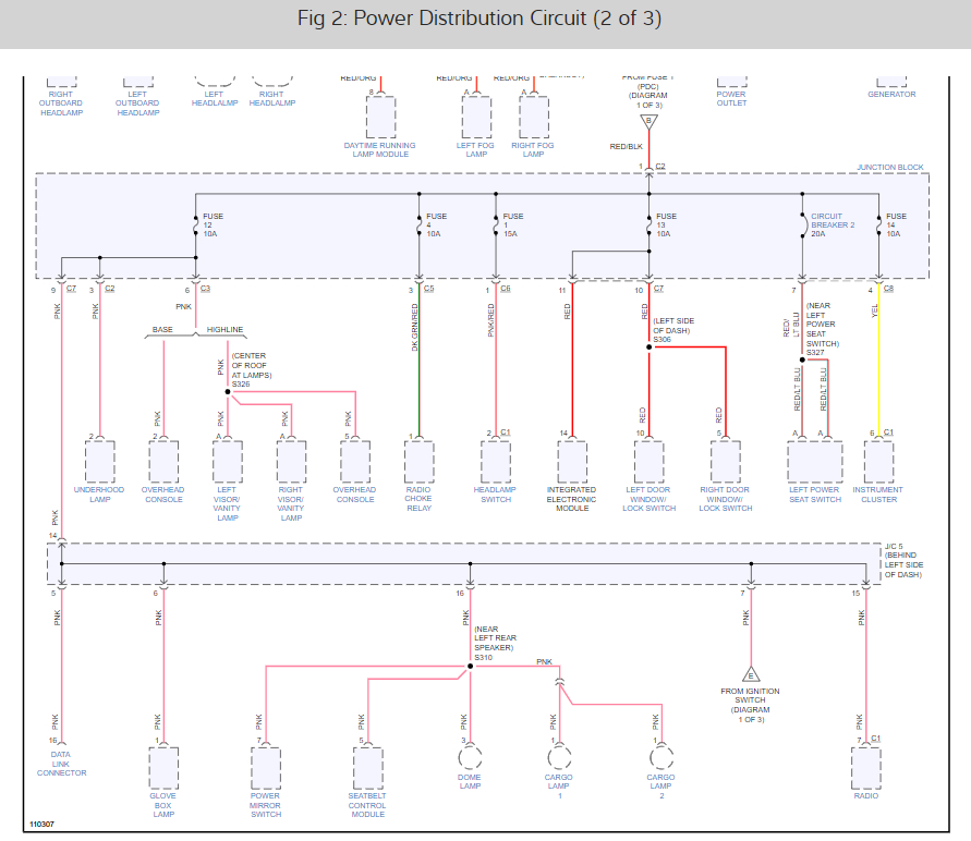
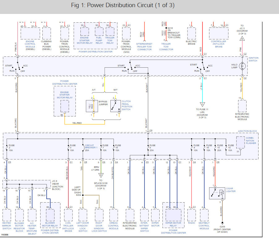
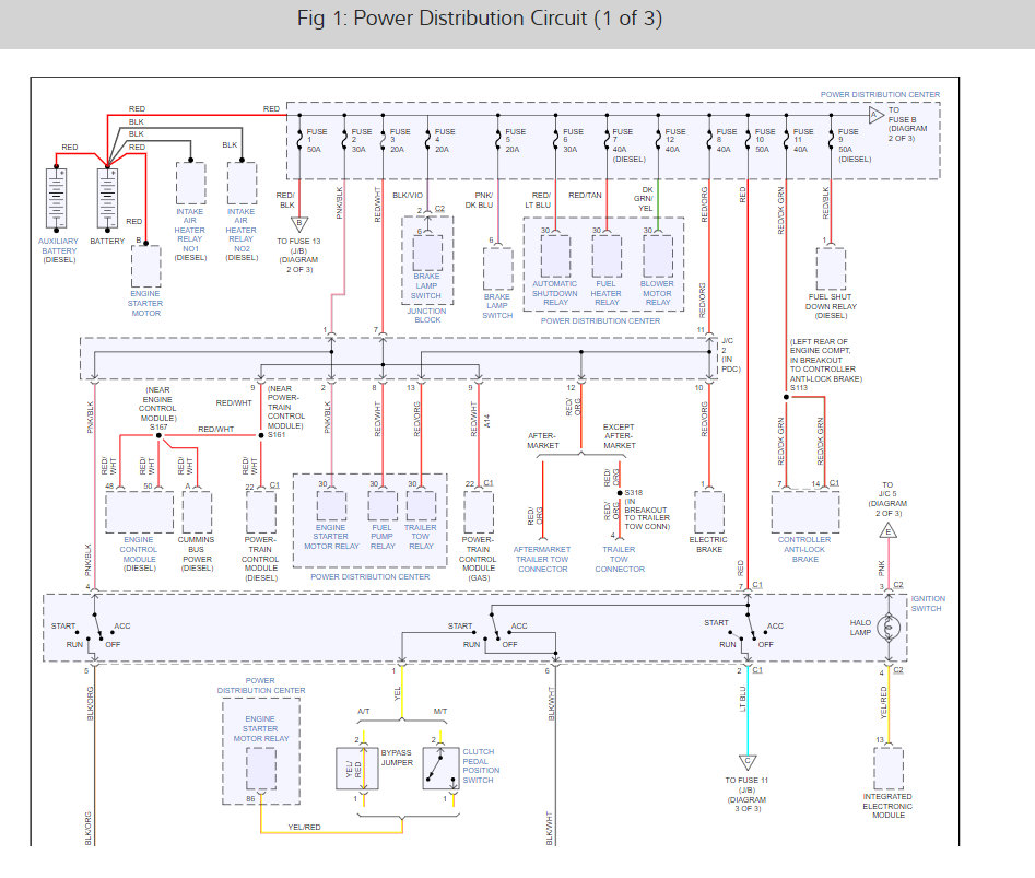
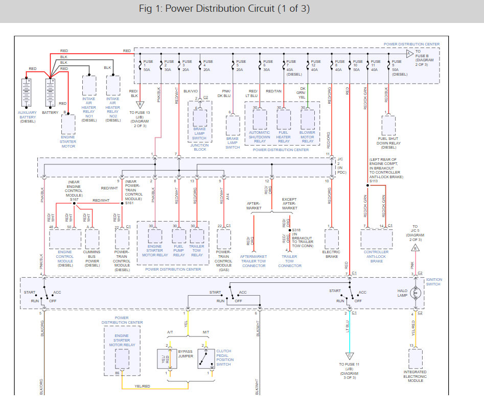
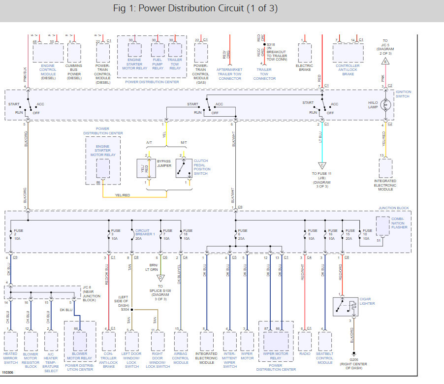
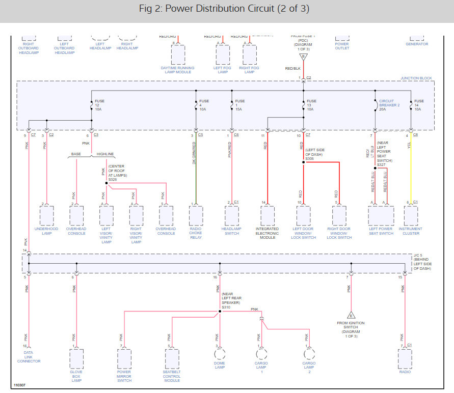
Here is the fuse panel wiring diagrams so you can make the necessary connections with a guide to help as well:

https://www.2carpros.com/articles/how-to-check-wiring


Check out the diagrams (below). Please let us know if you need anything else to get the problem fixed.
Feb 21, 2021 at 10:04 AM