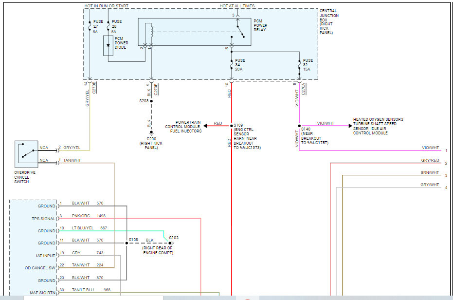
i put a transmission from a 2005 or 2003 Expedition in my truck listed above, but i had an extra sensor or something that i had to cut from the 2003 harness and put on mine but. the speedometer shows me going 50 when I'm going 5 and it's not shifting right
are the pinouts coming from the transmission in different spot than my harness so it's not reading right, idk.
i need a pin out for a transmission harness for the Expedition and my truck listed above if that's possible.
are the pinouts coming from the transmission in different spot than my harness so it's not reading right, idk.
i need a pin out for a transmission harness for the Expedition and my truck listed above if that's possible.
Feb 17, 2024 at 3:35 PM










