Codes P0351 and P0354

2007 FORD EDGE
220,000 MILES
Avatar
TRINITY ADAMS
  • MEMBER
  • 7 POSTS
I’m trying find PCM pin out wiring diagram so I can check to see if it is burnt out . I know about coils going bad frying PCM, but my coils looks good on cylinder 1 and 4.
Jan 30, 2020 at 7:35 AM
Advertisement
Avatar
STRAILER
  • CERTIFIED EXPERT
  • 53,854 POSTS
Hello,

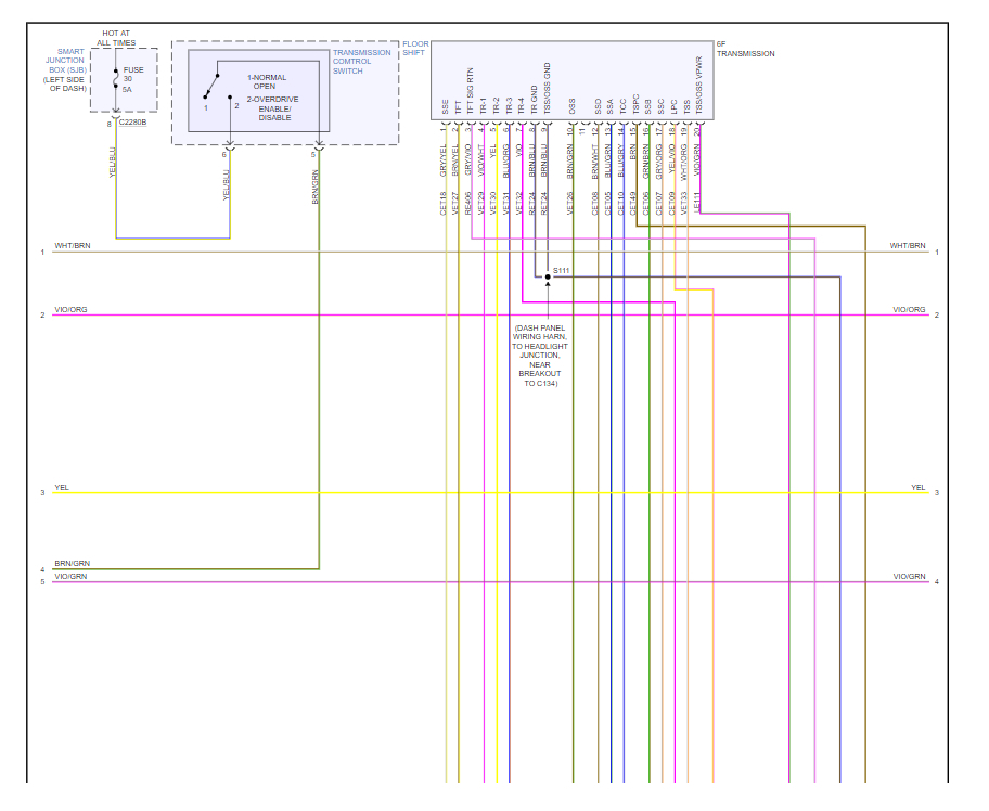
Here is a guide to help you test he wiring with the engine wiring diagrams in the images below:

https://www.2carpros.com/articles/how-to-check-wiring

Check out the diagrams (below). Please let us know what you find.
Jan 30, 2020 at 10:45 AM
Avatar
BMDOUBLE
  • CERTIFIED EXPERT
  • 1,139 POSTS
Here is a pinout for connector c175e, the center one on your PCM. Let us know if you need anything else.
Jan 30, 2020 at 10:46 AM
Advertisement
Avatar
TRINITY ADAMS
  • MEMBER
  • 7 POSTS
Thanks for info. It started out ignition coil on cylinder 1 so I switched it with number 4 didn’t fix . Can unplug coil on 1 and 4 while running no difference in engine. So today I take number 4 coil out of cylinder plugged it in held a grounded wire next to it to see if firing no fire . So I plug same coil in to number 5 plug did same thing it’s firing(coil working).now when I unplug cylinder 1 and 4 and 5 while engine running no difference. So my question is, even though I saw coil working do you think that coil could be bad causing it burn my computer each time? same coil on all 3 cylinder has caused them to quit working. Thinking about sending computer out tomorrow to have checked.
Jan 30, 2020 at 4:56 PM
Avatar
BMDOUBLE
  • CERTIFIED EXPERT
  • 1,139 POSTS
I would replace the coils that are in question, no doubt! the problem is that the transistor inside of the PCM goes bad and fires the coil constantly until it burns the coil out. Here is a picture of a damaged coil when the PCM goes bad all the way.
Jan 31, 2020 at 7:08 AM
Avatar
TRINITY ADAMS
  • MEMBER
  • 7 POSTS
Sent PCM out today.
Jan 31, 2020 at 11:44 AM
Avatar
TRINITY ADAMS
  • MEMBER
  • 7 POSTS
Coil looks good, but when I tested trigger wire yesterday it had a ground all the time though.
Jan 31, 2020 at 11:47 AM
Avatar
BMDOUBLE
  • CERTIFIED EXPERT
  • 1,139 POSTS
How exactly did you test it?
Feb 1, 2020 at 9:16 AM
Avatar
STRAILER
  • CERTIFIED EXPERT
  • 53,854 POSTS
Was the wiring harness connected to the PCM still when you did the testing?
Feb 1, 2020 at 10:16 AM
Avatar
TRINITY ADAMS
  • MEMBER
  • 7 POSTS
Yes plugged in . At connector I put paper clip each one with multi meter hooked to it. shows be a ground on trigger wire all the time (key off or on).
Feb 1, 2020 at 11:34 AM
Avatar
TRINITY ADAMS
  • MEMBER
  • 7 POSTS
Visually the coil in question looks good when I measure ohms on it , it is 1.0.
Feb 1, 2020 at 12:04 PM
Avatar
BMDOUBLE
  • CERTIFIED EXPERT
  • 1,139 POSTS
Yeah that circuit should be open, so your PCM is faulty. The people you sent it to should be able to identify the faulty transistors and replace them.
Feb 2, 2020 at 2:40 PM
Avatar
TRINITY ADAMS
  • MEMBER
  • 7 POSTS
Circuit board medics fixed computer ($199.00) eBay Motorcraft coils and plugs $197.00 but it’s fixed. now if I can figure out what’s wrong with my other car all will be good.
Feb 5, 2020 at 4:46 PM
Avatar
BMDOUBLE
  • CERTIFIED EXPERT
  • 1,139 POSTS
Yes! Good job! We can help with anything else you got.
Feb 6, 2020 at 9:13 AM