PCM to sensors schematic

2001 MAZDA TRIBUTE
150,000 MILES • 2.0L • 4 CYL • 2WD • MANUAL
Avatar
CARLOSRUIZ
  • MEMBER
  • 2 POSTS
Just swapped engine and it will not start. I am suspecting harness damage during swap but no visible damage. I am looking to get wiring schematic to test continuity from sensors and related engine wiring.

Thanks for your help.

Good Day
Nov 16, 2017 at 1:20 PM
Advertisement
Avatar
STRAILER
  • CERTIFIED EXPERT
  • 53,854 POSTS
Hello,

Here is a guide on how to check the engine wiring diagrams in a guide and the engine wiring diagrams (below):

https://www.2carpros.com/articles/how-to-check-wiring

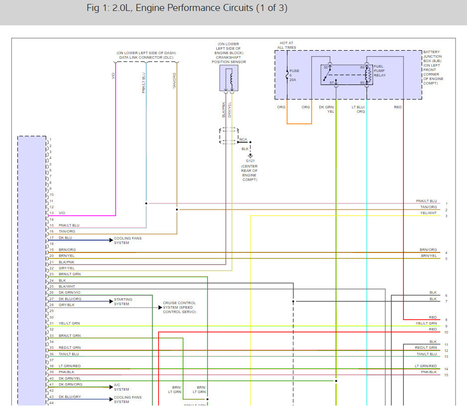
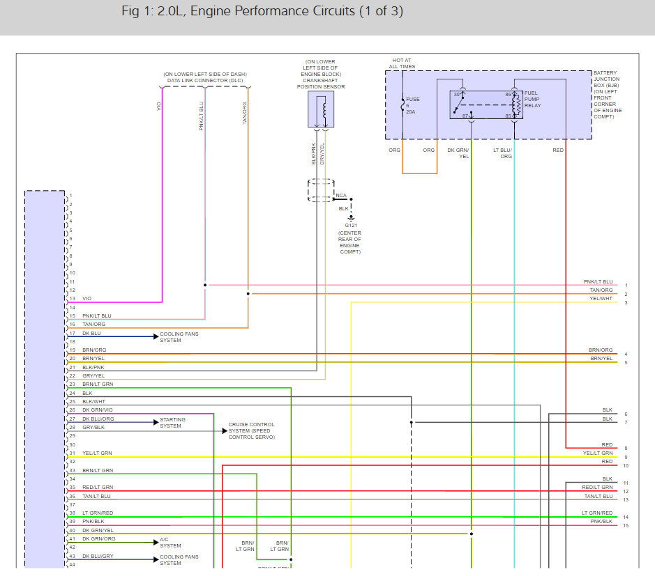
These diagrams include the PCM and all related sensors to run the engine including the fuel pump and for both the four and six cylinders in case anyone needs them.

Let us know what happens and please upload pictures or videos of the problem.

Cheers, Ken
Nov 17, 2017 at 1:28 PM
Avatar
F4I_GUY
  • CERTIFIED EXPERT
  • 3,302 POSTS
First thing you must do is scan for fault codes. I would not recommend just randomly performing resistance checks on circuits, that would be an extremely inefficient way of diagnosing.
Sometimes during swaps connectors are plugged into the wrong location, ground wires are left loose, etc. To help isolate which circuit is faulty you must scan the vehicle.

Does the vehicle crank?
Nov 17, 2017 at 1:30 PM
Advertisement
Avatar
CARLOSRUIZ
  • MEMBER
  • 2 POSTS
It does crank, I will check for trouble codes first.
Nov 18, 2017 at 2:48 PM
Avatar
STRAILER
  • CERTIFIED EXPERT
  • 53,854 POSTS
Here is a guide to help you get the job done:

https://www.2carpros.com/articles/checking-a-service-engine-soon-or-check-engine-light-on-or-flashing

Please let us know what happens.

Cheers, Ken
Nov 18, 2017 at 2:55 PM
Avatar
JAKALOPE
  • MEMBER
  • 4 POSTS
Ken,

Can you provide a source for the PCM diagrams provided in your earlier post? I am trying to troubleshoot cooling fan issues on my Mazda Tribute and the ones you have posted are fantastic. I have not been able to find anything like them online.

Thanks, Jared.
Sep 7, 2018 at 9:10 AM
Avatar
STRAILER
  • CERTIFIED EXPERT
  • 53,854 POSTS
Hi Jared,

Yes, I can help but you need to start a new question then PM me that you have and I will get you the diagrams. :)

Please post your new question here, you must be logged in:

https://www.2carpros.com/questions/new

Cheers, Ken
Sep 7, 2018 at 10:24 AM