PCM replacement

2004 CHEVROLET TRAILBLAZER
174,000 MILES • 4.2L • 6 CYL • 2WD • AUTOMATIC
Avatar
CASEY LANE BUJNOCH
  • MEMBER
  • 4 POSTS
I know I will have to take the vehicle to a dealer to get the PCM programmed but will it be drivable to get it there?
Feb 19, 2020 at 5:43 PM
Advertisement
Avatar
JACOBANDNICKOLAS
  • CERTIFIED EXPERT
  • 110,175 POSTS
Hi,

Chances are it will not run. The system immobilizer will not be recognized. You can try this relearn procedure, but I can't be 100% sure it will work.

30 Minute Learn Procedure
1. Turn ON the ignition, with the engine OFF.
2. Attempt to start the engine, then release the key to ON (vehicle will not start).
3. Observe the SECURITY telltale, after approximately 10 minutes the telltale will turn OFF.
4. Turn OFF the ignition, and wait 5 seconds.
5. Repeat steps 1 through 4 two more times for a total of 3 cycles/30 minutes (the vehicle is now ready to relearn the Passlock(TM) Sensor Data Code and/or passwords on the next ignition switch transition from OFF to CRANK).

IMPORTANT: The vehicle learns the Passlock(TM) Sensor Data Code and/or password on the next ignition switch transition from OFF to CRANK. You must turn the ignition OFF before attempting to start the vehicle.

6. Start the engine (the vehicle has now learned the PASSLock Sensor Data Code and/or password).
7. With a scan tool, clear any DTCs if needed (history DTCs will self clear after 100 ignition cycles).

I don't know if you need this, but here are the directions for removal and replacement. The attached pics correlate with the directions. Also, make sure the battery is disconnected before you connect the new PCM. Once the PCM is installed and plugged in to the wiring harness, then reconnect the battery.

______________________________________

2004 Chevy Truck TrailBlazer 2WD L6-4.2L VIN S
Procedures
Vehicle Powertrain Management Relays and Modules - Powertrain Management Relays and Modules - Computers and Control Systems Engine Control Module Service and Repair Procedures
PROCEDURES
POWERTRAIN CONTROL MODULE (PCM) REPLACEMENT

Service of the powertrain control module (PCM) should normally consist of either replacement of the PCM or electrically erasable programmable read only memory (EEPROM) programming. If the diagnostic procedures call for the PCM to be replaced, the PCM should be inspected first to see if the correct part is being used. If the correct part is being used, remove the faulty PCM and install the new service PCM.

IMPORTANT:
- To prevent internal PCM damage, the ignition must be OFF when disconnecting or reconnecting power to the PCM. For example, when working with a battery cable, PCM pigtail, PCM fuse, or jumper cables.
- Remove any debris from the PCM connector surfaces before servicing the PCM. Inspect the PCM module connector gaskets when diagnosing or replacing the PCM. Ensure that the gaskets are installed correctly. The gaskets prevent contaminant intrusion into the PCM.

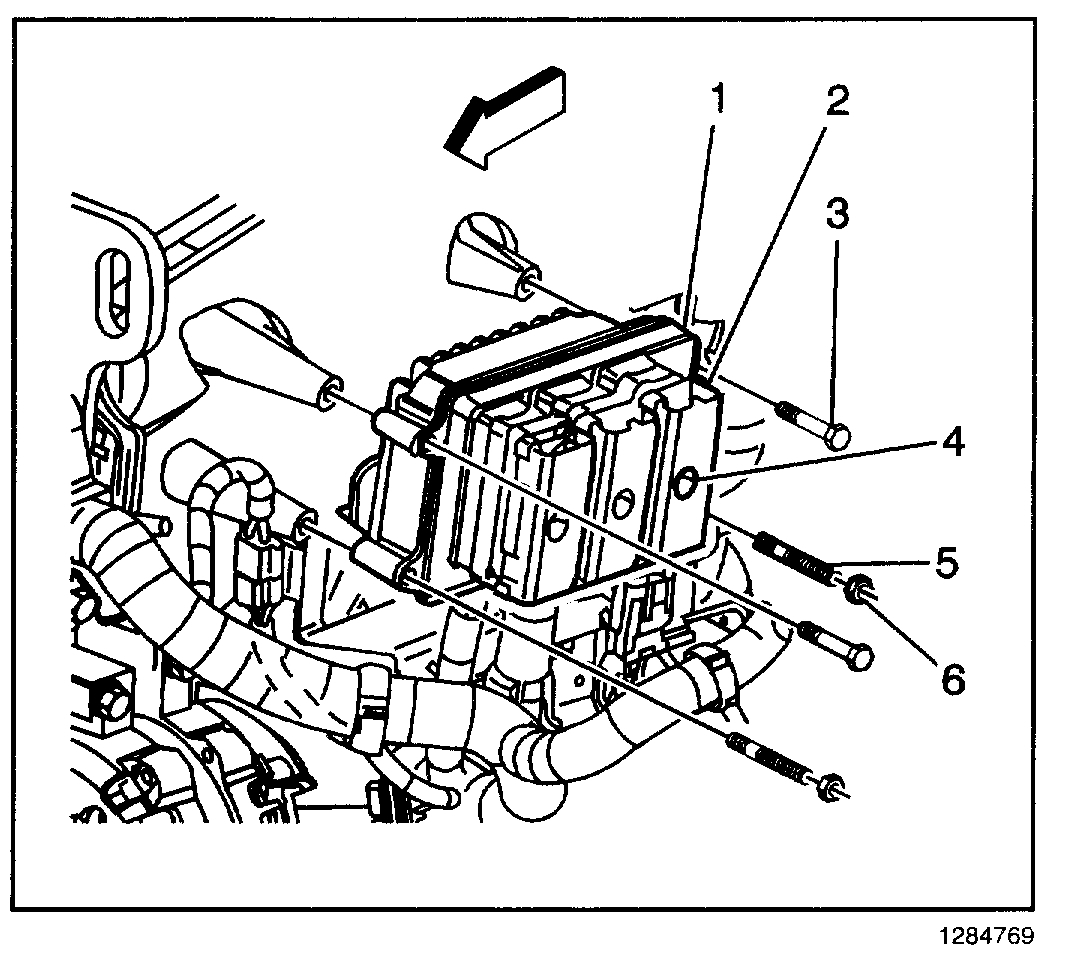
Removal Procedure


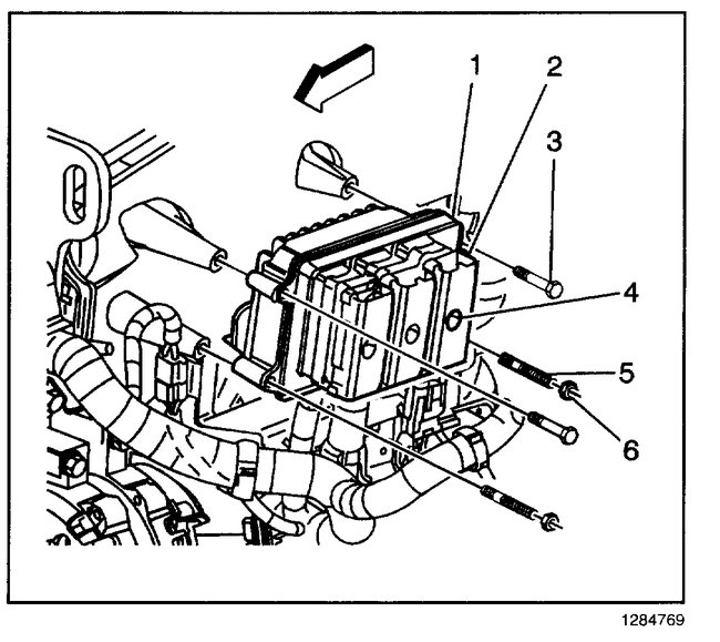
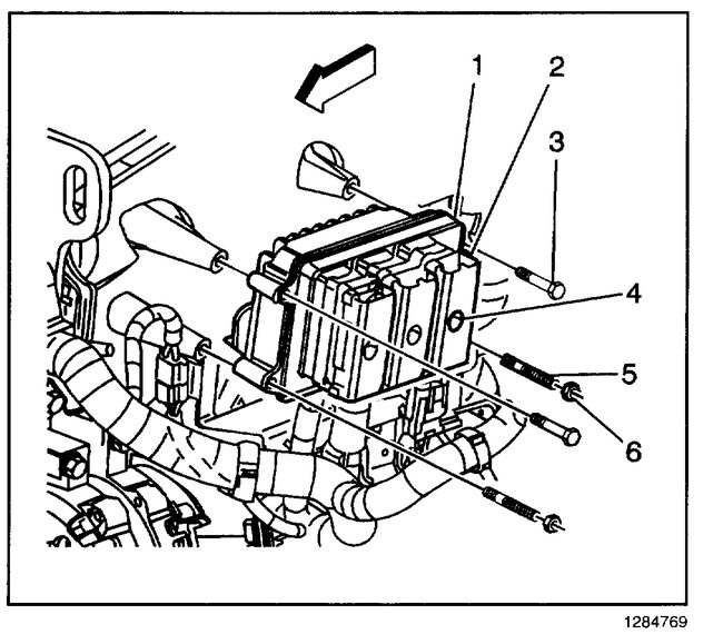
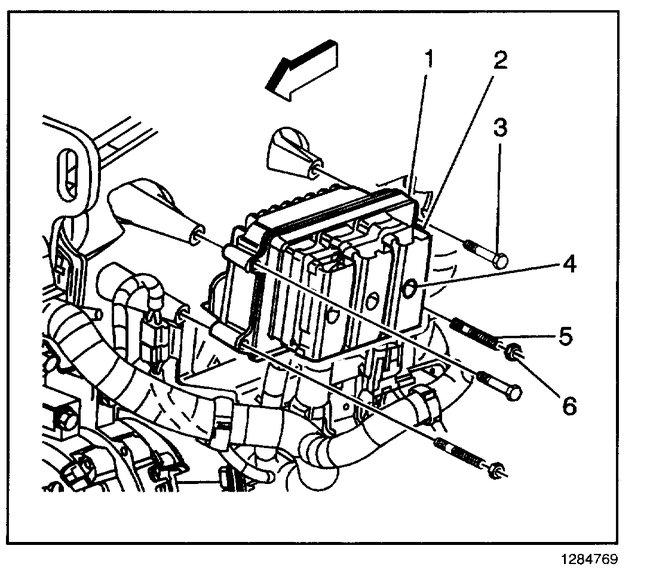
pic 1

1. Loosen the PCM harness connector bolts (4) from the center of the PCM harness connectors.

NOTE: In order to prevent internal damage to the PCM, the ignition must be OFF when disconnecting or reconnecting the PCM connector.

2. Remove the PCM harness connectors (2) from the PCM (1).
3. Remove the PCM retaining bolts (3) and nuts (6).

NOTE: Refer to PCM and ESD Notice in Service Precautions.

4. Slide the PCM (1) away from the intake manifold past the mounting studs (5) and remove PCM from the vehicle.
5. Remove the PCM mounting studs (5) from the intake manifold ONLY if replacing the studs.

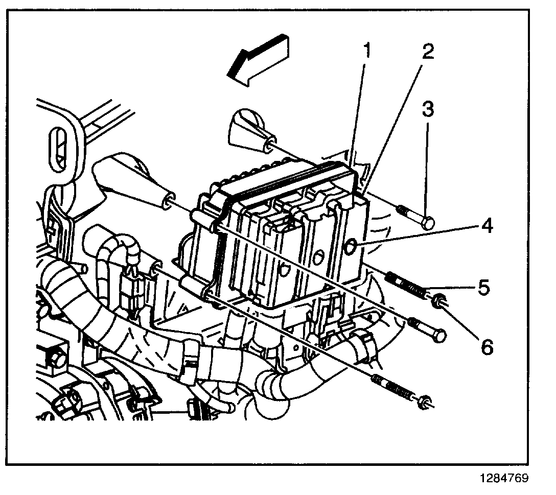
Installation Procedure

NOTE: Refer to Fastener Notice in Service Precautions.


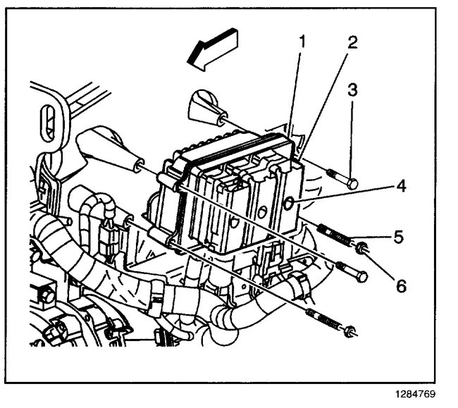
pic 2

1. Install the PCM mounting studs (5) to the intake manifold, if removed.

Tighten
Tighten the studs to 6 N.m (53 lb in).

2. Install the PCM (1) onto the studs (5).
3. Install the PCM retaining bolts (3).

Tighten
Tighten the bolts to 8 N.m (71 lb in).

4. Install the PCM retaining nuts (6).

Tighten
Tighten the nuts to 8 N.m (71 lb in).

5. Install the PCM harness connectors (2) to the PCM body.
6. Tighten the PCM harness connector retaining bolts (4).

Tighten
Tighten the bolts to 8 N.m (71 lb in).

7. If a new PCM is being installed, the PCM must be programmed. Refer to Service Programming System (SPS) in Programming. See: Vehicle > Programming and Relearning

Let me know if this helps.

Joe
Feb 19, 2020 at 6:38 PM
Avatar
KASEKENNY
  • CERTIFIED EXPERT
  • 18,907 POSTS
Unfortunately it will not because the PCM requires the VIN to be programmed and it will not start until it is programmed. Also, the security system requires to have the PCM programmed with the security information.

Let me know if you need more information and I will be happy to provide it. Thanks
Feb 19, 2020 at 6:46 PM
Advertisement