PCM replaced and Fuel injector not working after reversing the battery connection?

2007 MAZDA 3
120,000 MILES • 2.3L • 4 CYL • 2WD • AUTOMATIC
Avatar
  • MEMBER
  • 45 POSTS
Hello,

I mistakenly reversed the battery connection and the PCM got fried almost immediately.
After replacing PCM, some fuel injectors will not come on.
The first PCM turn on only injectors 1 and 2 and the second PCM turns on only 1 and 4.
All injectors Resistance test shows 12.5ohms. Wiring harness to the PCM also have a good continuity (multimeter beeps).
if i plug the socket of one injector to the fuel injector, the continuity of its PCM terminal will also be redistributed and also have continuity to only the grounds of the other three terminals.
May 8, 2024 at 11:45 PM
Advertisement
Avatar
AL514
  • CERTIFIED EXPERT
  • 5,465 POSTS
Hello, with all the injectors unplugged, key off, none of the injector control wires should have any continuity to ground at all. If they do, unplug the PCM connector and retest the injector control circuits for shorts to ground with all the injectors unplugged. There should be no paths to ground at all. I'll post a wiring diagram for you, where did you get the new PCM?
Are you sure you're testing the correct wire, it sounds like you're checking continuity on the power feed with the one injector plugged in.
May 9, 2024 at 12:04 PM
Avatar
  • MEMBER
  • 45 POSTS
Thank you for the response. After reading your message, I realized that i have to engage a professional to fix the wiring harness and the car was fine by changing the wire from the junction that supplies the Injectors and butterfly solenoids. The problem got fixed but the car will stall after some minutes when idling, when you start again it runs smoothly and stalls again after some minutes, let's say 3 minutes max.
May 16, 2024 at 10:34 PM
Advertisement
Avatar
AL514
  • CERTIFIED EXPERT
  • 5,465 POSTS
With a battery reverse hook up, any number of different modules could have been damaged, which is usually the case. I would suspect a module issue more than a wiring problem. But determining what is failing just before the stall out can be tricky. It might be losing fuel pressure or spark causing the stall. Looking through the wiring diagrams, one model has a fuel pump resistor which varies the fuel pump speed.
Is it setting any codes in any modules due to the stall out?
May 17, 2024 at 1:04 PM
Avatar
  • MEMBER
  • 45 POSTS
Yes, P0606 and P0606-ff, the issue of stalling actually started even before I reversed the battery, reversing the battery made me to have to change the PCM before i could have a spark and no Fuel good fuel injection which is now fixed except for the initial stalling problem which is still acting now.
A friend suggested the intake manifold as a whole. Could it be?
May 17, 2024 at 2:57 PM
Avatar
AL514
  • CERTIFIED EXPERT
  • 5,465 POSTS
And you were getting the same P0606 code prior to the battery issue I assume? That code is labeled as ECM/PCM Processor Error which if you have replaced the PCM already is being caused by some other issue. Another potential cause stated is "Ignition Switch Terminal (PCM Terminal 1AY) Circuit Shorted to Power" which is a bit strange because its a 12volt feed from ENGINE FUSE 20Amp to the ignition coils and other components so being shorted to power as a possibility doesn't make much sense. I do see a PCM Ground pin next to the 1AY pin, so I'll look into this code some more, but check the PCM connectors for any corrosion deep inside the connectors or possible spread connector pins,
A spread connector pin would make more sense to me being that this issue happens shortly after start up, If there's a PCM connector pin that's slightly spread, heat after start up is going to cause that pin to lose contact pretty quick.
Does the vehicle start right back up, or do you need to wait a certain amount of time?
May 17, 2024 at 3:43 PM
Avatar
AL514
  • CERTIFIED EXPERT
  • 5,465 POSTS
Where did the new PCM come from?
May 17, 2024 at 3:44 PM
Avatar
  • MEMBER
  • 45 POSTS
Yes. It does start right back up as if nothing is wrong.
May 17, 2024 at 3:47 PM
Avatar
AL514
  • CERTIFIED EXPERT
  • 5,465 POSTS
Okay, first thing to check is this fuse, even if it looks okay, don't take that for granted, swap it out with a different 20-Amp fuse and check the fuse location for any corrosion or spread pins, look closely at the fuse as well, does it look dark on the pins, like it has been over heating somewhat. This code can be misinterpreted by the PCM as an internal fault because of a lack of voltage. Thats the first thing to check,
It's in the passenger side junction box.
May 17, 2024 at 3:52 PM
Avatar
  • MEMBER
  • 45 POSTS
The PCM is actually preowned, usually gotten from junkyards or accident vehicles packed and shipped to Nigeria. Though i tried several PCM and it all has same issues.
May 17, 2024 at 3:52 PM
Avatar
AL514
  • CERTIFIED EXPERT
  • 5,465 POSTS
refresh this page so you can see my last post.
May 17, 2024 at 3:52 PM
Avatar
  • MEMBER
  • 45 POSTS
Okay, I will surely do that and get back to you. I really appreciate your help.
You last assisted me to fix which the moment i see your name I sigh with joy.
May 17, 2024 at 3:58 PM
Avatar
AL514
  • CERTIFIED EXPERT
  • 5,465 POSTS
Here is a very good video for you to watch, if you're having the same issues with different PCMs then it's not the PCM. It's either going to be a battery, battery connection, or wiring to the PCM. Low voltage fluctuations can cause these strange PCM error codes, the PCM can't function normal when voltage drops out momentarily or a possible ignition coil is jumping to Ground and spiking the PCM, causing it to reset, shutdown, and it requires an engine restart. But watch this video, it will help you out a lot.

https://www.youtube.com/watch?v=Aj7SAn2F3V8
May 17, 2024 at 4:00 PM
Avatar
AL514
  • CERTIFIED EXPERT
  • 5,465 POSTS
I'm glad to help if I can.
May 17, 2024 at 4:01 PM
Avatar
  • MEMBER
  • 45 POSTS
Is it possible that the intake manifold will cause the issue of stalling? OBD scan shows no single fault with any of the manifold sensor but the repair shop is suggesting i should change the manifold as a whole.
May 18, 2024 at 3:14 PM
Avatar
AL514
  • CERTIFIED EXPERT
  • 5,465 POSTS
There is a variable intake manifold variable swirl shutter valve which will vary the air turbulence coming into the intake manifold under different engine loads, the idea is to improve the horsepower under different engine loads. This is the TSB about it sticking in colder weather but will set a code P2006. There are some PCM updates having to do with that issue. I'm trying to find a decent picture of it, it looks like there is a rod that moves the shutter valve (2nd diagram). But usually what happens with these variable intake runner type designs, is because they are made of plastic like the intake manifold is, they eventually warp due to heat, and that causes them to stick in one position or another.
I don't know if it would affect the manifold enough to stall the engine or not. Sometimes I find that they are causing a vacuum leak, because the rod is external to the intake manifold, I find some leaking when doing a smoke test on the intake manifold.

If they can show you exactly why they think the intake manifold is causing the stall, that's a different story, but does the engine stall out even if try to give it some throttle?

In a case like this I would try to watch for whatever the engine is losing, such a fuel pressure, spark, or some voltage loss to the electrical system, instead of just replacing parts and hoping that solves the issue. That code (P0606) is an indication of what might really be happening. Does that code still set after the stall out? Because you could setup a multimeter somewhere and see if a voltage loss is causing the stall.
May 18, 2024 at 3:46 PM
Avatar
AL514
  • CERTIFIED EXPERT
  • 5,465 POSTS
This is the circuit going to the PCM that's setting the P0606 code. Pin 1AY Green/Blue wire, it comes from that Engine Fuse 20Amp. If this circuit loses voltage, it throws off the PCMs operation. So, you could monitor that wire, it should be 12v while running. And see if it drops out during the stall. The fact that you can restart the engine right away tells me the PCM is most likely glitching out, I would not like to see you replace the intake manifold and still have the same issue.
May 18, 2024 at 4:05 PM
Avatar
AL514
  • CERTIFIED EXPERT
  • 5,465 POSTS
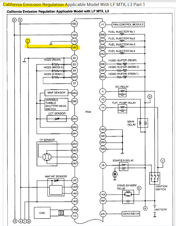
Is this a California Emissions vehicle or Federal Emissions? It should say on the tag under the hood. There's some differences with the PCM wiring depending on the emissions specs.
May 18, 2024 at 4:13 PM
Avatar
AL514
  • CERTIFIED EXPERT
  • 5,465 POSTS
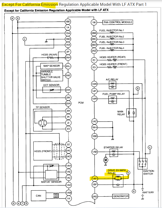
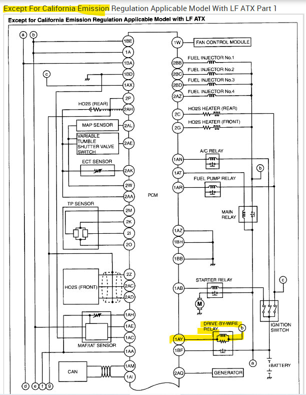
The first diagram is the California emissions with auto trans, with circuit 1AY being fed power from the Ignition Switch, the 2nd diagram is non Cali emissions auto trans with circuit 1AY is the Drive by Wire relay control wire, so it will not read 12volts when the ignition is on, whereas the Cali emissions vehicle will have 12volts on 1AY when the ignition switch is On. So that's the difference in circuit design.
May 18, 2024 at 4:31 PM
Avatar
AL514
  • CERTIFIED EXPERT
  • 5,465 POSTS
These are the two different PCM connectors depending on the emissions regulations, and the pin 1AY to monitor the voltage level during the stall/fault condition. The 1AY pin is located in the same location either way with the green/blue wire.
May 18, 2024 at 4:57 PM
Avatar
  • MEMBER
  • 45 POSTS
I performed the test , though it took me a while to understand that the issue am having might be the throttle body, i placed a stone to maintain RPM at 1.2k and there was no stall for almost 10 minutes.
i had another throttle body (had some internal rust on the flap) which i kept for long in my junk box so i tried to replace the current one with that and the vehicle did not stall at idles for almost 15 minutes with no stalls even though the throttle body does not go beyond 3000rpm at P or N and unresponsive at D.
May 27, 2024 at 11:34 PM
Avatar
AL514
  • CERTIFIED EXPERT
  • 5,465 POSTS
No, I wasnt saying it was a throttle body issue, sorry I should have been more clear. I was just showing the difference between the California and Federal emissions standards for this vehicle. In the first case (Cali Emissions) that PCM wire (PCM pin 1AY) is power coming from the Ignition switch to the PCM.
In the 2nd case, (Federal Emissions) that same PCM wire (1AY) is Grounding the relay that powers the Drive by wire system.
So the difference is that with the key On, the California emissions vehicle will have battery power on 1AY. The other Fed emissions, with the key On, should be Grounding that circuit and therefore read 0volts.
Putting on a different throttle body will most likely require an idle relearn procedure to be done.
Here is the resistance test for the throttle body (1st diagram) if you want to verify that.
And the 2nd diagram is for checking for an Open or Short circuit from the throttle body to the PCM connector.
It might be that the throttle body is shorting out, or going open circuit when it gets hot. Circuit board issues will usually show themselves under different temperatures. Since you have already tried different PCMs with the same fault.

Does the vehicle have a sticker under the hood that reads either California or Federal Emissions on it? So we can figure out what you should be reading on that PCM wire.
May 28, 2024 at 10:52 AM
Avatar
  • MEMBER
  • 45 POSTS
It is federal emission. Checks have been made and no voltage drop, it is around 13v.
May 28, 2024 at 1:35 PM
Avatar
AL514
  • CERTIFIED EXPERT
  • 5,465 POSTS
Okay, some of these wiring diagrams are incorrect, you're getting power on the green/blue wire, correct? The OEM wiring diagrams show different wire locations, the 1st diagram below is labelled as "Except Cali Emissions" and has 1AY stating Less than 1volt with IG Switch On. And the 2nd diagram is the opposite. So, I think they have them incorrect or some other option might be available, but since you have tried different PCMs, and still have the fault, it's obviously not the PCM.
But the other throttle body does not respond if you put the vehicle in Drive? but no longer stalling out? Is it setting any different codes with the other throttle body?
May 28, 2024 at 2:39 PM
Avatar
AL514
  • CERTIFIED EXPERT
  • 5,465 POSTS
Check the fuses that I have marked in the yellow squares for any corrosion or signs of the fuse having darker tabs on it, those fuses feed the PCM to and from the Main Relay. The P0606 code is mainly caused by a loss or lower voltage to the PCM. A fuse doesn't have to be blown to have voltage drop on it.
May 28, 2024 at 2:58 PM
Avatar
  • MEMBER
  • 45 POSTS
Okay sir, i had the throttle changed and problem worsen with AT light always on, so i abandon the vehicle to get some rest, today i picked the vehicle up and replaced the throttle Socket, new battery and alternator , the problem with P0122 and P0606 and other codes were fixed but stalling continues at idle with no codes , so i decided to go for a drive and there was no AT light until when i turn on the radio, AT appears, i turned off the car and start again with radio off, there was no stall again till i got home and scan but no codes were set.
I will do an overhaul for the fuses and get back to you. The stalling at idle is very important for me to fix it because my city is always with heavy traffic.
Jun 26, 2024 at 2:58 PM
Avatar
AL514
  • CERTIFIED EXPERT
  • 5,465 POSTS
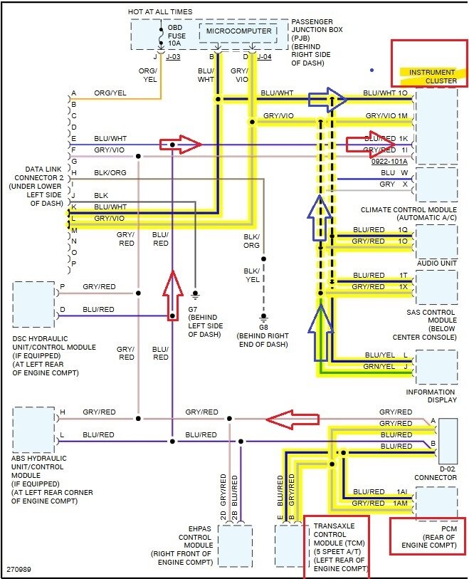
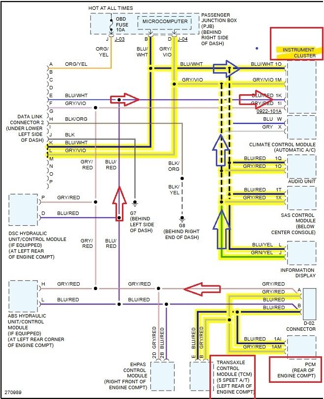
Okay, so the issue is now showing up when you turn the Radio on, that's very interesting because it looks like the Radio is on the Medium Speed Canbus network, and module faults from either shorting out the network, or sending out corrupt data packets can cause other modules to malfunction. Especially if you have a display that the radio is tied into, and possibly a navigation system, these will all talk to each other on the vehicles communications networks, High Speed, Medium Speed canbus, etc.
Jun 26, 2024 at 3:16 PM
Avatar
AL514
  • CERTIFIED EXPERT
  • 5,465 POSTS
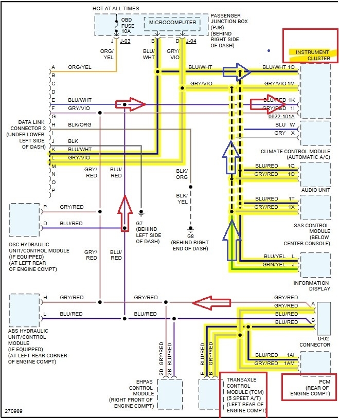
So, it looks like the Instrument Cluster is the Gateway type module where the 2 different networks will communicate with each other through, the PCM (engine computer, TCM trans computer) are on the High Speed network, and the Radio, Climate controls, information display are on the Medium Speed network, so the radio might be interfering with the entire data bus in the vehicle. I've marked the High Speed with Red arrows and the medium speed with blue arrows to show how they meet up. The Passenger Junction Box is also on the medium speed network, so it's possible the Radio is taking down the Junction Box which houses all the fuses and relays inside the vehicle.
Jun 26, 2024 at 3:25 PM
Avatar
AL514
  • CERTIFIED EXPERT
  • 5,465 POSTS
See if keeping the Radio off for a while affects the stalling issue.
Jun 26, 2024 at 3:26 PM
Avatar
  • MEMBER
  • 45 POSTS
Thank you for the swift responses, i open the dash and replugged the harness of the instrument cluster and Using the radio now causes no AT to come up , only stalling continues,but the rate at which it stalls at idle has reduced. And it never stalls while on the move.
Jun 28, 2024 at 1:39 PM
Avatar
AL514
  • CERTIFIED EXPERT
  • 5,465 POSTS
Are you getting any codes setting in any modules at all? Sometimes data from modules that stop communicating or are setting certain fault codes, other modules will default to known good data and stop using corrupt data from the bad module, this happens in some GM setups, but does depend on how everything was programmed.
Jun 28, 2024 at 2:06 PM
Avatar
AL514
  • CERTIFIED EXPERT
  • 5,465 POSTS
If the AT warning lamp was on, it should have a trouble code stored in the Transmission control module. You will just need a scan tool that is capable of scanning other modules besides just the engine computer. So a full system scan with the Cluster plugged in, might give you other codes to give some direction as to what is faulting,
Since know that all these issues started when the battery was hooked up backwards, its pretty safe to assume that this is an electrical/module issue, a lot of damage can occur when a battery is accidently hooked up in reverse. Theres some info on "Stalling when stopped/ with AT warning lamp on" and service info actually gives the voltage values of what you should see on each wire of the Transmission Control module, Ill post this for you if you want to go through and check the voltage readings at the TCM.
Jun 28, 2024 at 2:12 PM
Avatar
AL514
  • CERTIFIED EXPERT
  • 5,465 POSTS
These are some of the diagnostic steps for checking the voltage values of each transmission control module wires at its connector. The rest of the troubleshooting section of this is all oscilloscope waveforms, and gets pretty technical if you don't have any experience using a scope. 10-14 are some examples of scope waveforms that certain sensors inside the transmission should be inputting into the TCM.
But if you want to check the voltage values with a multimeter, it will be DC volts using the Signal labelled "GND" for your Ground connection.
Jun 28, 2024 at 2:56 PM
Avatar
  • MEMBER
  • 45 POSTS
I really appreciate you sir, this last checks is honestly beyond my scope, i think i will keep on managing the car like this, whenever it stalls with an AT light, i will turn off the key and wait for a minute or two, start again and i will drive smoothly, when it stalls with no AT, i start again instantly and continue the smooth ride.
The codes sets when AT comes up are usually related to lost communication,U0100 P0121
P0606 etc.
I read an article about throttle body relearn procedure, so i did as the manual said and it really made the stalling to almost go away especially with the AC on, as the AC on use to increase the RPM.
Jul 1, 2024 at 3:06 PM
Avatar
AL514
  • CERTIFIED EXPERT
  • 5,465 POSTS
The voltage testing at the TCM connector is not as difficult as it looks, you're really just probing the back of the connector with a multimeter and looking for the voltage level specified under the "value" column. But with this P0606 code popping up again, the vehicle might be losing its learned value for the throttle body (idle relearn) if theres a voltage loss occurring somewhere.

Because the U0100 code is a communications error with the TCM that looks to be coming from the PCM, so it's having an issue with talking to the transmission control module. And if the TCM is either losing power (which is usually the cause of a P0606 error) that means the throttle body relearn may also be lost and that is causing your stalling issue.

Since you have tried multiple PCMs with the same result, my thinking is now heading towards a damaged TCM due to the battery accident, in many cases the TCM will also use the throttle position data from the PCM to control the pressure in the transmission for different shift points.

Some times I like to power up a module on the bench and check for any communications voltage coming out, since it will be disconnected from the rest of the vehicle's network. Because it can be difficult to de-pin the Canbus wires from module connectors if you're not used to doing it, the TCM looks to have 3 power inputs (12v) and 3 Grounds. So let me know if I can do anything else to help here. Id really like to see you get this thing fixed, so you dont have to deal with these issues anymore.
What type of scan tool are you using currently?

The TCM is located right next to the PCM in the engine compartment, are you located in an area where getting parts is a challenge?
Jul 2, 2024 at 7:27 AM
Avatar
  • MEMBER
  • 45 POSTS
I will take my time to try another TCM, so far, the vehicle has improved, no stalling if i allow to warm up to 80°C before moving out and AC on while on the move.
Jul 7, 2024 at 11:33 PM
Avatar
AL514
  • CERTIFIED EXPERT
  • 5,465 POSTS
Are you still getting the same codes setting? With the key off, check the TCM connector, see if there's any corrosion or pins that look like they might have overheated. If you think about things improving when the vehicle warms up, circuit boards and connectors will expand when they heat up, so even a loose pin in a connector might make better contact when it gets up to temperature. The fact that they keep the TCM and other modules in the engine compartment is just not a good design, being exposed to the elements and various temperature changes. Thats one of the reasons I like to inspect connectors in locations where they can get corroded, corrosion shorts out pins together and it doesn't take much to do it. Just things to keep in mind.
Jul 8, 2024 at 1:58 PM
Avatar
  • MEMBER
  • 45 POSTS
Good day sir,
My car has been fixed, i parked it for a while, so i focused on it, i replaced the crankshaft, camshaft and throttle body sockets. All is fine now sir. Thank you for all the help.
Sep 6, 2024 at 10:56 PM
Avatar
AL514
  • CERTIFIED EXPERT
  • 5,465 POSTS
This post is a few months old, but replacing the harness connectors for those sensors and the throttle body took care of a communications code, it looks like you were having? That sounds like a 5volt reference circuit was being shorted out and taking down a module on the network. Glad its fixed though, always good to hear.
Sep 7, 2024 at 11:59 AM