Can I get the PCM pin out?

2015 DODGE CARAVAN
250,000 MILES • 3.6L • V6 • 2WD • AUTOMATIC
Avatar
FRENZA2012
  • MEMBER
  • 4 POSTS
having communication issues and need to find a pin out of the PCM.
Jan 31, 2024 at 6:21 PM
Advertisement
Avatar
JACOBANDNICKOLAS
  • CERTIFIED EXPERT
  • 110,175 POSTS
Hi,

As far as the connector pinout, I attached it below. After the connector view, there is a legend for the pins, wire type/color, gauge, and pin numbers

I'm not sure what is happening. Based on your post, it sounds like you should be looking at the information bus schematic (computer data lines). If that is the case, let me know.

Let me know if this helps or if you have other questions.

Take care,

Joe

See pics below.
Jan 31, 2024 at 6:51 PM
Avatar
FRENZA2012
  • MEMBER
  • 4 POSTS
If you have them to I'd love to have them! What a wonderful website, 13 years in the industry never heard of this site.
Jan 31, 2024 at 9:36 PM
Advertisement
Avatar
JACOBANDNICKOLAS
  • CERTIFIED EXPERT
  • 110,175 POSTS
Hi,

The first questions were answered in 1999. LOL (25th anniversary this year). Regardless, I'm glad the information helped.

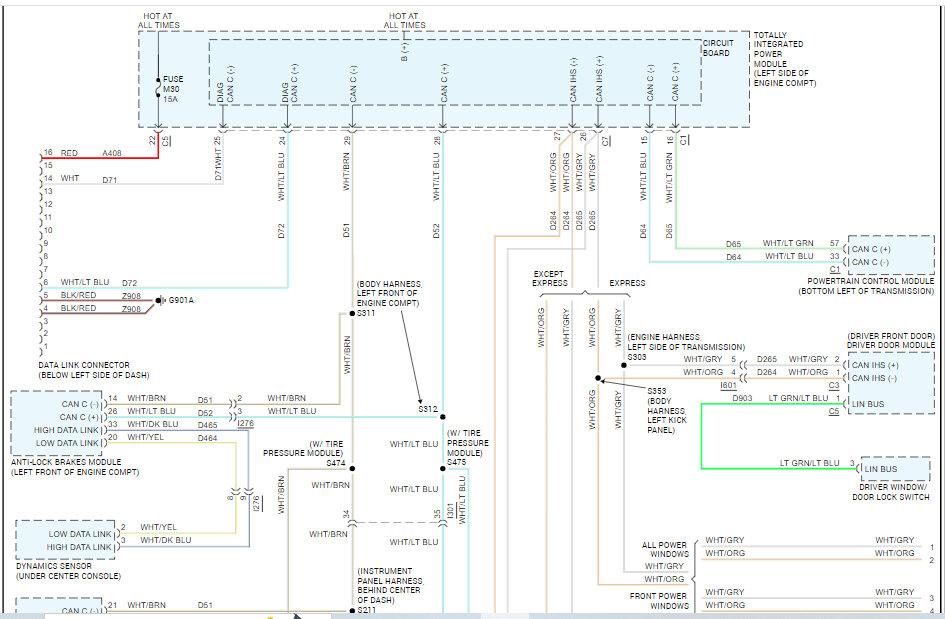
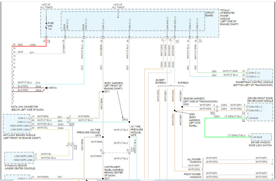
As far as the information bus, I attached the wiring schematics below. There were three pages of schematics. I had to cut each page in half to make them readable. I did overlap them so you can follow from one to the next.

Take good care of yourself and feel free to come back anytime in the future.

Joe

See pics below.
Feb 1, 2024 at 5:55 PM
Avatar
FRENZA2012
  • MEMBER
  • 4 POSTS
Amazing! Another quick question, does all this apply to a 2015 ram c/v? It looks identical to a caravan but it has no back seats. The pcm has a slightly different part number(last 2 digits). My guess is it might be a fuel map difference but it's still a 3.6. it also doesn't show up in the sites make and. Model unless it's the dodge van perhaps.
Feb 2, 2024 at 9:54 AM
Avatar
JACOBANDNICKOLAS
  • CERTIFIED EXPERT
  • 110,175 POSTS
Hi,

Sorry for the delay. This is job 3. LOL

I checked two manuals and saw no difference. The powertrain remains the same. As far as the number difference, that is likely related to option differences.

Let me know if this helps or if you have other questions.

Take care,

Joe
Feb 2, 2024 at 9:17 PM
Avatar
FRENZA2012
  • MEMBER
  • 4 POSTS
Hey Joe,

Sorry for the delay, we haven't had a chance to work on it yet until now.
Would you happen to have the second connector for the PCM? So far, your help is greatly appreciated!

Thank you!
Feb 19, 2024 at 10:12 AM
Avatar
JACOBANDNICKOLAS
  • CERTIFIED EXPERT
  • 110,175 POSTS
Hi,

For some reason, the connector view itself isn't available. The only thing, in two different manuals, that I could find was what each pin does with no orientation.

I don't know if it will help but take a look and let me know.

Joe

See pics below.
Feb 19, 2024 at 7:46 PM