PCM Pinout needed?

2017 DODGE JOURNEY
75,781 MILES • 3.6L • 6 CYL
Avatar
CDF108
  • MEMBER
  • 1 POST
I need a PCM pinout for the vehicle listed above Crossroads 2WD. I have been fighting low voltage and have replaced the battery, alternator, wiring harness and still can't seem to maintain more than 11.7 Volts.
Jul 10, 2023 at 9:36 AM
Advertisement
Avatar
STRAILER
  • CERTIFIED EXPERT
  • 53,854 POSTS
Did you reset the battery monitor? This must be done when replacing these parts, please check out the video and guide:

https://youtu.be/ETNv2S_idIU

and

https://www.2carpros.com/articles/step-by-step-guide-how-to-reset-an-automotive-battery-monitor

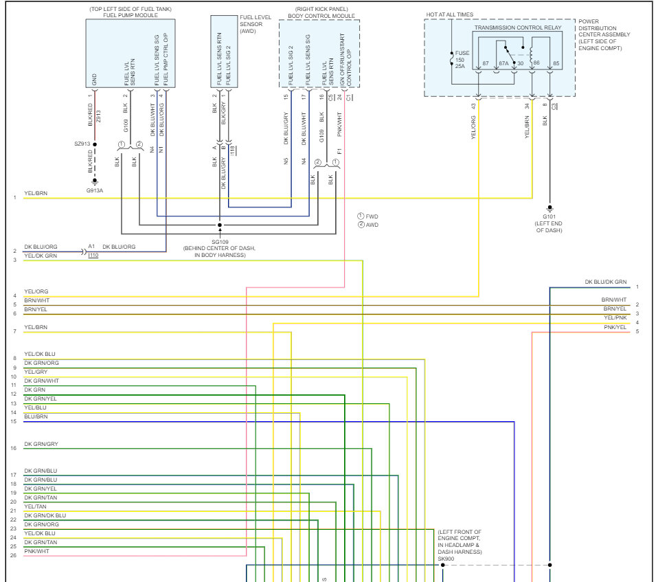
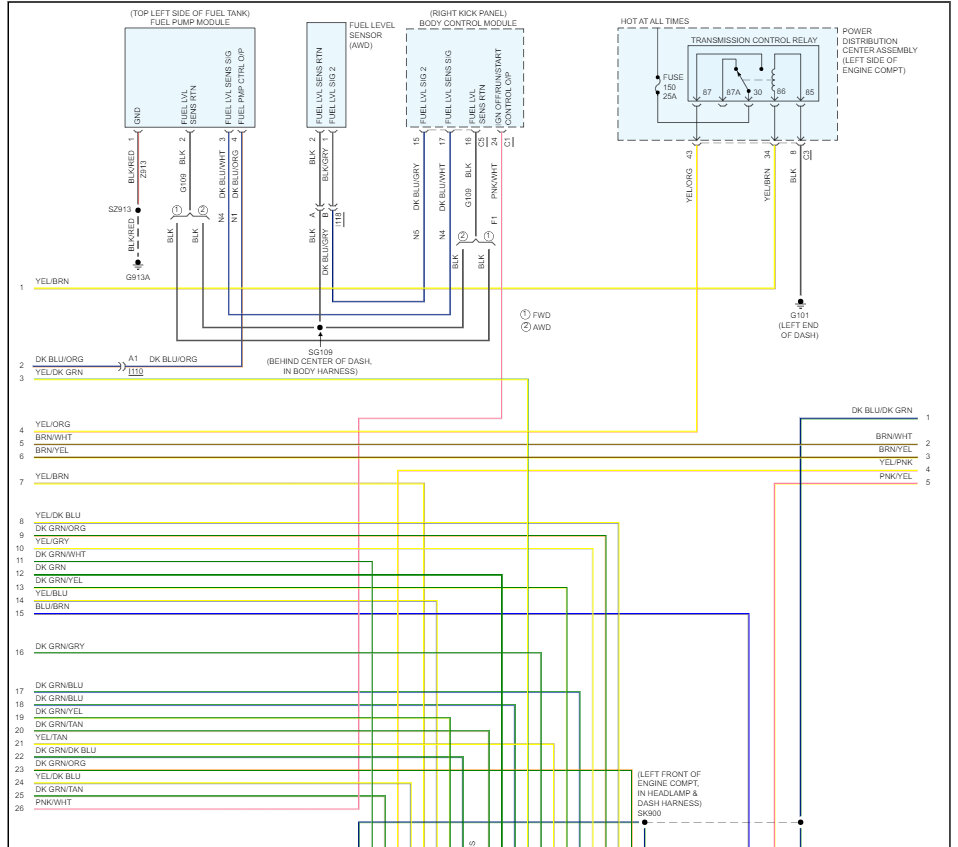
here is the PCM wiring diagrams as you have requested:

This guide can help you test the connections. Check out the images (below). Please let us know what you find.
Jul 10, 2023 at 1:18 PM