Hi, I need the pcm pin layout and also the cam position sensor pin layout to make sure mine is correct
Feb 20, 2026 at 10:46 AM
Advertisement
AL514
CERTIFIED EXPERT
5,465 POSTS
Hello, we can pull up those diagrams for you. Just give me a couple minutes
Feb 20, 2026 at 4:44 PM
AL514
CERTIFIED EXPERT
5,465 POSTS
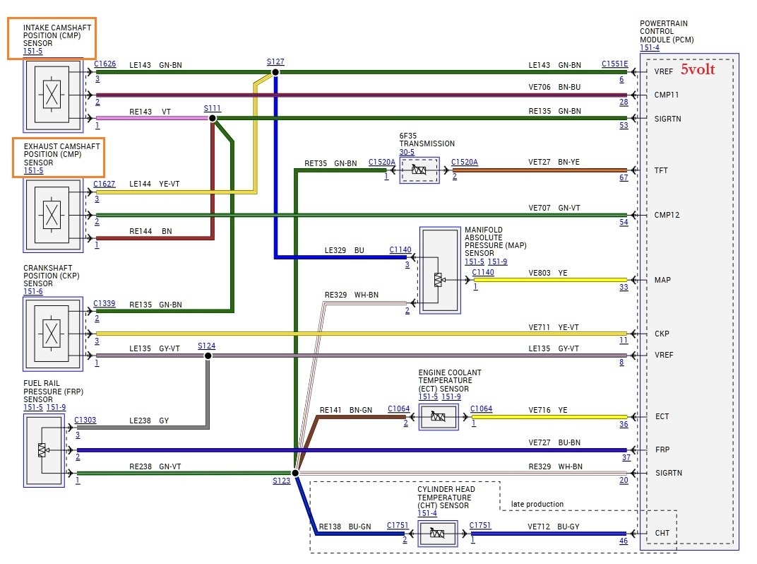
Here are the oem Cam and Crank wiring diagrams (diagram 1) and the PCM connectors and their pinouts. The 2 cam sensors share a 5volt reference which is also shared with the MAP sensor.
Images (Click to enlarge)
Feb 20, 2026 at 5:05 PM
Advertisement
CHAD.M.GESE
MEMBER
2 POSTS
Thank you for the pictures, and the 5 volt ref on the sensors, I will trace it down and make sure its correct. I have a p0365, and p0369 cam sensor b should be exhaust side, and the car runs one sensor a, when sensor b is plugged in it will kill it so I want to make sure its not grounding it out.
Feb 20, 2026 at 10:49 PM
AL514
CERTIFIED EXPERT
5,465 POSTS
Yes it could be a shared voltage being pulled down by, sounds like you're on the right track.