Pcm not getting power?

1998 FORD F-150
168,308 MILES • 4.2L • V6 • 2WD • AUTOMATIC
Avatar
MARKD1977
  • MEMBER
  • 53 POSTS
PCM is not powering up when I turn on the ignition switch. I replaced it with a new one but it still not working. At first, I thought it was the coil pack, so I replaced it still wouldn't start. Then replaced the crankshaft sensor and the cam sensor. Tracked it down to the no power to the PCM. Need help tracking down the problem.
Dec 25, 2024 at 6:24 PM
Advertisement
Avatar
STRAILER
  • CERTIFIED EXPERT
  • 53,854 POSTS
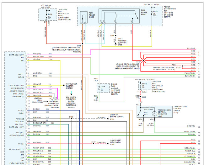
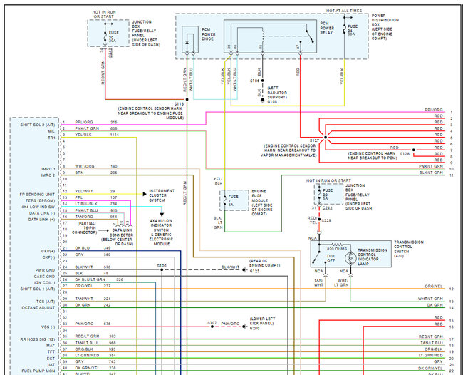
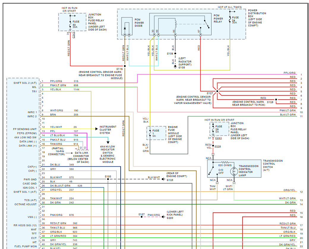
The first thing I would do is check the fuse # 24 in the fuse panel under the hood and if that is okay let's swap out the PCM power relay to see if the PCM gets power. here are the locations of the fuse and relay. Check out the images (below). Please let us know what happens.
Dec 26, 2024 at 1:31 PM
Avatar
MARKD1977
  • MEMBER
  • 53 POSTS
I have already done that; the fuse and relay are getting power. I'm not getting power from the ignition switch to the under-dash fuses or the PCM. Can the ignition switch cause this problem?
Dec 26, 2024 at 5:50 PM
Advertisement
Avatar
STRAILER
  • CERTIFIED EXPERT
  • 53,854 POSTS
Does the EEC relay click when you turn the key on?
Dec 27, 2024 at 10:37 AM
Avatar
MARKD1977
  • MEMBER
  • 53 POSTS
I don't know for certain, I don't hear it click, I replaced the old one. I tested the wires in the power distribution box and I'm getting 12 volts to everything there.
But the under-dash fuses box I'm not getting any power to the fuses for the PCM/ECU with key on or off. That's why I think the problem is in the ignition switch.
I have been trying to find a wiring diagram for the ignition switch but cannot find any info on Google for my specific model truck. I was driving and the truck just died ...
I have replaced the crankshaft sensor, the cam sensor, and the PCM/ECU and still no spark signal on the ground pulses of the coil.
I hooked up my code reader and it says I cannot communicate or connect.
I'm at my wits end on this dang thing. It my only vehicle and it's been broke down since September.
Dec 28, 2024 at 1:49 AM
Avatar
STRAILER
  • CERTIFIED EXPERT
  • 53,854 POSTS
There are 3 main fuses that run the ignition switch which you can see from the wiring diagrams below. Also, I have seen the GEM go out and cause problems like this as well. Check out the images (below). Let us know how it goes.
Dec 28, 2024 at 10:18 AM
Avatar
MARKD1977
  • MEMBER
  • 53 POSTS
How do I tell if it's a bad gem ?
Dec 30, 2024 at 12:46 PM
Avatar
STRAILER
  • CERTIFIED EXPERT
  • 53,854 POSTS
You will need to test the inputs and outputs, here is a guide to help and I have included the wiring diagrams as well. Did you test through the ignition switch? The GEM should be under the dash.

https://www.2carpros.com/articles/how-to-check-wiring

Check out the images (below). Let us know what you find.
Dec 31, 2024 at 11:16 AM
Avatar
MARKD1977
  • MEMBER
  • 53 POSTS
Okay, I haven't had a chance to test the ignition switch yet, but a friend told me to try hard lights and turn signals and wipers if they all worked good the gem was probably okay. I did that and everything works fine. Right now it's freezing rain here so I can not get out and test the ignition switch, but as soon as I do get a chance I will let you know.
Is there a place you would recommend that I start?
Jan 5, 2025 at 2:54 PM
Avatar
STRAILER
  • CERTIFIED EXPERT
  • 53,854 POSTS
Yes, I would start there.
Jan 6, 2025 at 9:51 AM
Avatar
MARKD1977
  • MEMBER
  • 53 POSTS
Sorry it took so long to get back to you.
I tested and replaced the ignition switch, but it still doesn't have power to the PCM fuses in the interior fuse panel.
What should I check next?
Jan 30, 2025 at 12:50 PM
Avatar
STRAILER
  • CERTIFIED EXPERT
  • 53,854 POSTS
There are two main fuses and the PCM power relay that supply power to the computer, Fuse #f24 in the under hood fuse panel which should be hot at all times, and the fuse #f30 in the fuse panel inside the truck which should only have power when the key is on. I would swap out the PCM relay as well which is under the hood fuse panel as well. Please use this guide to check for power.

https://www.2carpros.com/articles/how-to-check-a-car-fuse

Check out the images (below). Please let us know what happens.
Jan 31, 2025 at 10:06 AM
Avatar
MARKD1977
  • MEMBER
  • 53 POSTS
Can I use a horn relay to check the PCM power relay? Or is it different amps?
Feb 1, 2025 at 3:19 AM
Avatar
STRAILER
  • CERTIFIED EXPERT
  • 53,854 POSTS
Yep, you can use the horn relay.
Feb 1, 2025 at 10:01 AM
Avatar
MARKD1977
  • MEMBER
  • 53 POSTS
Sorry it took so long to get back to you. okay, tried switching the relays still not working, but I found this wire and don't know what it goes to, it had black tape around it.
Feb 26, 2025 at 12:59 PM
Avatar
MARKD1977
  • MEMBER
  • 53 POSTS
It's black with an orange stripe.
Feb 26, 2025 at 1:00 PM
Avatar
STRAILER
  • CERTIFIED EXPERT
  • 53,854 POSTS
I don't know where that goes. I would go back over this post and the wiring diagrams to see where you are losing power to the PCM.
Feb 27, 2025 at 10:56 AM
Avatar
MARKD1977
  • MEMBER
  • 53 POSTS
I've gone over and over it, I guess I'm just going to have to take it to a shop and get it fixed.
I have already put too much in it just to scrap it.
Thank for your help and time.
Feb 27, 2025 at 12:53 PM
Avatar
STRAILER
  • CERTIFIED EXPERT
  • 53,854 POSTS
Sounds good, please let me know what they say.
Feb 28, 2025 at 5:21 PM
Avatar
MARKD1977
  • MEMBER
  • 53 POSTS
Sorry it's been so long.
But I couldn't find anyone willing to work on it.
I tested the ignition switch wires , I. Getting voltage. But when I turn the key on to run I'm not getting any voltage to the PCM fuses in the interior fuse panel.
What could be causing this ?
Apr 25, 2025 at 9:24 AM
Avatar
STRAILER
  • CERTIFIED EXPERT
  • 53,854 POSTS
Is it fuse #f30 you are talking about? If so, this fuse gets its power from the ignition switch.
Apr 25, 2025 at 9:43 AM
Avatar
MARKD1977
  • MEMBER
  • 53 POSTS
Its fuse #20 and fuse #12.
Fuse number 30 is fine.
Apr 25, 2025 at 10:07 AM
Avatar
MARKD1977
  • MEMBER
  • 53 POSTS
Fuse 12 is the data link. It has power with the key off but not with the key on. Which makes no sense.
And fuse # 20 don't get power either way.
Apr 25, 2025 at 10:09 AM
Avatar
STRAILER
  • CERTIFIED EXPERT
  • 53,854 POSTS
Fuse #30 is okay I get that but does it have power?
Apr 27, 2025 at 11:17 AM
Avatar
MARKD1977
  • MEMBER
  • 53 POSTS
Yes it has power.
Apr 27, 2025 at 9:25 PM
Avatar
STRAILER
  • CERTIFIED EXPERT
  • 53,854 POSTS
That's good. We must be missing something; I would go over this post and recheck the tests and wiring diagrams.
Apr 28, 2025 at 10:57 AM
Avatar
MARKD1977
  • MEMBER
  • 53 POSTS
I have several times, you said that a bad gem module could cause this problem. Would it still allow everything to work? ?
But I have noticed that the driver's window won't go down, it just clicks. Does the gem control the window?
Apr 28, 2025 at 11:20 AM
Avatar
MARKD1977
  • MEMBER
  • 53 POSTS
Can you please tell me what the symptoms of a bad gem module would be?
May 10, 2025 at 9:44 AM