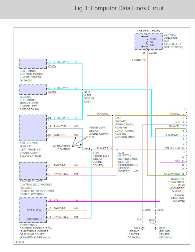
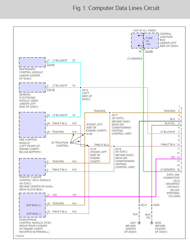
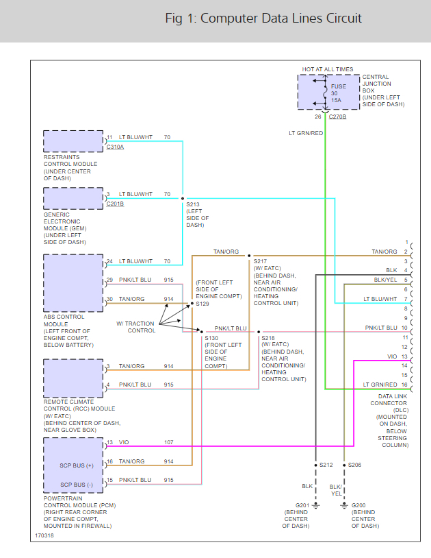
The car listed above (sohv)is running very rough. Checked it with my Bosch code reader, read "no response" from OBD II. Took it in a couple of weeks ago, when check trans-axle light came on (steady, not flashing) they said they could not communicate with the PCM, even though my code reader still did. They assumed it was a PCM failure since the trans-axle was working fine, but could not confirm without replacing the PCM, which they could not program. They checked the wiring, and said it was all fine. I was just wondering could it be anything other than a PCM failure?
Oct 2, 2018 at 5:09 AM



