Pats wiring confusing?

2003 FORD EXPEDITION
180,000 MILES • 4.6L • V8 • 2WD • AUTOMATIC
Avatar
DAVIDLAUREL7022
  • MEMBER
  • 10 POSTS
I’m trying to figure out what wire connects to what one I forgot to take a picture of it before I started pulling it apart now, I’m lost it’s the wires coming from the pats security box that are pigtailed, or t clipped into the other wires.
Apr 13, 2025 at 5:11 PM
Advertisement
Avatar
STEVE W.
  • CERTIFIED EXPERT
  • 15,113 POSTS
The PATS module isn't pigtailed or clipped into the system, it is an integral part of the harness. What you are describing sounds like an aftermarket alarm system.
Apr 13, 2025 at 8:06 PM
Avatar
DAVIDLAUREL7022
  • MEMBER
  • 10 POSTS
Can I send you a picture?
Apr 13, 2025 at 8:07 PM
Advertisement
Avatar
STEVE W.
  • CERTIFIED EXPERT
  • 15,113 POSTS
Just post them on the site. Use the add image button.
Apr 13, 2025 at 8:34 PM
Avatar
DAVIDLAUREL7022
  • MEMBER
  • 10 POSTS
Here's a couple.
Apr 13, 2025 at 8:39 PM
Avatar
DAVIDLAUREL7022
  • MEMBER
  • 10 POSTS
2
Apr 13, 2025 at 8:40 PM
Avatar
DAVIDLAUREL7022
  • MEMBER
  • 10 POSTS
They are coming from this box.
Apr 13, 2025 at 8:41 PM
Avatar
DAVIDLAUREL7022
  • MEMBER
  • 10 POSTS
This is the back of the security box.
Apr 13, 2025 at 8:44 PM
Avatar
STEVE W.
  • CERTIFIED EXPERT
  • 15,113 POSTS
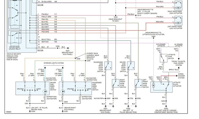
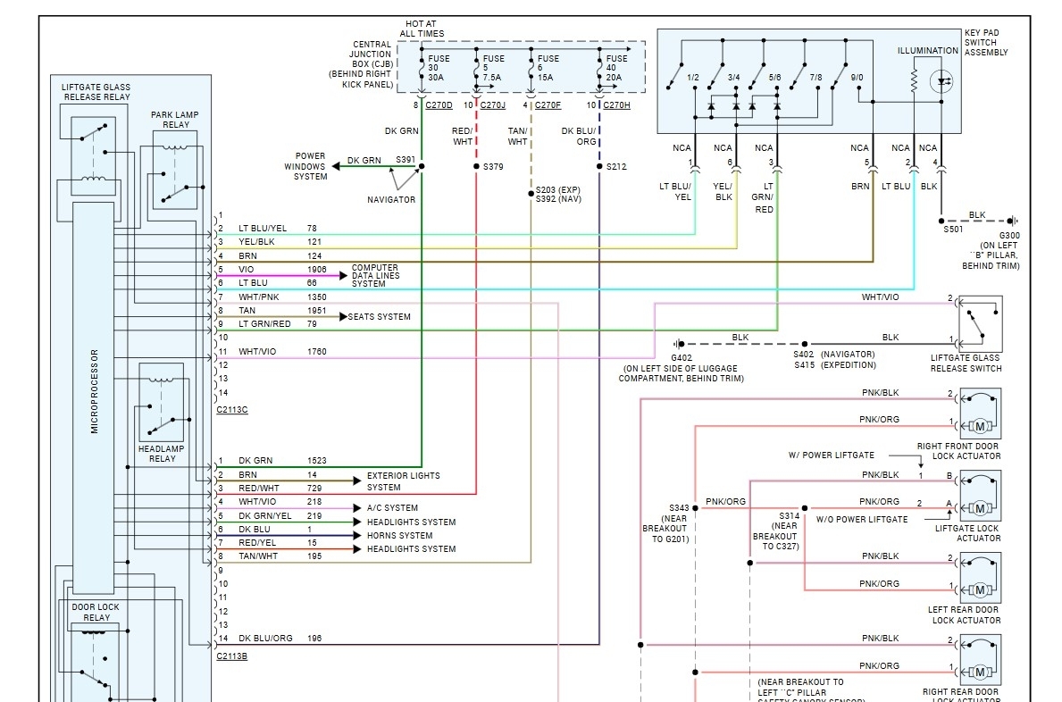
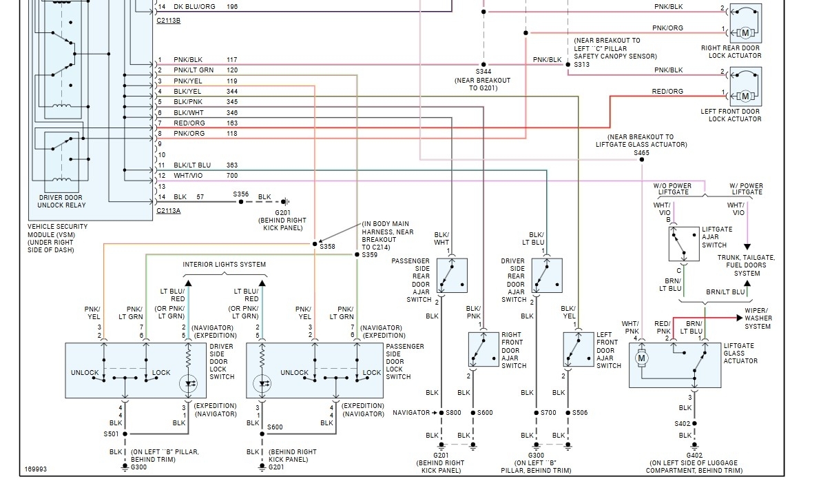
Okay, that is the optional factory alarm module nothing to do with the PATS system, but someone hacked it up and added it to yours using vampire taps and connectors. This is how it connects when done by the factory. It should at least point you to some of the wires.
Apr 13, 2025 at 8:56 PM
Avatar
DAVIDLAUREL7022
  • MEMBER
  • 10 POSTS
Okay, I’m not sure how to read those. sorry I'm new to all this.
Apr 13, 2025 at 9:00 PM
Avatar
STEVE W.
  • CERTIFIED EXPERT
  • 15,113 POSTS
The box on the left is the disconnected theft unit. The various wires that come from it are color coded and numbered at the connector as to where they go. Then you see the black dots? Those are connection splices. Dotted lines or outlines are for incomplete items. Say you have fuse 5 which comes out of the fuse box at terminal 10 and feeds the alarm at pin 3 in the B connector. The dotted lines at the top mean the fuse powers other items as well.

These might help you understand a bit better:

https://www.youtube.com/watch?v=mEJEHxlbn9o
https://www.youtube.com/watch?v=icOIfBwWIPc
https://www.youtube.com/watch?v=0r0ELnmZ0-k
https://www.youtube.com/watch?v=h3FsEV49CvM P1
https://www.youtube.com/watch?v=UTgc44iqd1c P2
https://www.youtube.com/watch?v=yV4ca2e4spo

If you look at the diagram you can see that from the factory this unit is connected into a lot of systems, adding it on after the fact is a mess as you have discovered now. Normally I would suggest just going into the wiring and finding any cut or spliced wires and removing the add-on item completely. For that though you would need wiring diagrams for each system as well as the original diagram without that added part. For that I would suggest getting service information yourself. You can get a limited version of what we use from Alldata or Mitchell. That way you can have all the information at your fingertips as well.
Alldata - https://www.alldata.com/diy-us/en
Mitchell - https://eautorepair.net/
Both offer the wiring and connector views as well as a tutorial on using them.
Both also have print options so you could print sections to .pdf files for later use... like after the subscription expired...
Apr 14, 2025 at 10:28 AM
Avatar
DAVIDLAUREL7022
  • MEMBER
  • 10 POSTS
Thanks I’ll watch and like always great learning new things.
Apr 14, 2025 at 1:45 PM
Avatar
STEVE W.
  • CERTIFIED EXPERT
  • 15,113 POSTS
There are more out there but these folks all present it in an easier to follow method. It can get very complicated these days with everything being networked and interwoven.
Apr 14, 2025 at 2:46 PM