PATS error code 12?

2000 FORD RANGER
180,000 MILES • 3.0L • V6 • 4WD • AUTOMATIC
Avatar
SALTYTHESALTSHAKER
  • MEMBER
  • 4 POSTS
Alright maybe I can get some help here. I changed out my shift tube on my steering column due to it breaking on my truck during a delivery. Well, shortly after returning to the store a customer decided to reach behind the counter and steal the keys. well, we had the OEM Ford key that the pickup came with off the lot with that was really worn down so we used that to unlock the steering column (no transmitter so we didn't try and start it). well, we get it home i did as i said above but it sat for a week before i took it to a local Ford dealer and 2 times now (they charged me for both attempts so 4 keys total) that there was an open circuit somewhere and pats code 12 everybody shows a fix with the original key or say take it to a dealer. Keep in mind i did nothing to the key area just to the shift tube... Also, they called and said either come up here and unlock the column or they're going to drill it out so I'm not sure where to start on this issue so i have 3 keys 2 transponders and a pats system that refuses to code the new keys.
Sep 26, 2022 at 6:45 PM
Advertisement
Avatar
STRAILER
  • CERTIFIED EXPERT
  • 53,854 POSTS
It sounds like the PATS module is out but to be sure let's make sure there is power at fuse #19 and #26 in the fuse panel on the left side of the dash.

This guide can help you:

https://www.2carpros.com/articles/how-to-check-a-car-fuse

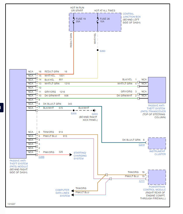
Here is the PATS module location which I would unplug and check for corrosion on one or more of the electrical terminals. Also, I have included the wiring diagrams for the PATS systems so you can see how it works. Check out the images (below). Please let us know what you find. We are interested to see what it is.

Sep 27, 2022 at 10:21 AM
Avatar
SALTYTHESALTSHAKER
  • MEMBER
  • 4 POSTS
Thanks for getting back, Ken, I indeed do have power to fuse 19 and 26 believe it or not that was one of the first things I checked.
Sep 27, 2022 at 11:21 AM
Advertisement
Avatar
SALTYTHESALTSHAKER
  • MEMBER
  • 4 POSTS
I think the transceiver itself burnt out after taking it to a local Ford dealership because if I unplug it I get Error 11 and if I plug it back in I get 12 again.
Sep 27, 2022 at 12:16 PM
Avatar
STRAILER
  • CERTIFIED EXPERT
  • 53,854 POSTS
Yep, that is what I was going to suggest next for you. Let me know what they say please.
Sep 29, 2022 at 12:49 PM