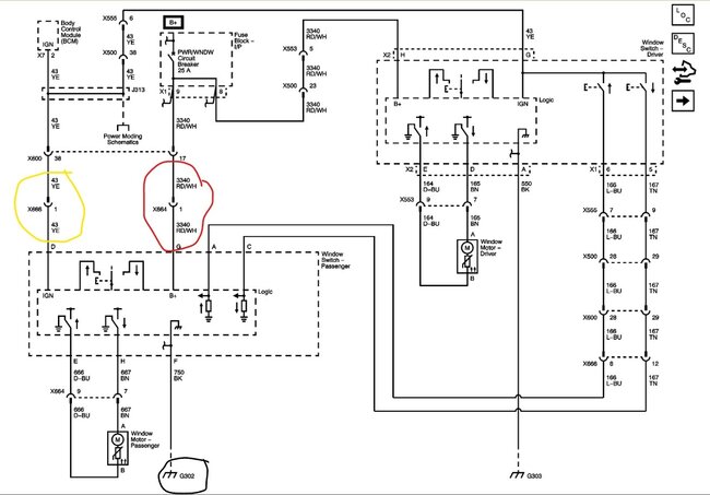
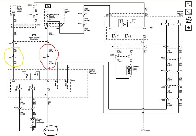
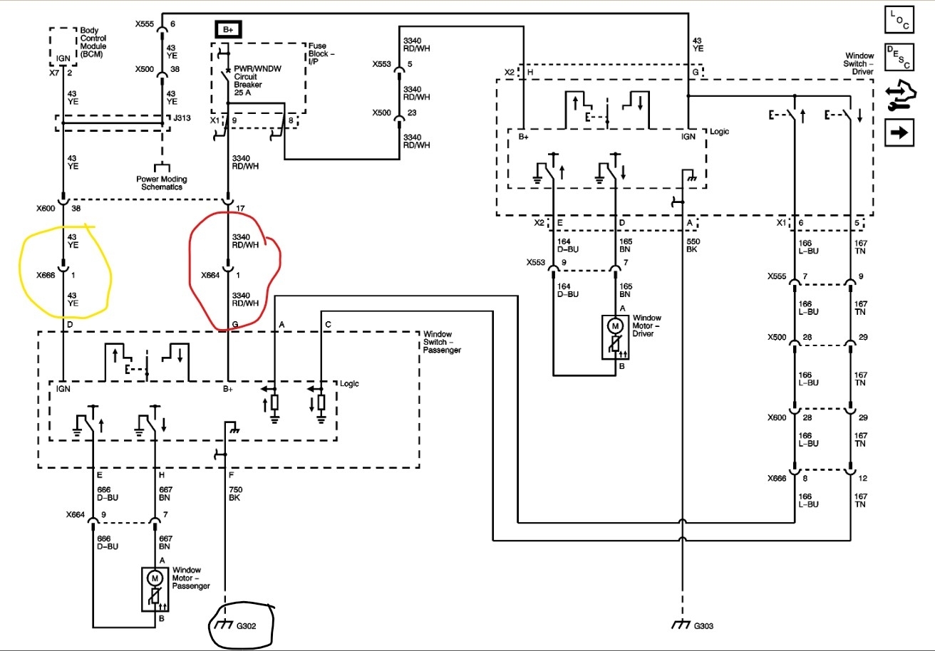
The front passenger window not operating began as an intermittent issue. It would occasionally work again after shutting the door hard. Then it stopped working all together. I can hear a clicking noise in the switch when I try to operate the window from either the driver or passenger side. I assumed that meant I was getting power and the problem was most likely the motor. I pulled apart the door and I have don’t have power to the motor/regulator. I bench tested the motor and it operates when voltage is applied. Is this as simple as changing out a passenger switch? Thanks!
Aug 29, 2025 at 5:22 PM
