Passenger window not working properly?

2005 VOLKSWAGEN POLO
86,000 MILES • 1.4L • 3 CYL • 2WD • MANUAL
Avatar
KJONES99
  • MEMBER
  • 2 POSTS
I have the vehicle listed above Polo 9n and the passenger side window works for a small amount of time and then completely stops no clicking/sound from motor when button is pressed. The only way I can get it to work again is to remove the door card and unplug the motor for 30 seconds and then it works again for a short period. I have checked the wiring in the door and in between all seems fine. I have also changed the motor and switch but having no success in a normal working window. Please help
Aug 21, 2023 at 2:41 PM
Advertisement
Avatar
STRAILER
  • CERTIFIED EXPERT
  • 53,854 POSTS
It sounds like the master window switch is bad. To be sure this guide can help you test the power and ground to see where you are losing power:

https://www.2carpros.com/articles/how-to-use-a-test-light-circuit-tester

This guide may help as well:

https://www.2carpros.com/articles/electric-window-repair

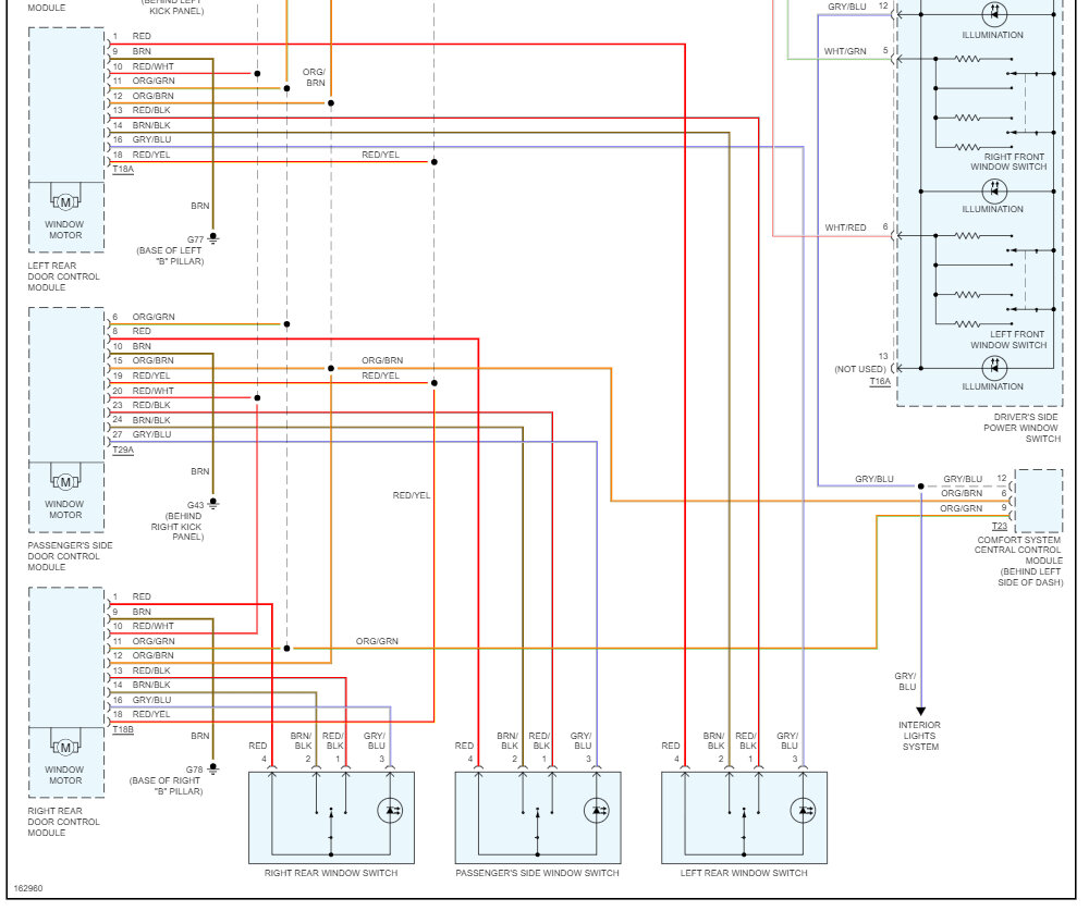
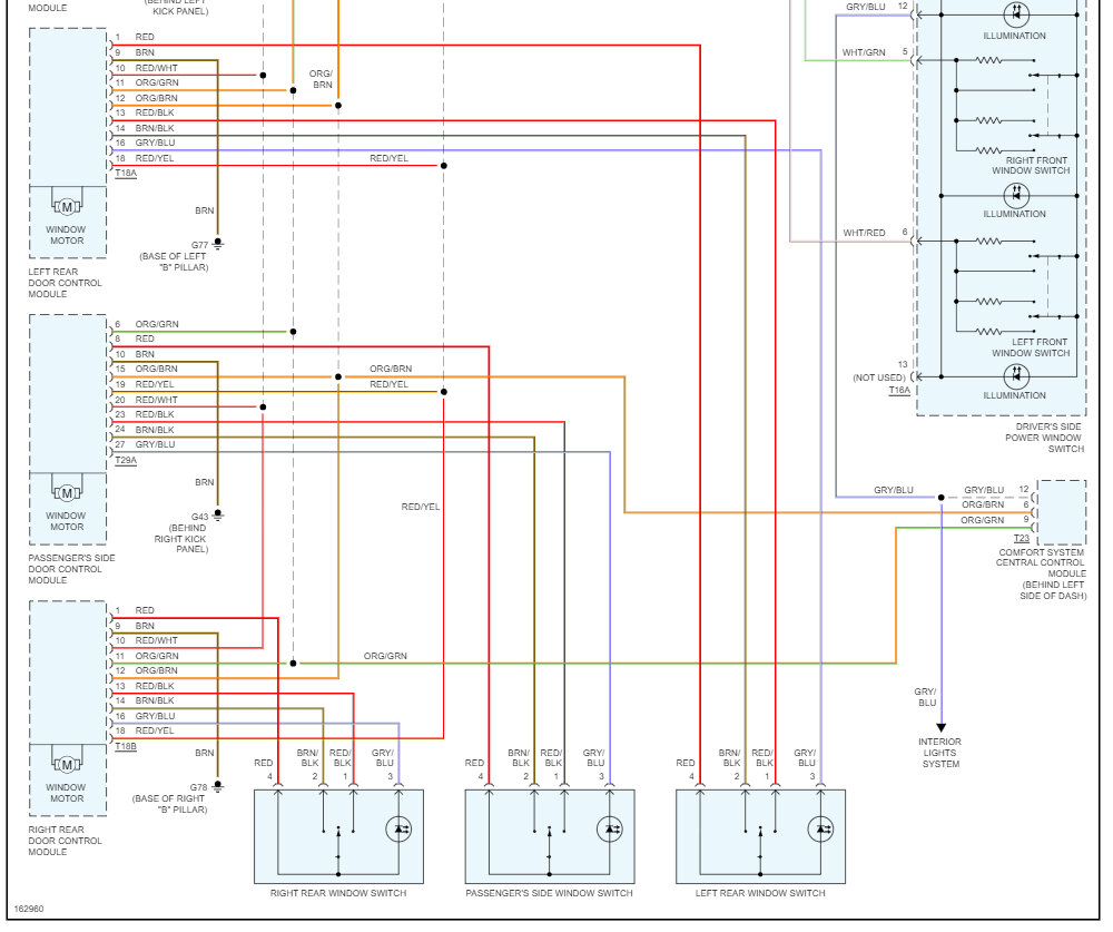
Here are the window wiring diagrams so you can see how the system works and which wires to test. Check out the images (below). Let us know what happens and please upload pictures or videos of the problem so we can see what's going on.


Aug 22, 2023 at 12:02 PM
Avatar
KJONES99
  • MEMBER
  • 2 POSTS
I have found that both motors have a constant 12v power to each. However, when I unplug and plug the passengers motor back in for it to start working my test light will no longer light up while touching the constant power supply wire in the driver's motor? I am so confused with this now.
Aug 23, 2023 at 1:53 PM
Advertisement
Avatar
STRAILER
  • CERTIFIED EXPERT
  • 53,854 POSTS
It sounds like you have a broken wire near the door jam or a bad ground. Please upload a video of the problem so we can see what's going on.
Aug 24, 2023 at 11:02 AM