Passenger taillight and passenger front marker light out

2014 HYUNDAI SONATA
105,000 MILES • 2.4L • 2WD • AUTOMATIC
Avatar
SUMMERC
  • MEMBER
  • 1 POST
I have both of these light on the passenger side not working. I have replaced the taillight harness thinking that was the cause in the back but no luck. Has anyone ever had this problem that could help? I checked and all fuses are also good.
Mar 4, 2019 at 9:35 AM
Advertisement
Avatar
STRAILER
  • CERTIFIED EXPERT
  • 53,854 POSTS
Hello,

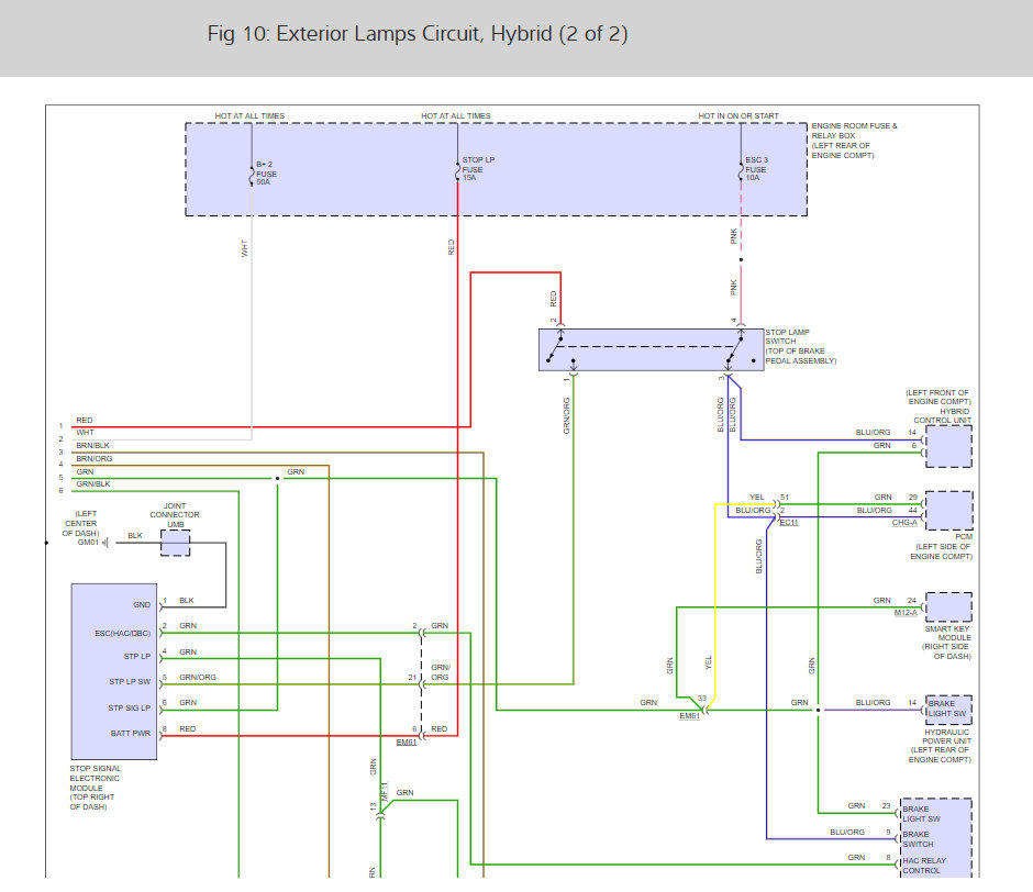
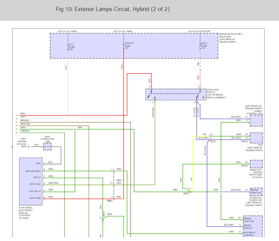
Can we check for power at the Room LP in the interior fuse panel please? Here is a guide to help us and the running light wiring diagrams so you can see how the system works. I have included the fuse panel diagrams as well.

https://www.2carpros.com/articles/how-to-check-a-car-fuse

Check out the diagrams (below). Please let us know what you find. We are interested to see what it is.
Mar 5, 2019 at 11:01 AM