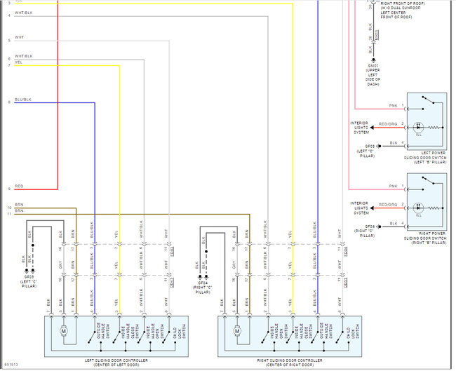
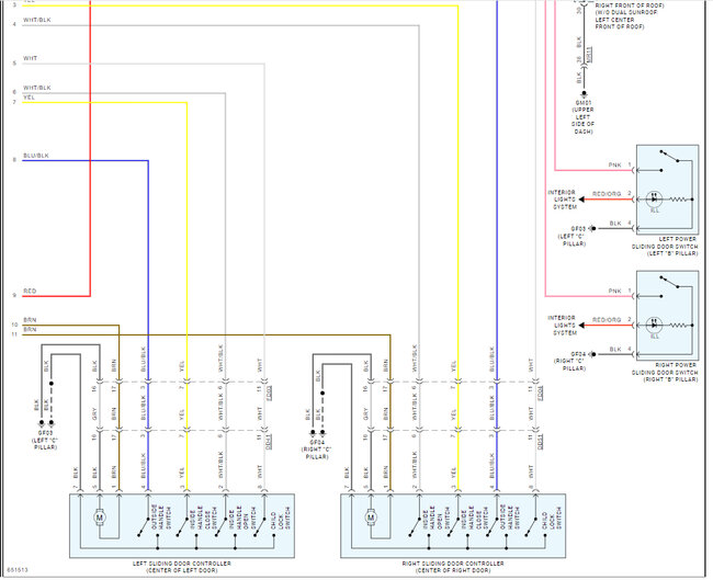
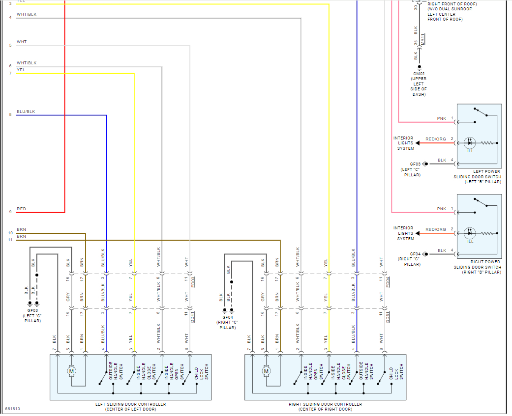
Driver's side sliding door works properly. Passengers side doesn't. Press console button and you get an engaging sound and it starts to move, but doesn't go anywhere with a beep. Press outside button and nothing. Press side button on post and it beeps, but not open or close. It opens manually.
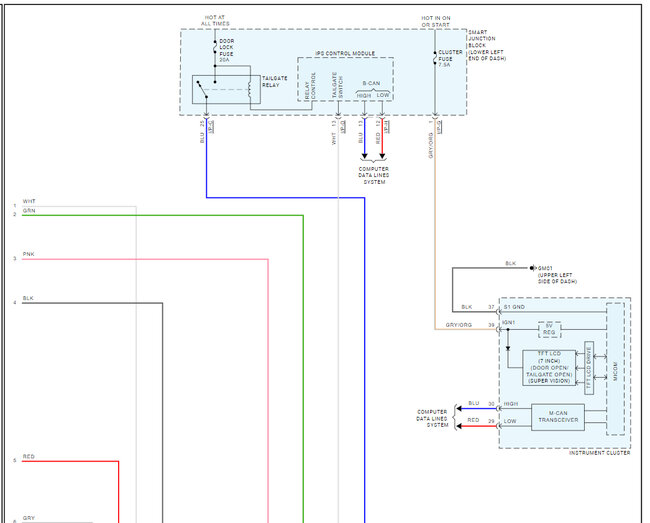
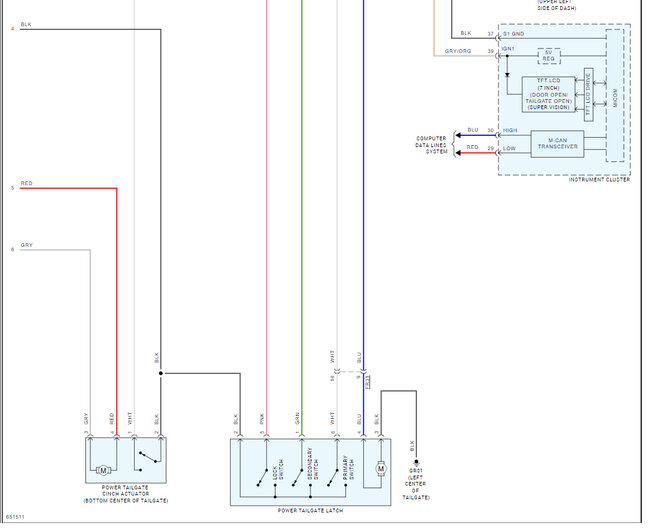
Liftgate button doesn't work (not power close), but when you press and hold down the trunk button on key fob the taillight's blink twice and the button works. I hope this is a common issue. I did turn the fuse box off for 1 minute and back on and did the reset thing. Didn't work. Maybe a solenoid in the engine fuse box?
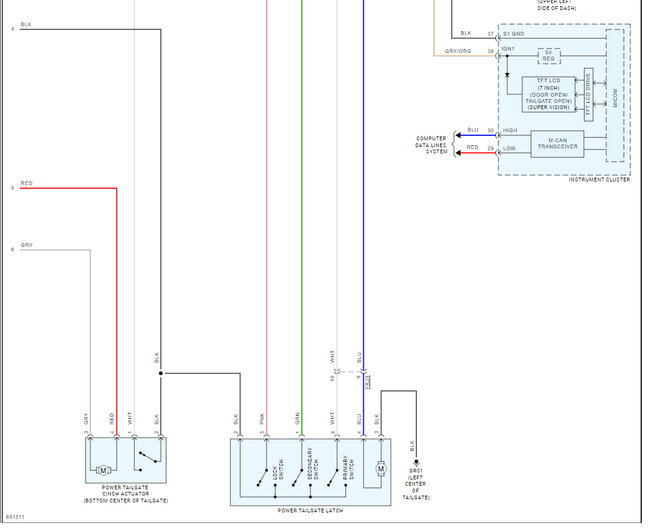
Liftgate button doesn't work (not power close), but when you press and hold down the trunk button on key fob the taillight's blink twice and the button works. I hope this is a common issue. I did turn the fuse box off for 1 minute and back on and did the reset thing. Didn't work. Maybe a solenoid in the engine fuse box?
Aug 4, 2024 at 8:27 PM








