There is a PRK LMP RT fuse that needs to be checked in the fuse panel under the hood, here is a guide to help and the fuse location as well. Also, the BCM runs the system and has many fuses check please check all fuses in the under-hood and the left fuse panel under the dash with the key on, engine off.
https://www.2carpros.com/articles/how-to-check-a-car-fuse
If the fuse are good, it looks like the BCM went out which you can get a rebuilt -preprogrammed unit by searching google or eBay. You can confirm the issue by doing a CAN scan.
https://www.2carpros.com/articles/can-scan-controller-area-network-easy
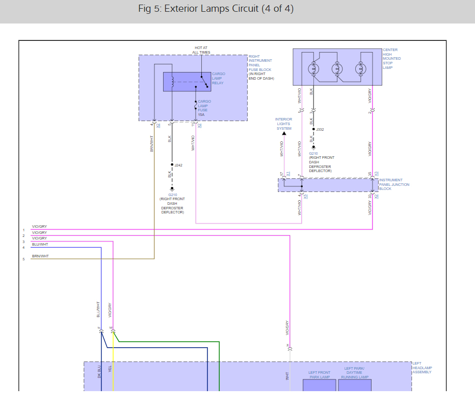
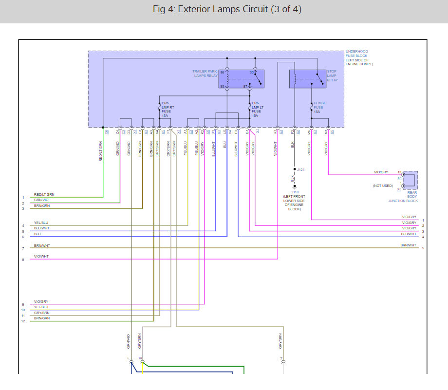
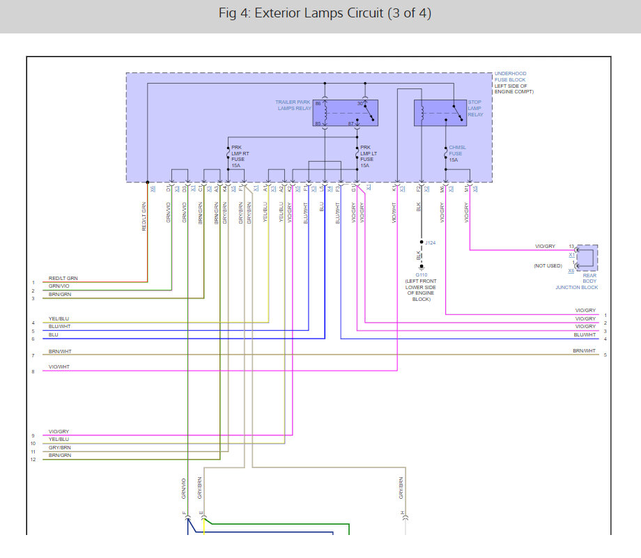
Here is how to change the BCM out and I have included the headlight and running light wiring diagrams so you can see how the system works with the BCM. Check out the images (below). Please let us know what happens.
Images (Click to enlarge)
Feb 9, 2023 at 11:45 AM