Passenger side front blinker not working

2006 HONDA ODYSSEY
150,000 MILES • 2WD • AUTOMATIC
Avatar
ROSSMDEAR
  • MEMBER
  • 1 POST
The title sums up the issue but I will include what has been tested.
1. Replaced the bulb - still did not work - tried that bulb on driver side and the bulb worked
2. Replaced the light assembly on the steering column and still did not work.
3. Used a tester (connected to negative battery) and tested the bulb "holder" on passenger side - it has power.
4. Removed the "holder" and tested the next "holder 2" and it had power.
5.Tested the fuses with the tester and the fuse would generate a beep beep beep sound when the blinker was on.

Now I am clueless where to go from here. My mechanic did all of this with me and he is clueless as well! It is just the one blinker that does not work. Everything else (hazards, front driver side, and both rear blinkers) works just fine.

Any help would be appreciated.
Oct 24, 2018 at 3:55 PM
Advertisement
Avatar
DANNY L
  • CERTIFIED EXPERT
  • 5,648 POSTS
Hello, I'm Danny
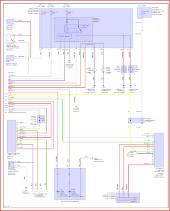
Have you tested the Bulb Socket for a proper Ground? I've attached a tutorial and a wiring diagram for your car.Let me know if this helps and feel free to ask any questions.Thanks for using 2CarPros.
Danny-

https://www.2carpros.com/articles/how-to-check-wiring
Oct 25, 2018 at 6:06 PM