The passenger side blows hot not getting signal?

2013 FORD FUSION
118,000 MILES • 2.0L • 4 CYL • 2WD • AUTOMATIC
Avatar
BRYANB52
  • MEMBER
  • 1 POST
Diagnosed that passenger side blend door actuator is good, (but not getting signal from wires). Is this a head unit malfunction or faulty wiring??
Aug 26, 2024 at 6:09 AM
Advertisement
Avatar
STRAILER
  • CERTIFIED EXPERT
  • 53,854 POSTS
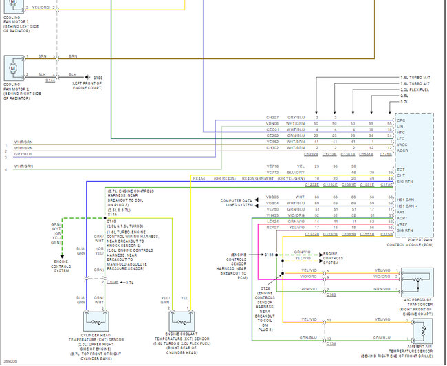
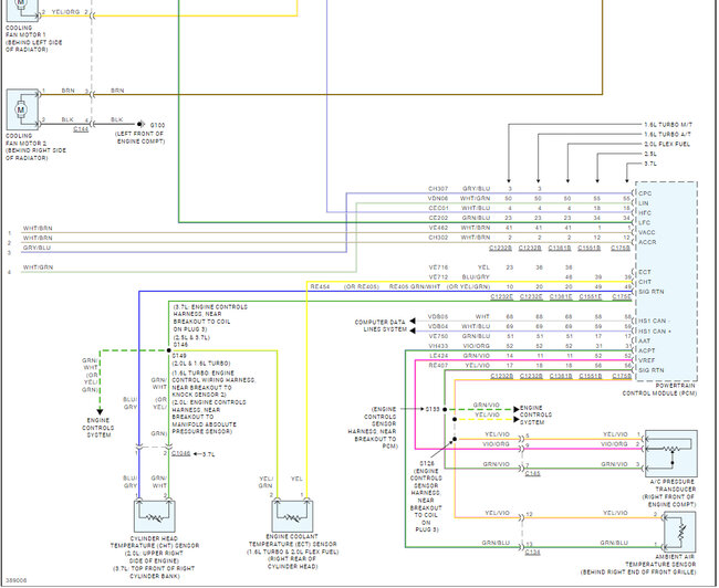
It could be faulty wiring but unless the wiring has been messed with it will be rare, can I ask if you replaced the actuator? Sometimes they will test okay but not work in real time service. Also, do you have the correct actuator that controls the temperature on the passenger's side? Here is the correct location to make sure we are on the same page. Here is a guide to help check the wiring and the HAVC system wiring diagrams so you can see how the system works and which wires to test.

https://www.2carpros.com/articles/how-to-check-wiring

Check out the images (below). Please let us know what happens.
Aug 26, 2024 at 8:48 AM