Passenger side blend door replacement

2005 HUMMER H2
122,000 MILES • 6.0L • V8 • 4WD • AUTOMATIC
Avatar
RWRIGHTEAR
  • MEMBER
  • 1 POST
Blend door is defective. Passenger side blows hot air only regardless of temperature setting on thermostat. How difficult is it to change blend door actuator?
Nov 30, 2017 at 6:39 PM
Advertisement
Avatar
STEVE W.
  • CERTIFIED EXPERT
  • 15,113 POSTS
You have to remove the entire instrument panel and center console because they located the actuator for the passenger side on the top of the HVAC box.

This guide can help

https://www.2carpros.com/articles/replace-blend-door-motor

Removal procedure:

Disconnect the negative battery cable.
Remove the passenger insulator.
Disconnect the brake release lever from the instrument panel (I/P).
Remove the screws from the data link connector.
Remove the data link connector from the I/P.
Remove the I/P center console.
Remove the I/P center trim panel.
Remove the left and right I/P side trim.
Remove the assist handle.
Remove the I/P compartment.
Remove the drivers knee bolster.
Remove the left accessory trim plate.
Remove the right accessory trim panel.
Remove the I/P air bag module.
Remove the steering column.
Remove the I/P cluster.
Remove the I/P upper trim pad.
Remove both windshield garnish moldings.
Remove the radio from center stack.
Remove the HVAC control.
Remove the Onstar(R) module from center stack.
Remove the traction control, air ride switch module assembly.
Remove the transfer case control switch module.
Remove the rear wiper switch.
Remove headlamp switch.
Remove the upper HVAC air temperature sensors from the HVAC ducts.
Remove the lower HVAC air temperature sensors from the HVAC ducts.
Remove the nut from the I/P carrier center support.
Remove the upper I/P carrier bolts.
Remove the drivers and passenger side I/P carrier bolts.
Disconnect the electrical connections from the body control module (BCM) to the body harness.
Remove the wiring harnesses through the openings in the I/P retainer.
Remove the I/P assembly from the vehicle.

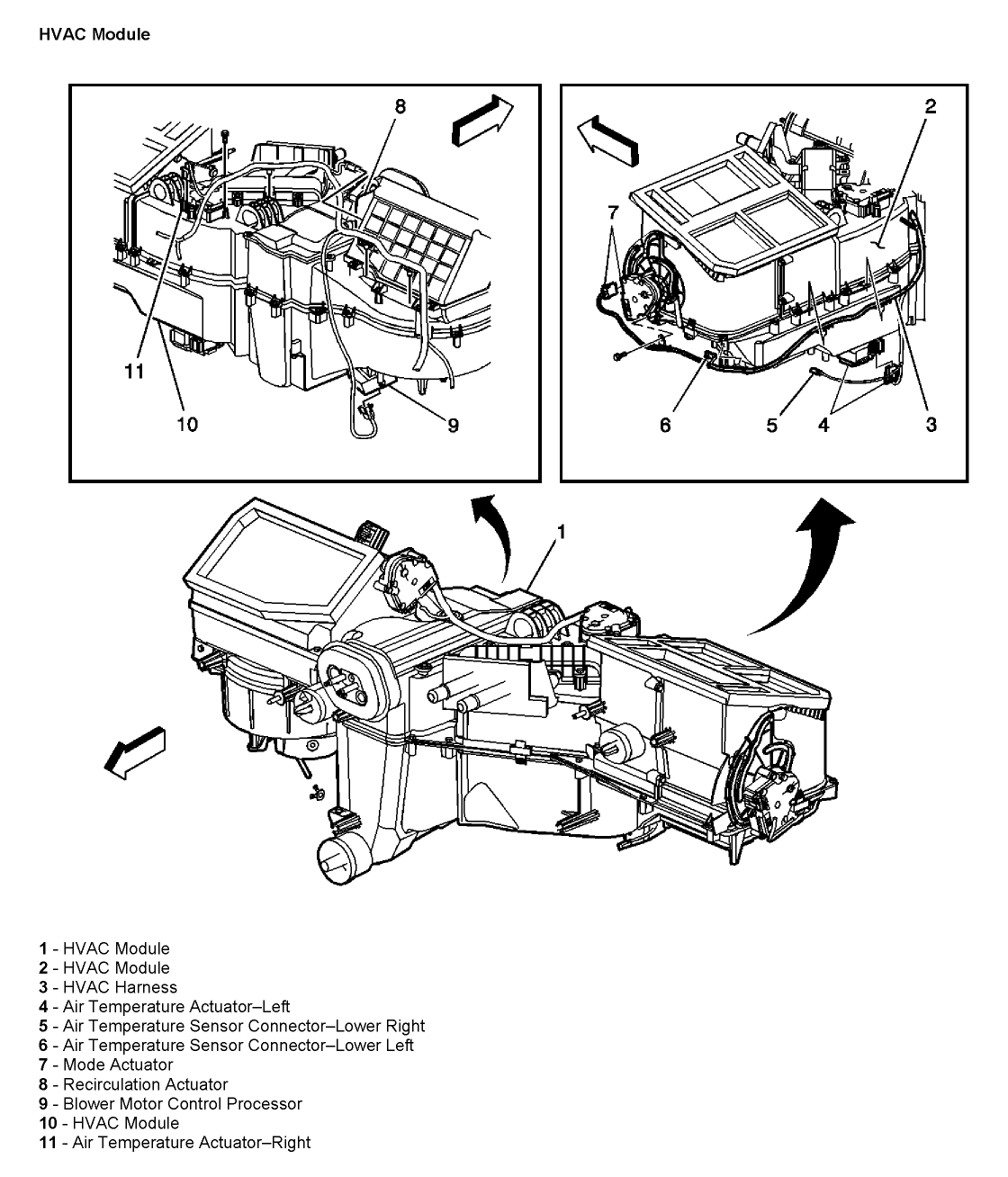
Now you can get to the actuator that is screwed in place on the top of the HVAC box to replace it.

Check out the diagrams (Below). Please let us know if you need anything else to get the problem fixed.
Nov 30, 2017 at 8:52 PM
Avatar
JAKE T MERRILL
  • MEMBER
  • 1 POST
Air only comes out my defrost vents, does not come out any other vents?
Oct 29, 2019 at 5:00 PM (Merged)
Advertisement
Avatar
HMAC300
  • CERTIFIED EXPERT
  • 48,601 POSTS
i'llsend a generic drawing. you'll have to check to see if the actuators are working or not. they may not be getting power to them. you can try pulling the hvac fuse(heater) to see if the control will readjust. that workssometimes. leave it out for about a minute or so.
Oct 29, 2019 at 5:00 PM (Merged)