Passenger right side door complete wiring hardness diagram PDM needed?

2003 GMC SIERRA
180,000 MILES • 4.8L • V8 • 2WD • AUTOMATIC
Avatar
RG69
  • MEMBER
  • 1 POST
Looking for front passenger side door wiring diagram layout complete pdm.
Mar 22, 2025 at 3:44 PM
Advertisement
Avatar
STRAILER
  • CERTIFIED EXPERT
  • 53,855 POSTS
Hello,

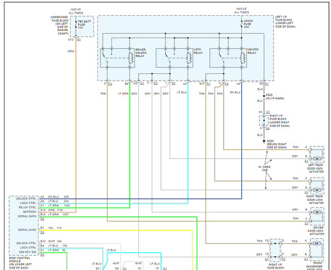
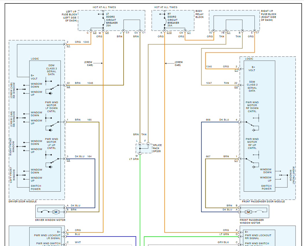
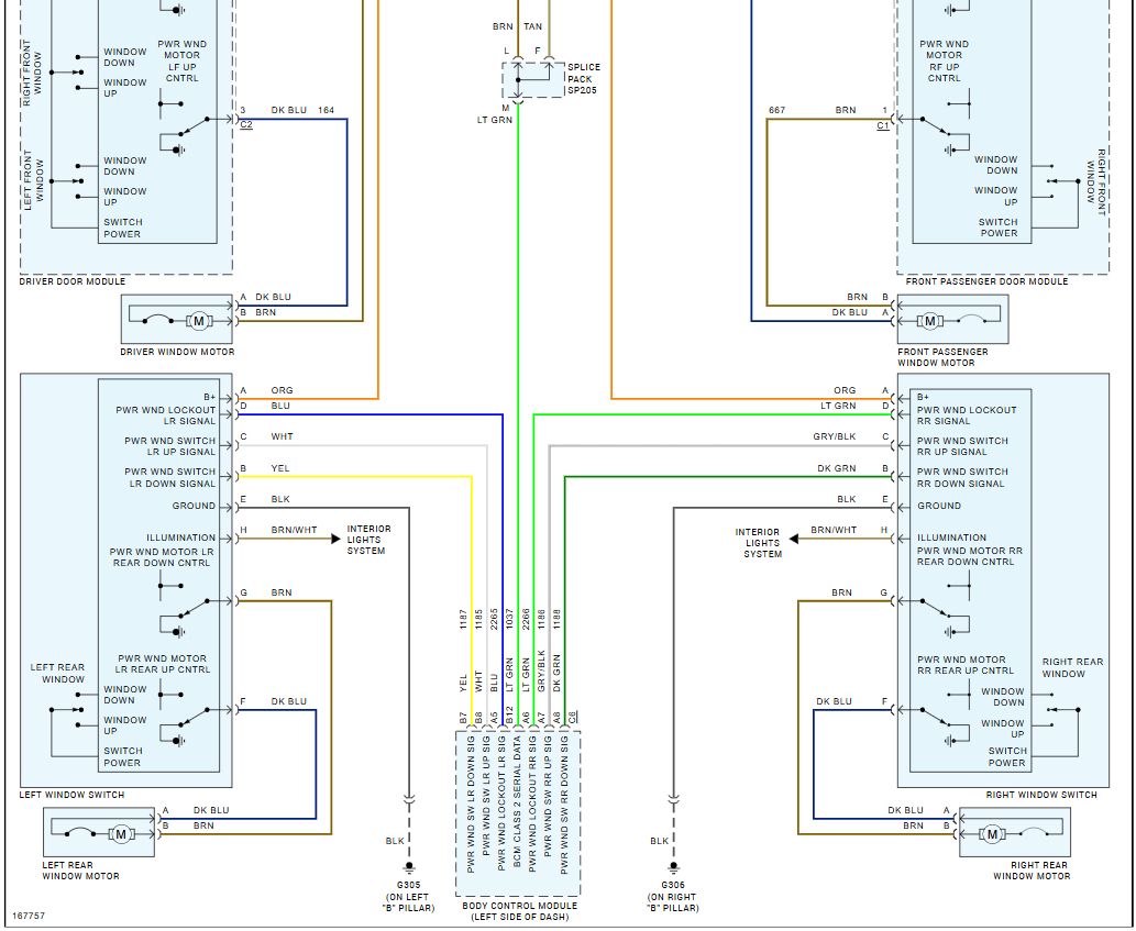
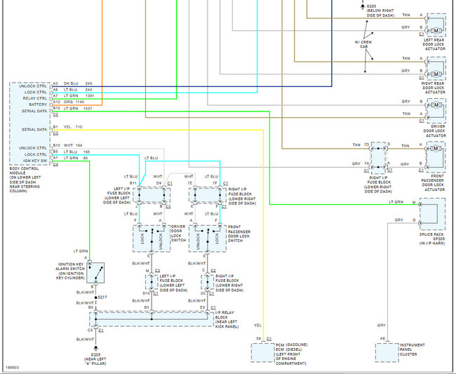
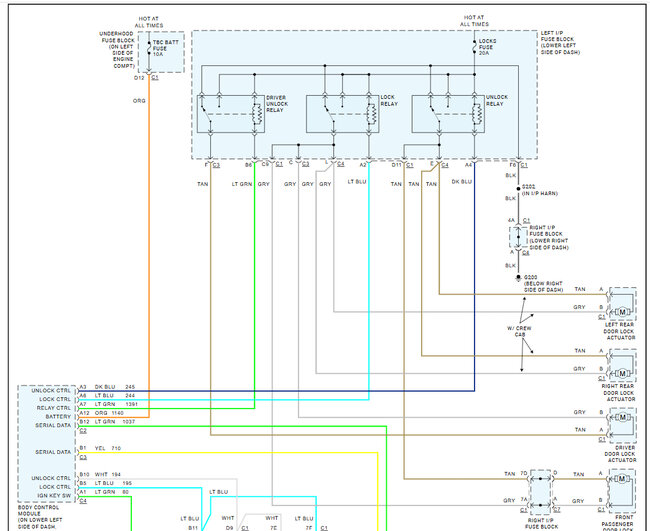
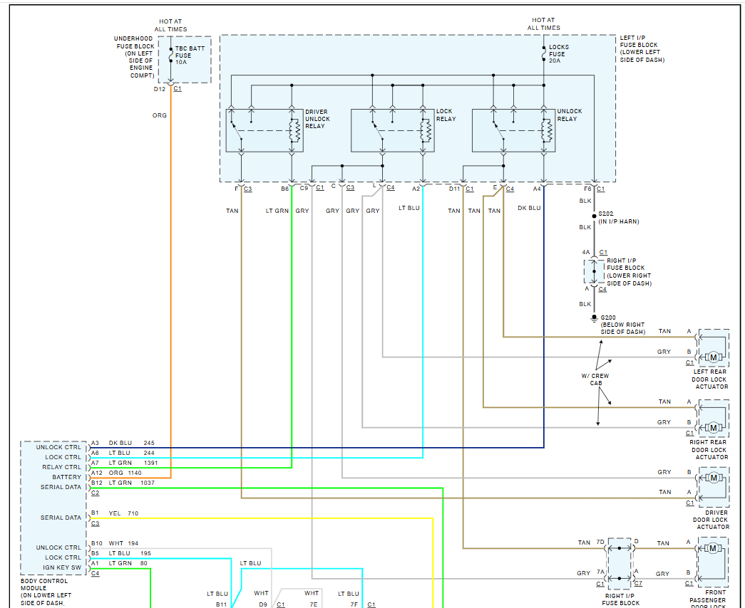
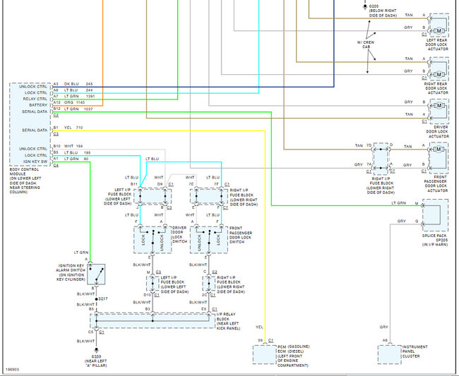
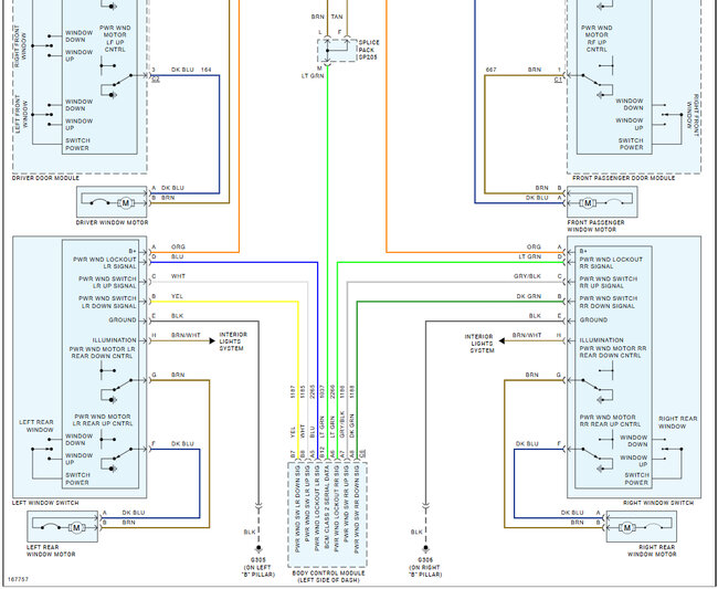
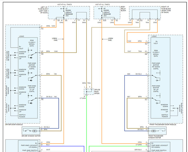
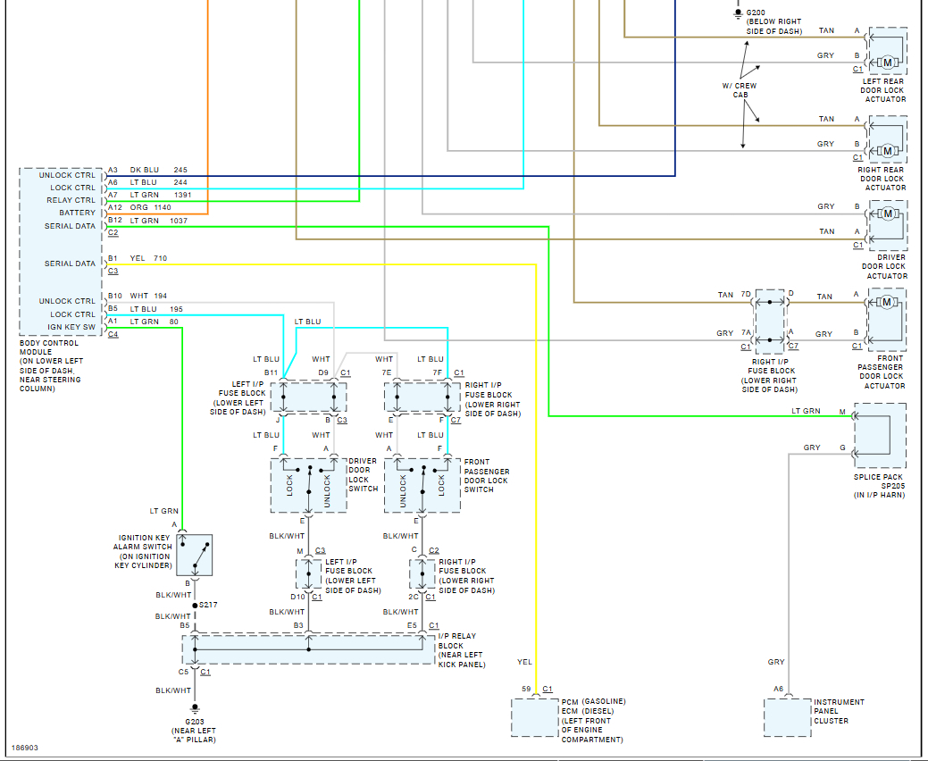
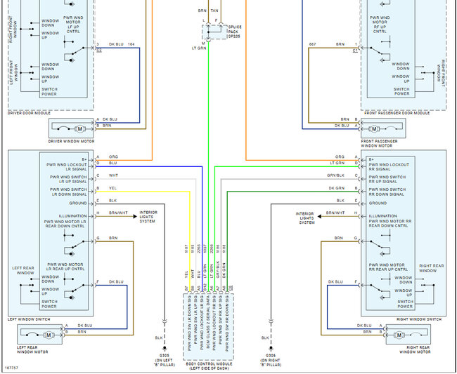
Here are the wiring diagrams for the door locks, window and PDM. Also, I have included a guide to help you with any testing you may need.

https://www.2carpros.com/articles/how-to-check-wiring

Check out the images (below). Let us know if you need anything else.


Mar 23, 2025 at 10:16 AM
Avatar
RG69
  • MEMBER
  • 1 POST
Thanks for your helpful ideas and advice, but I need 'Free' app that I can get free access to diagrams and any other shared information about helping consumers like me without having to pay for or sign up for monthly or yearly subscription contract co-payment plan! I just need help and some questions to ask if anything is "Free" of charge information, we're all trying to save a few bucks!
Mar 26, 2025 at 12:57 PM
Advertisement
Avatar
STRAILER
  • CERTIFIED EXPERT
  • 53,855 POSTS
I hear ya, I don't know of anything free as far as wiring diagram except this site.
Mar 27, 2025 at 8:38 AM