Hi,
Okay, did you replace the master switch on the driver's side or only the passenger side?
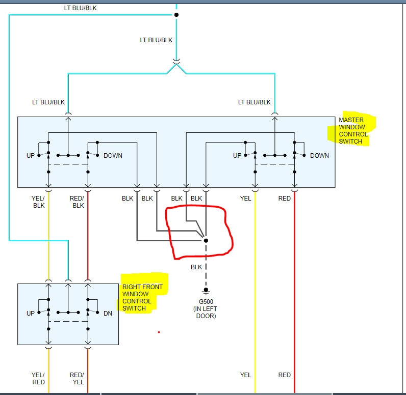
If you look at the attached pic, note that the light blue/black tracer wire is the constant power supply when the key is on. What actuates both switches to move the window is ground and of course, which wire the power flows through to change polarity to the motor.
If neither switch works, the first thing to do is confirm there is power the light blue / black tracer wire at both switches, which I bet there is. Next, check if there is continuity to ground via the black wires relevant to the master window switch / driver's door. Note there are 4 wires which ground to the same place. Two are for the left window (ground one for up and one for down) and the same for the right window. Interestingly, both the main switch in the driver's door as well as the passenger side door ground through the same points. (see pic 2)
So, if there is power at the light blue / black wire, I suspect the problem is ground. Check that point and make a a new ground if necessary.
Let me know if that helps. Also, if you need help understanding what I said (I tried) LOL, let me know. What makes this confusing is the idea that power is always at the switches. What determines what a window motor does is based on the ground wire that is selected.
Joe
Images (Click to enlarge)
Jan 10, 2020 at 7:16 PM