Passenger (left side) headlight turns on then almost immediately goes out

2005 VOLVO S60
230,000 MILES • 2.4L • 5 CYL • 2WD • AUTOMATIC
Avatar
IMCKEEN
  • MEMBER
  • 1 POST
However, if I switch the lights on before I start the engine the lights work okay.
Apr 4, 2021 at 2:55 PM
Advertisement
Avatar
JACOBANDNICKOLAS
  • CERTIFIED EXPERT
  • 110,175 POSTS
Hi,

That is really odd. The best thing to do with something like this is to start checking connections and grounds. Something could be loose or corroded.

I do have a question. If the engine is warm and you start the engine first, does the same thing happen? Also, here is a link you may find helpful:

https://www.2carpros.com/articles/how-to-check-wiring

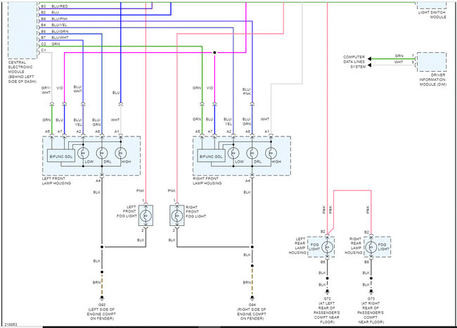
I attached the wiring schematic for the headlamp system. I had to cut the pic in half to make it readable, but I did overlap them so you can easily follow. Check the connectors at the headlamps, the grounds, and make sure fuses are not corroded.

Let me know what you find.

Joe
Apr 5, 2021 at 6:29 PM