Passenger headlight stopped working?

2016 KIA OPTIMA
84,000 MILES • 2.0L • TURBO • 2WD • AUTOMATIC
Avatar
COSMOAMBER07
  • MEMBER
  • 2 POSTS
My headlight stopped working the other lights work turn signal and daytime lights. We have already changed the ballast and the bulb and that did not work. We plugged the left headlight into the right headlight, and it worked so we have narrowed it down that it is something inside the headlight assembly itself. Any ideas because a used assembly is 700 dollars. Also, they are the HID headlights which aren’t common and hard to find. Thank you
Jul 17, 2023 at 8:26 PM
Advertisement
Avatar
STRAILER
  • CERTIFIED EXPERT
  • 53,855 POSTS
We need to check for power and the fuse condition for fuses # B+2 and B+3 in the fuse panel on the left side of the engine compartment. Here is the location of the fuses and a guide to help you with the test:

https://www.2carpros.com/articles/how-to-check-a-car-fuse

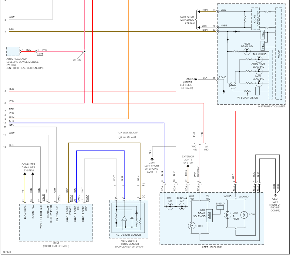
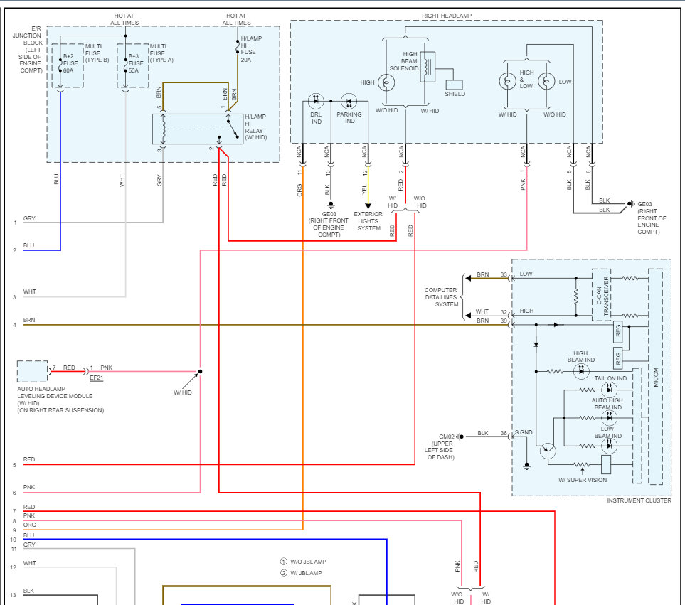
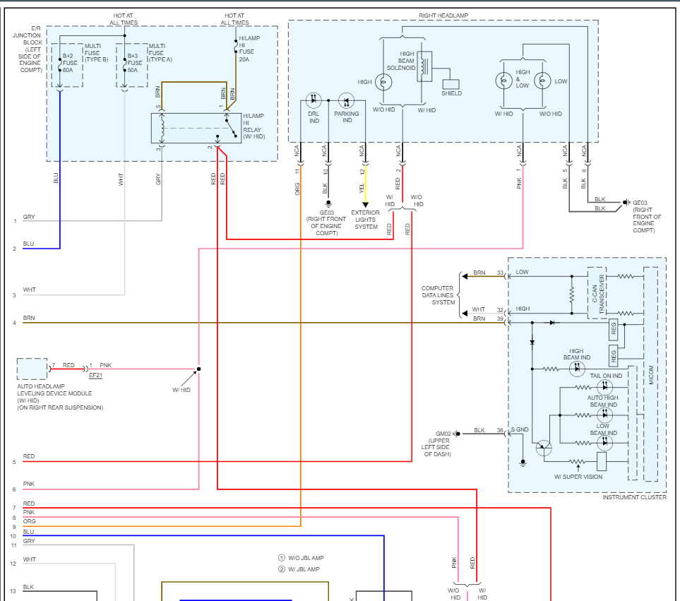
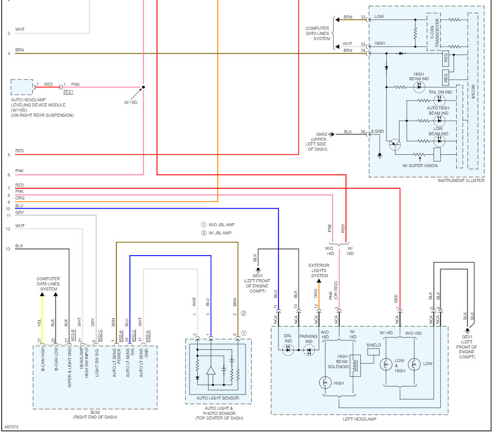
Here are the headlight wiring diagrams so you can see how the system works, I would check the ground as well (GE03) at the right front of the engine compartment. If everything seems okay, I would do a CAN scan because you may have a SJB or BCM that is going out, you can get a preprogrammed unit by searching Google or Ebay. You can get a CAN scanner (Controller Area Network) which will work on most cars from Amazon.

here is a video to show you how:

https://youtu.be/u-4syLc-ifQ

Check out the images (below). Please let us know how it goes.
Jul 18, 2023 at 11:48 AM
Avatar
COSMOAMBER07
  • MEMBER
  • 2 POSTS
Thank you. I have done that. I know it’s something inside the headlight. I took the left headlight out and plugged it into the right headlight and it will work so everything on the car and wiring and fuses have to be good. It has to be inside the headlight, but I don’t know where to begin in there. And a whole new headlight assembly is $700.00 used so I am trying to find a cheaper route. Thanks again
Jul 18, 2023 at 1:29 PM
Advertisement
Avatar
STRAILER
  • CERTIFIED EXPERT
  • 53,855 POSTS
It must be the voltage amplifier that has gone bad, you might be able to open it up and find a part number on it, then don't give us that information but it is worth a try. Please let us know what happens.
Jul 20, 2023 at 9:53 AM