Throttle unlock solenoid harness?

1994 DODGE RAM
260,000 MILES • 5.9L • V8 • 2WD • AUTOMATIC
Avatar
OLLIE2022
  • MEMBER
  • 49 POSTS
Where is the harness to the part. Throttles unlock solenoid harness and part located on a 46rh transmission.
Oct 14, 2022 at 4:36 PM
Advertisement
Avatar
STRAILER
  • CERTIFIED EXPERT
  • 53,854 POSTS
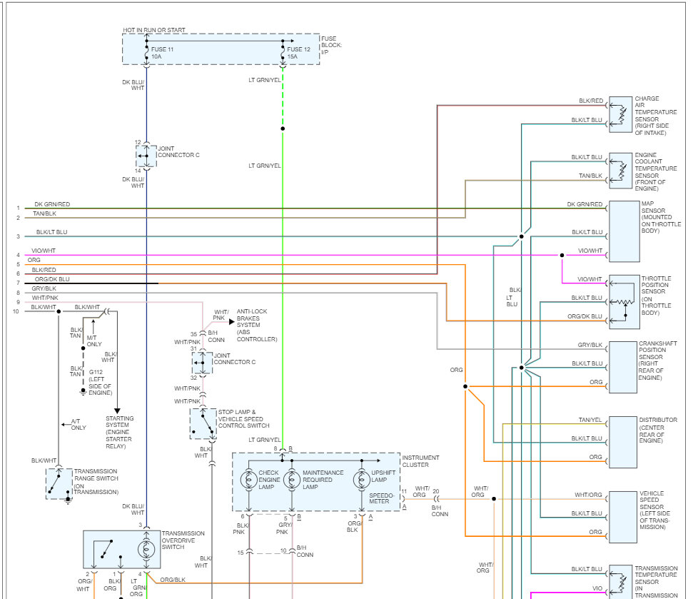
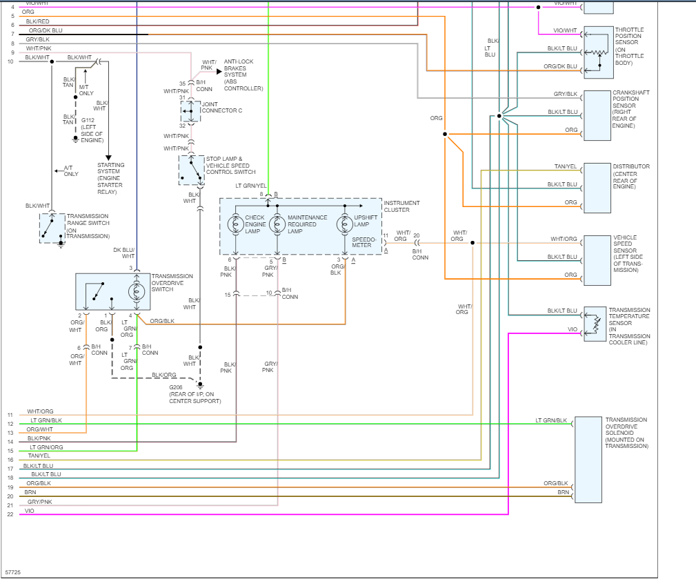
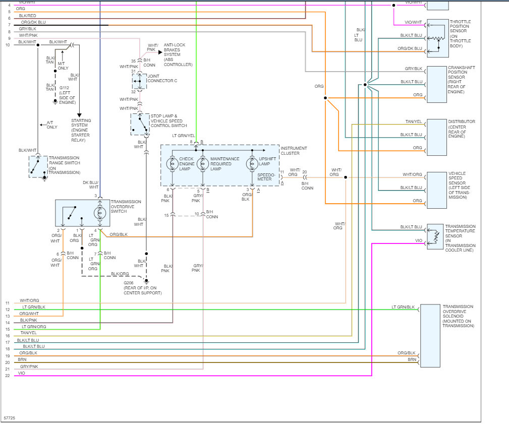
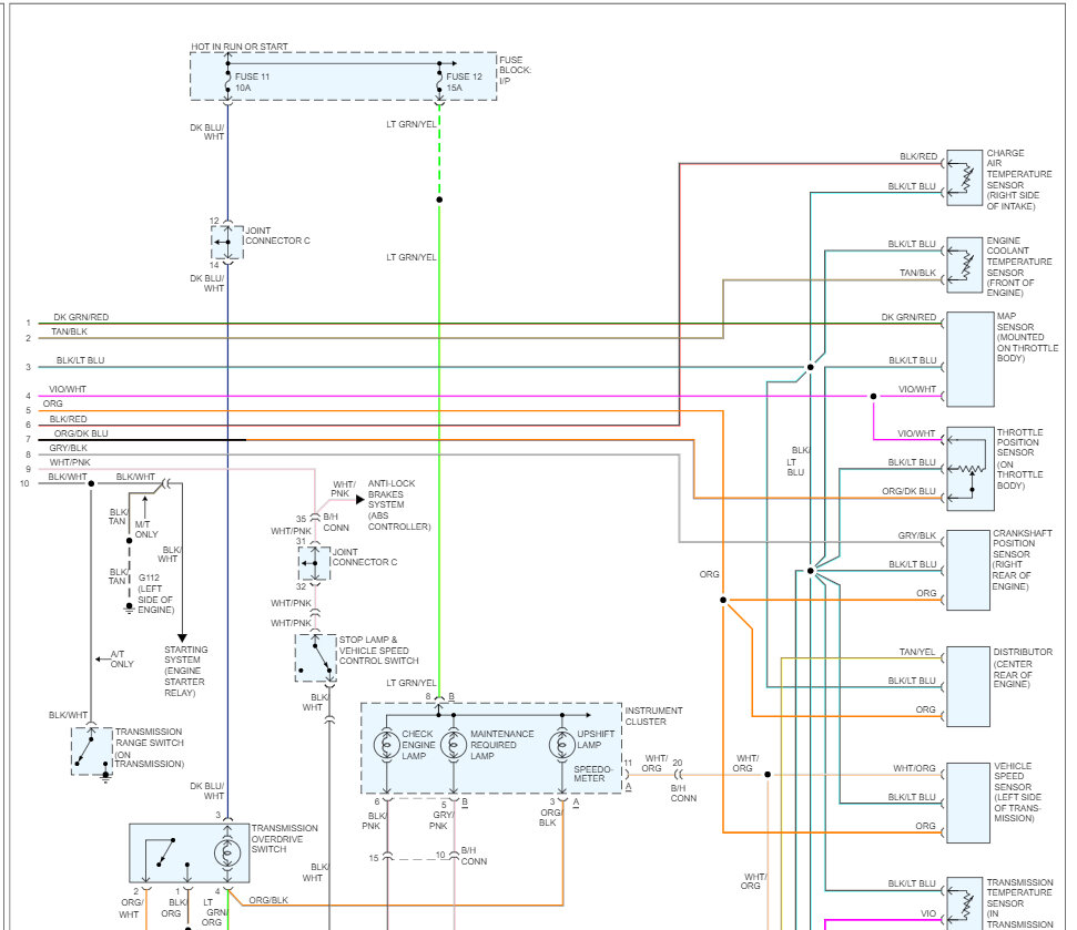
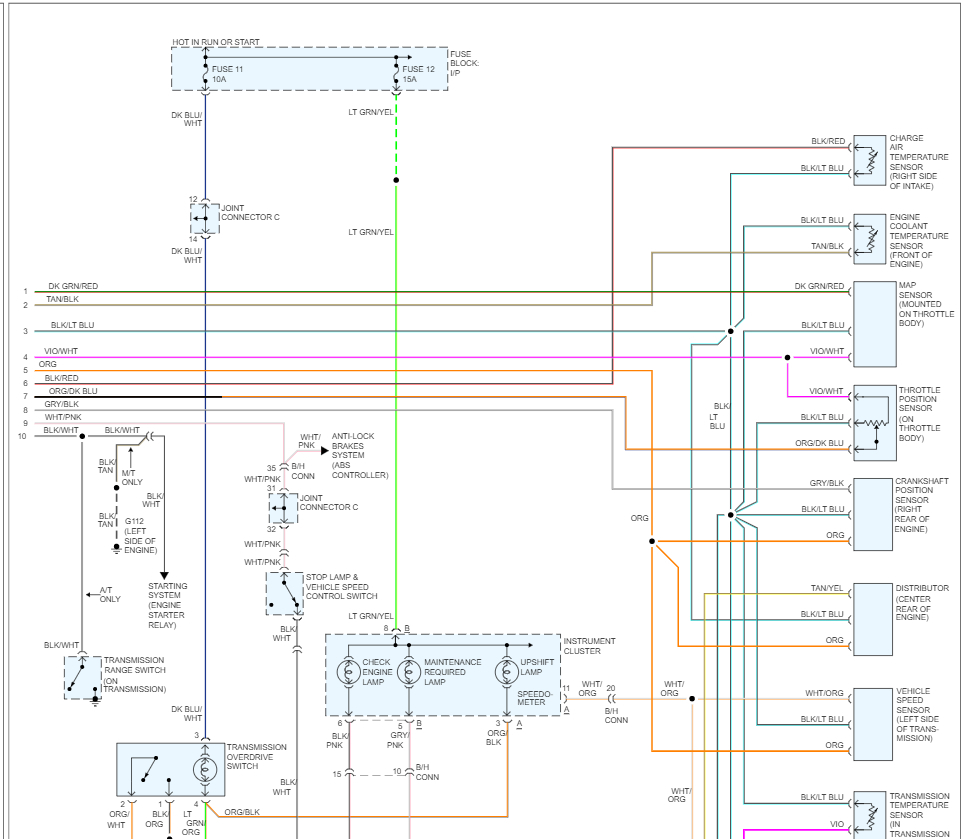
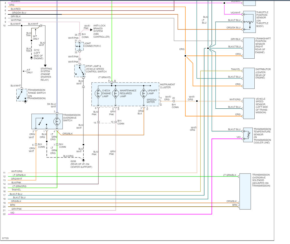
I am not sure what you mean by "Throttle unlock solenoid" but here are the engine and transmission wiring diagrams to help you see how things work and what wires to test.

This guide can help as well:

https://www.2carpros.com/articles/how-to-check-wiring

Check out the images (below). Let us know what happens and please upload pictures or videos of the problem.
Oct 15, 2022 at 1:15 PM
Avatar
CARADIODOC
  • CERTIFIED EXPERT
  • 34,306 POSTS
Hi Ken. I think he's referring to lock-up solenoid for the torque converter. I've seen it listed as the "part-throttle unlock solenoid" on some wiring diagrams.
Oct 16, 2022 at 2:58 PM
Advertisement