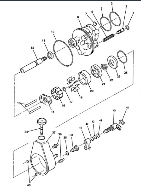
I received a new power steering pump. My pop turn my old one in for me and they said that there was a part on the old pump that they were trying to take off. They were not able to take it off. I have the new pump now, but am unsure specifically what part I'm needing.
Thank you guys!
Thank you guys!
Dec 2, 2019 at 5:50 PM




