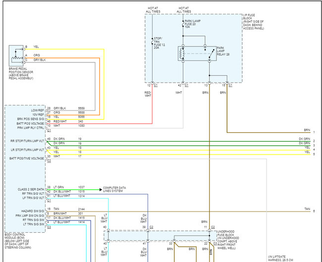
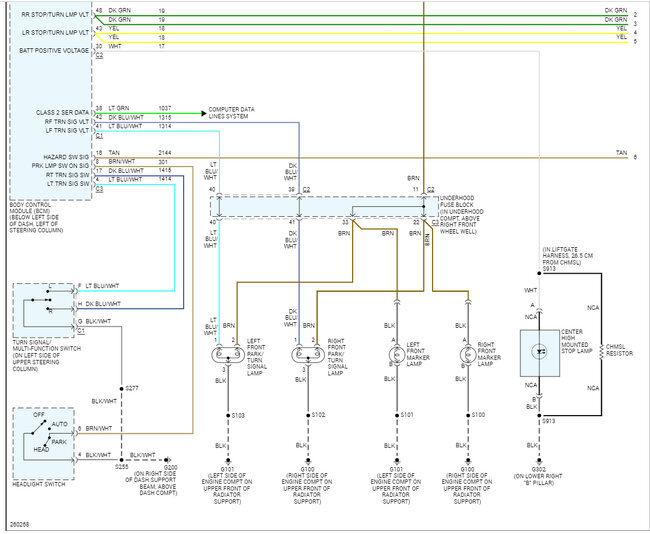
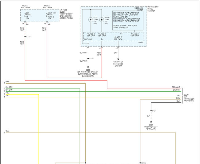
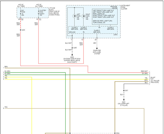
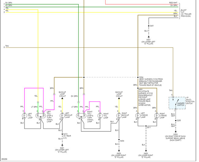
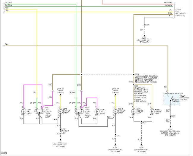
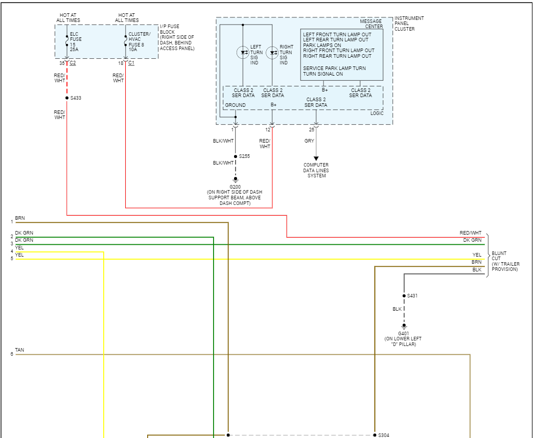
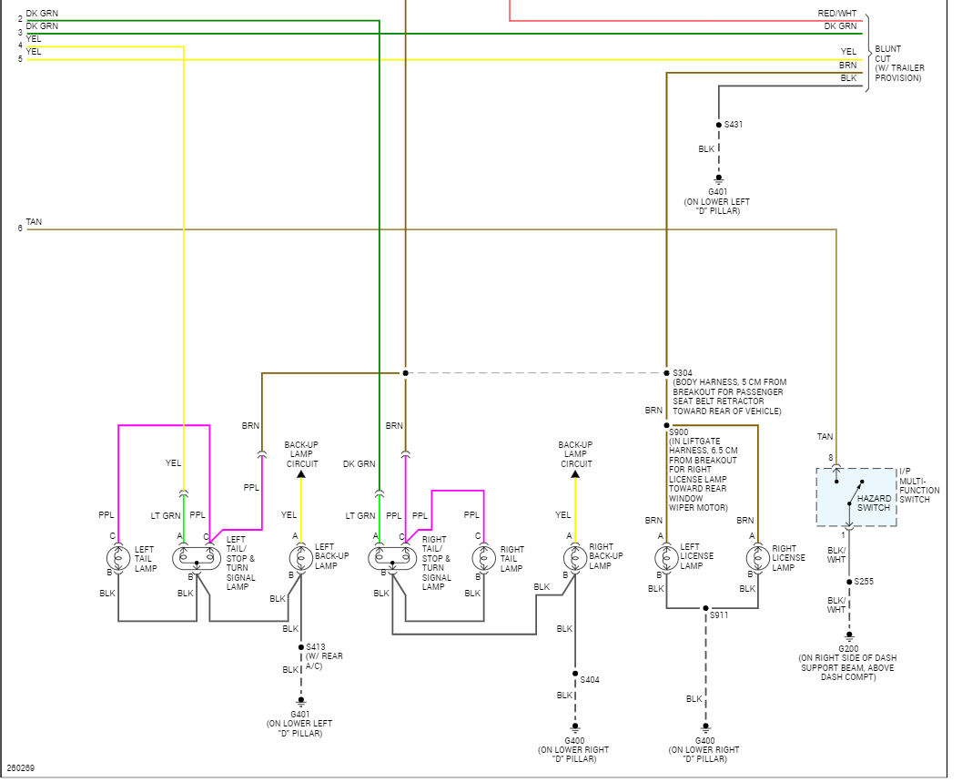
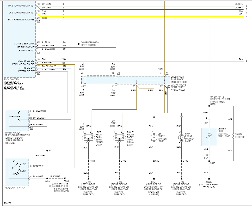
After removing the key and leaving the vehicle I've noticed that my parking lights are on and I walked around the front so where the front lights so the parking lights are remaining on after shutting the engine off not all the time and sometimes they come back on went left alone draining the battery.
Nov 27, 2023 at 5:33 PM






