Parking lights stay on

2006 SUBARU OUTBACK
117,253 MILES • 2.5L • 4 CYL • 4WD • AUTOMATIC
Avatar
JAMES LANE
  • MEMBER
  • 1 POST
My parking lights stay on even when the car is off and yes, the switch on the top of the column is in the off position. I have to unhook the battery to turn them off.
Mar 24, 2022 at 11:31 AM
Advertisement
Avatar
KASEKENNY
  • CERTIFIED EXPERT
  • 18,907 POSTS
More than likely this is a switch issue or there is a short somewhere in the circuit.

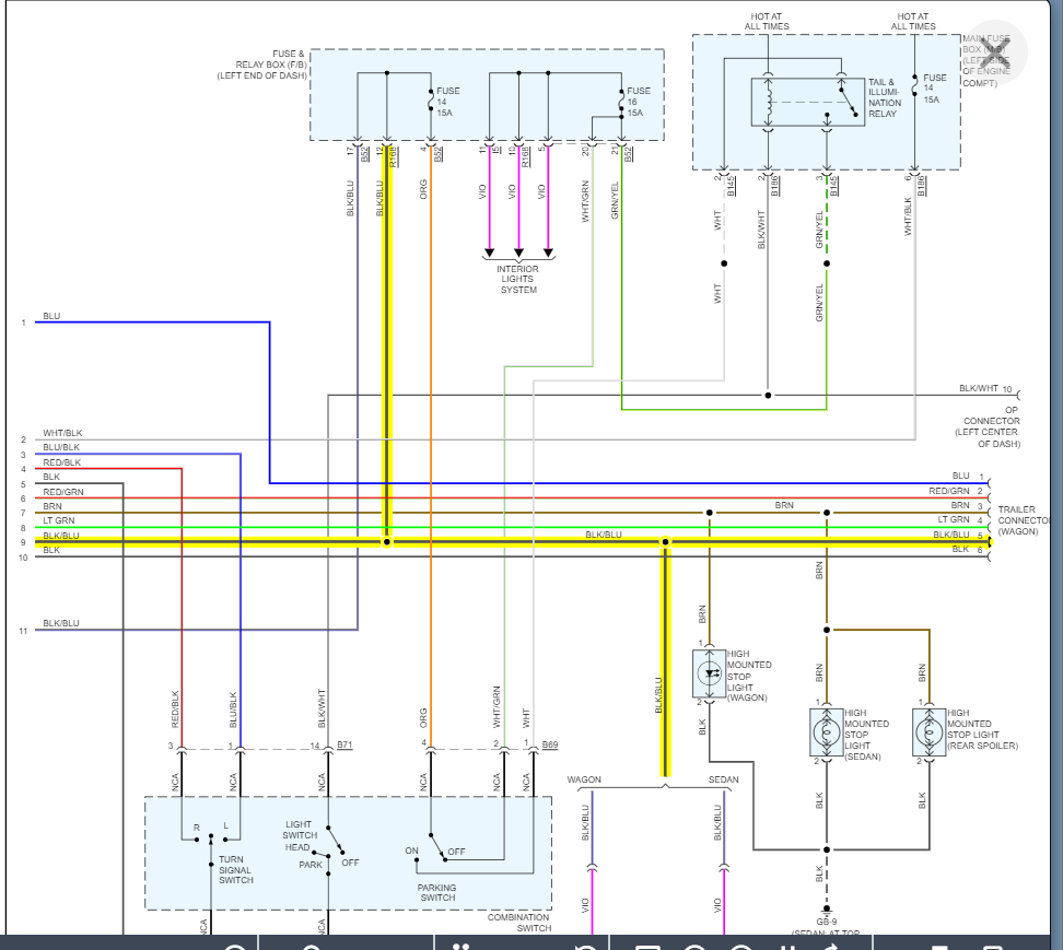
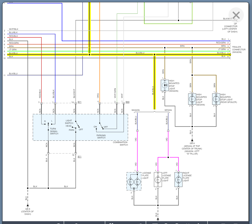
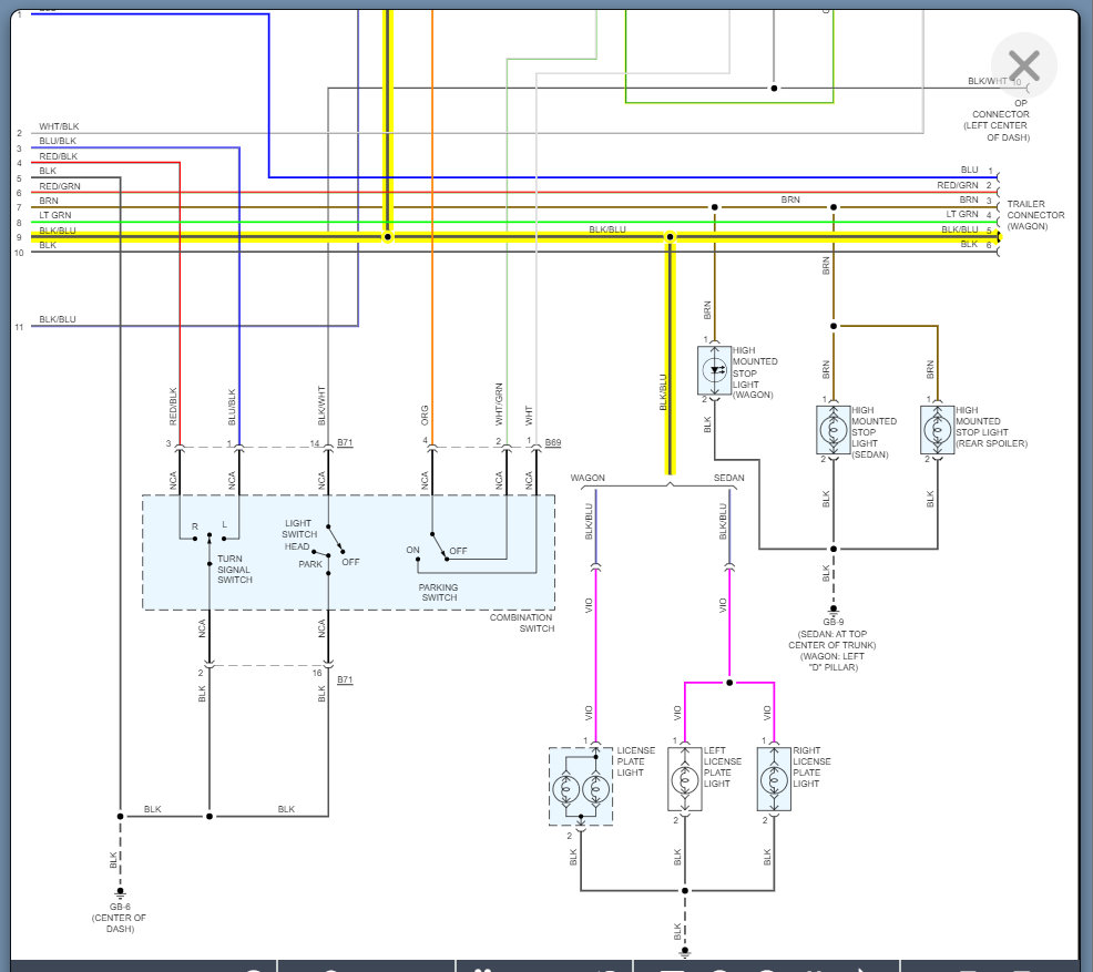
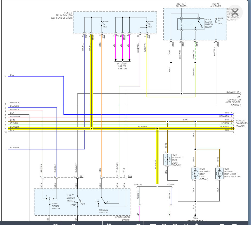
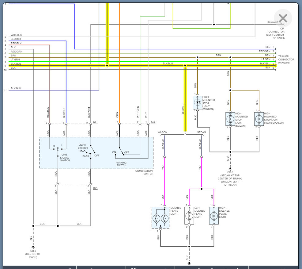
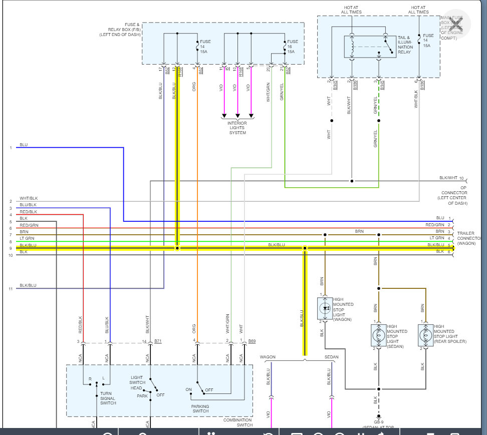
Basically, I am attaching the wiring diagram, but we need to disconnect the switch and see if they go off. If they do, then the switch is shorted.

If they don't then we need to test the wiring for a short circuit using this guide:

https://www.2carpros.com/articles/how-to-check-wiring

I am attaching the wiring diagram below to help with this but basically if the parking lights are the only thing on the switch, is the likely issue.

So, let's start with this info and we can go from there.

Thanks
Mar 24, 2022 at 5:02 PM