Parking lights not working

2008 SCION XB
144,500 MILES • 2.4L • 4 CYL • 2WD • AUTOMATIC
Avatar
ANGELITO24
  • MEMBER
  • 7 POSTS
Bulbs all new fuses all new. regular headlights working fine and stop light except the parking lights are not turning on while driving at night. I have replaced all fuses the only thing that I need to know if there is a relay for them and where is locate.
Mar 12, 2022 at 11:45 AM
Advertisement
Avatar
JACOBANDNICKOLAS
  • CERTIFIED EXPERT
  • 110,175 POSTS
Hi,

There should be a parking lamp relay in the junction box on the left side under the dash.

I attached the wiring schematic below for reference, and I highlighted the relay. Take a look through them and let me know if they help or if you have other questions.

Here is a link you may find helpful:

https://www.2carpros.com/articles/how-to-check-an-electrical-relay-and-wiring-control-circuit

I will watch for your reply.

Take care,

Joe

See pics below.
Mar 12, 2022 at 11:00 PM
Avatar
ANGELITO24
  • MEMBER
  • 7 POSTS
I notice you said you highlight the relay can you tell me which color you used to highlight because there are different colors on the schematic I appreciated. Also, I believe if not mistaken there is a relay for parking lights behind the fuse box on the inside cabin by the driver side. can you verify if I am correct, please? I just don't see it could be behind the fuse box? Thanks for your help.
Mar 20, 2022 at 9:47 AM
Advertisement
Avatar
JACOBANDNICKOLAS
  • CERTIFIED EXPERT
  • 110,175 POSTS
Hi,

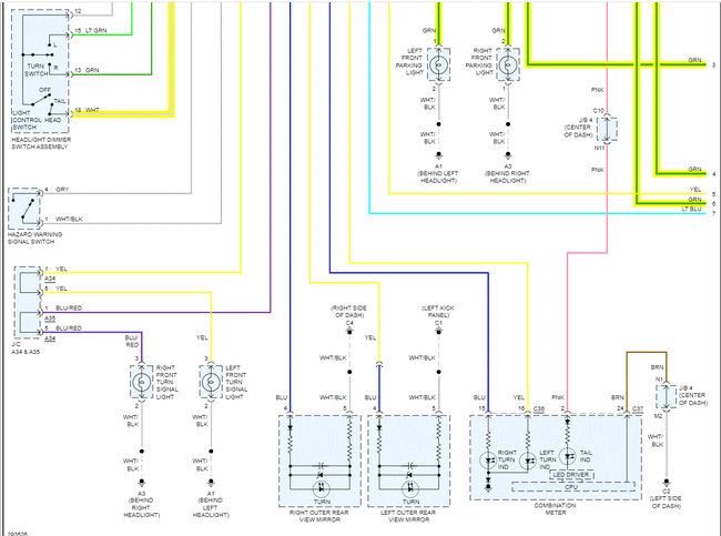
Yep, there is one. See the pics above. As far as wire color, between the lights and relay, they are all green. See pic below.

Let me know.

Joe
Mar 20, 2022 at 7:23 PM
Avatar
ANGELITO24
  • MEMBER
  • 7 POSTS
Thanks, I will be working on it tomorrow, I will let you know how things came out. thanks for all your help.
Mar 21, 2022 at 2:08 PM
Avatar
JACOBANDNICKOLAS
  • CERTIFIED EXPERT
  • 110,175 POSTS
Sounds good. I will watch for your reply.

Take care,

Joe
Mar 21, 2022 at 7:53 PM
Avatar
ANGELITO24
  • MEMBER
  • 7 POSTS
Okay Joe, I could not found the relay behind the fuse box that is located on the left inside cabin by the driver knee location neither on the engine compartment. all I have left is to change the 2 sky blue relays 1 grey and 1 pink all others are already changed, but still no parking lights. if after that no lights still I will probably take to the Toyota dealer to have it fix because don't know what else to look or change.
Mar 22, 2022 at 10:28 AM
Avatar
JACOBANDNICKOLAS
  • CERTIFIED EXPERT
  • 110,175 POSTS
Hi,

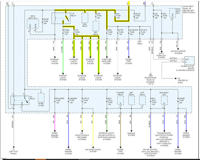
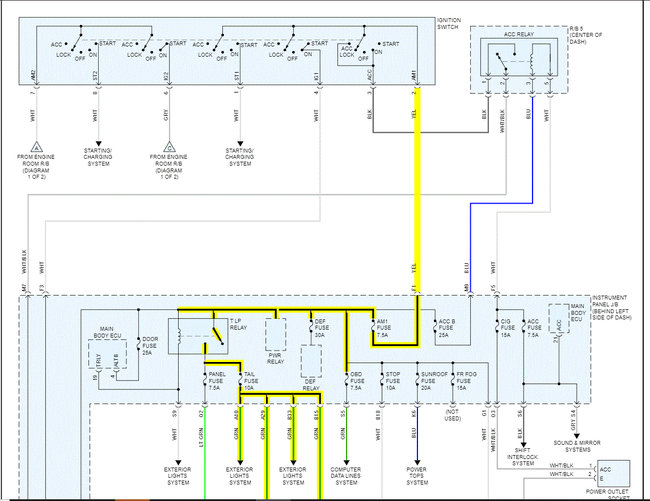
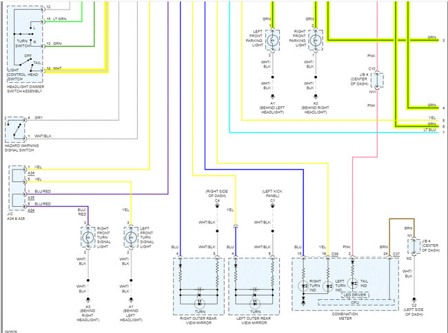
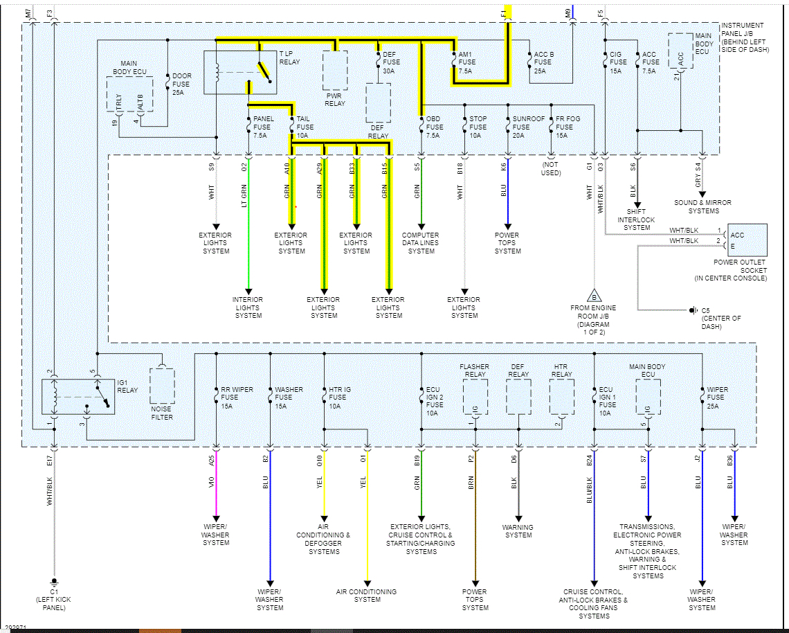
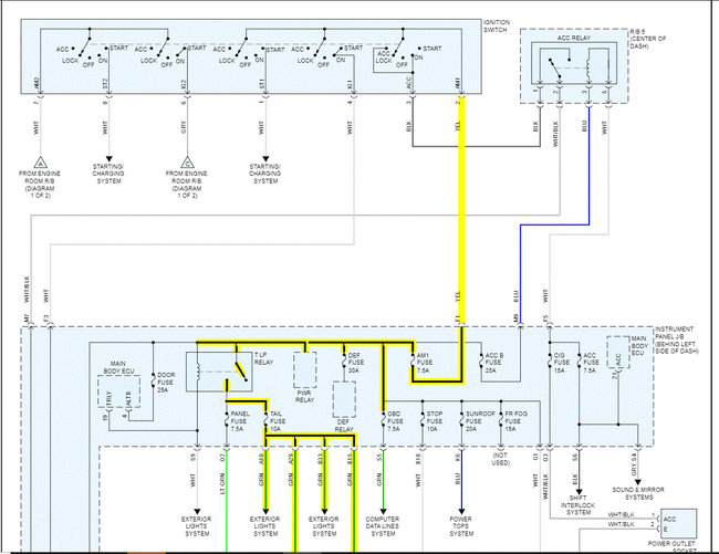
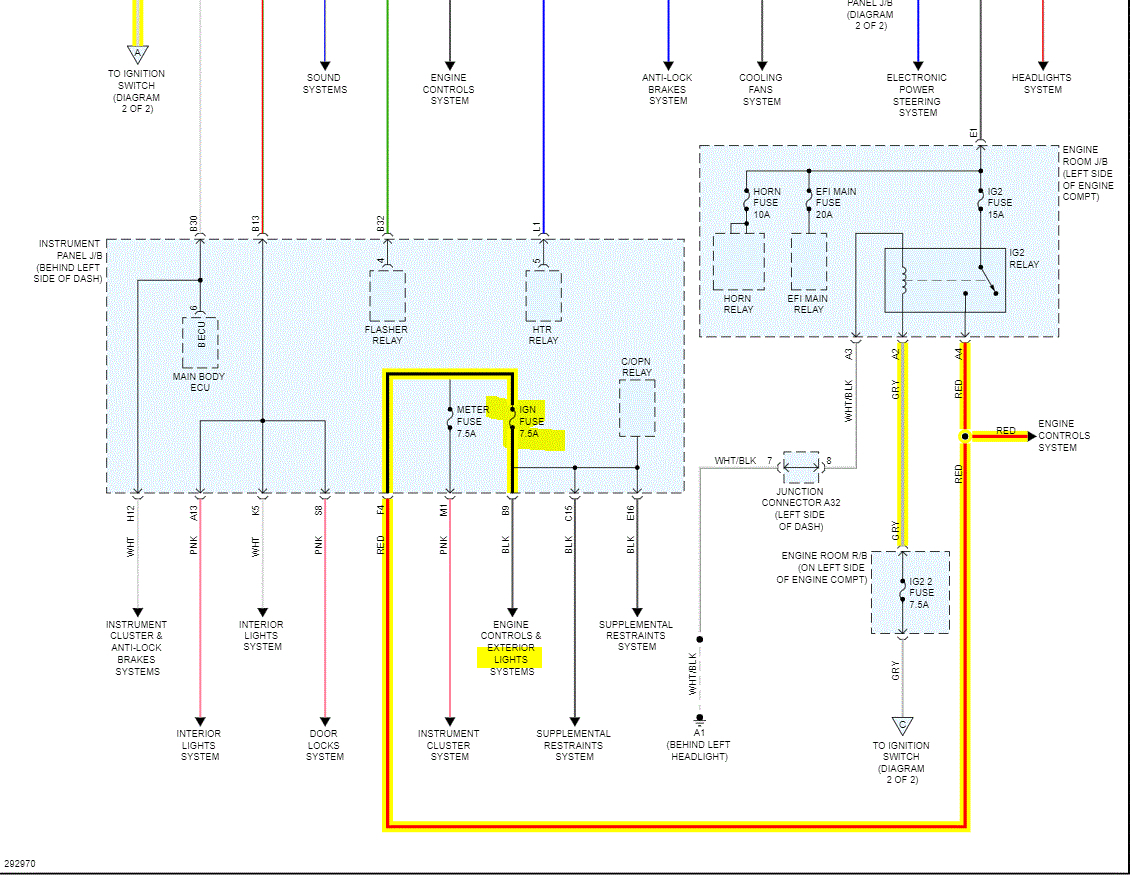
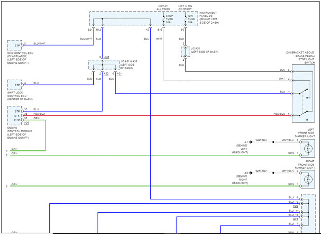
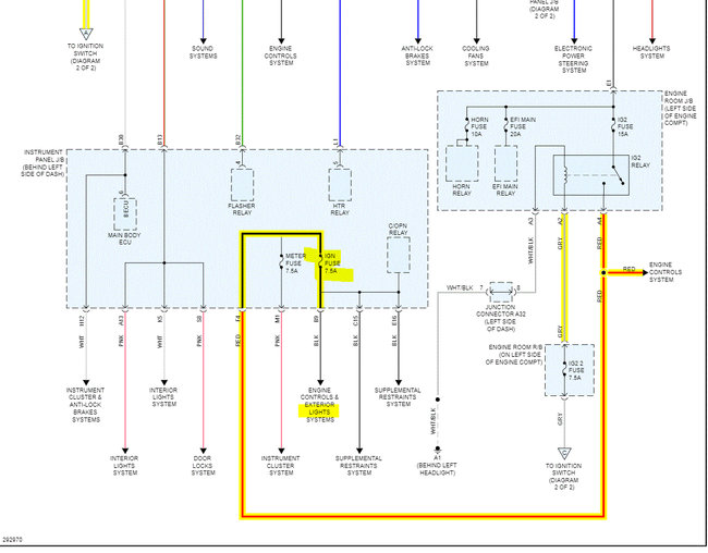
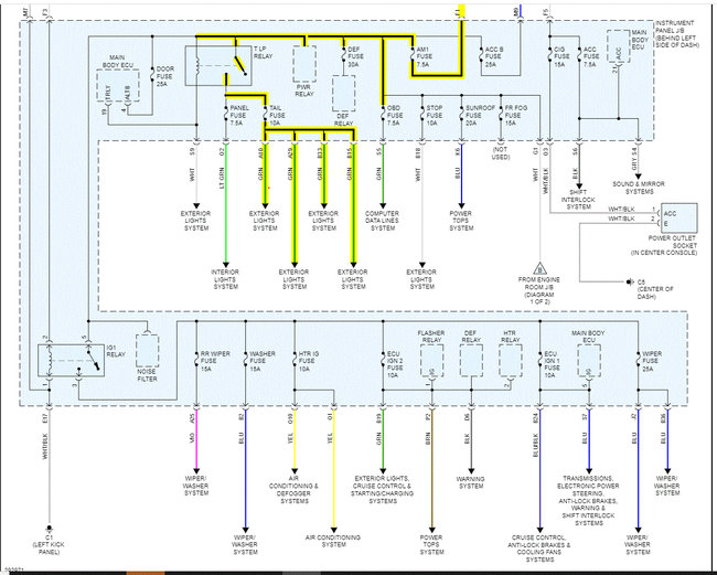
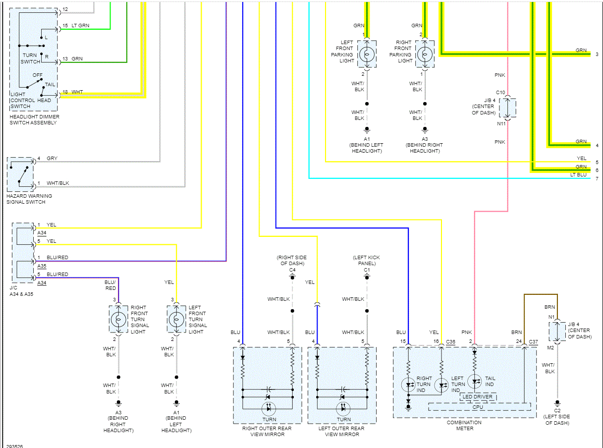
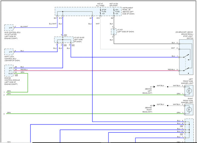
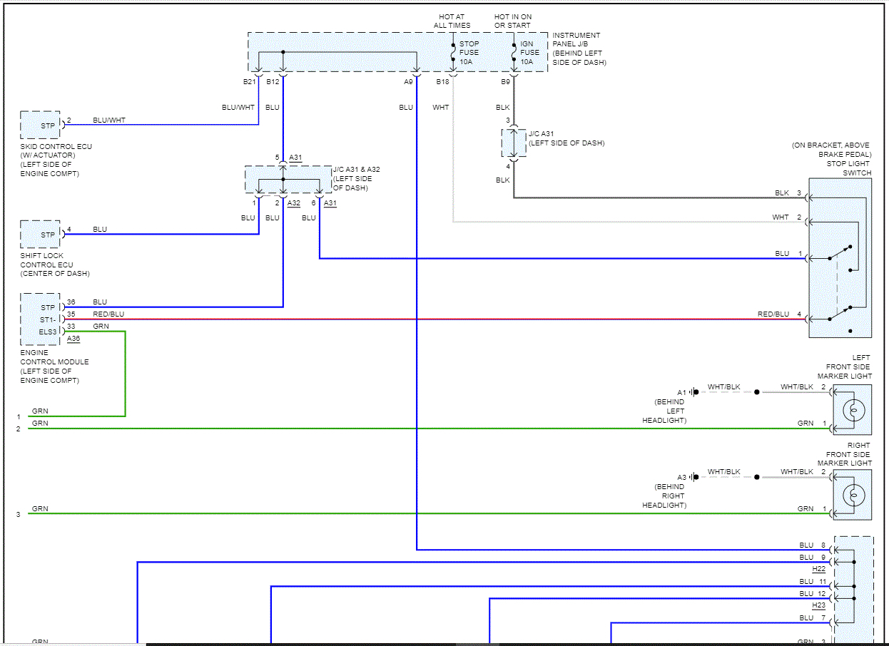
I attached the entire wiring schematic below for the exterior lighting system. We simply need to determine where power is lost. Since none of the parking lights work, it is likely at the fuse box.

The first 4 pics below are the exterior wiring schematics for the exterior lights. I highlighted all wires related to the parking lights. The last 4 are power distribution schematics.

There are several possible issues, but again, since none of the lights work, it is at the fuse box or before it. I'm basing that on the different directions the wiring branches after the taillight relay, which we still need to locate.

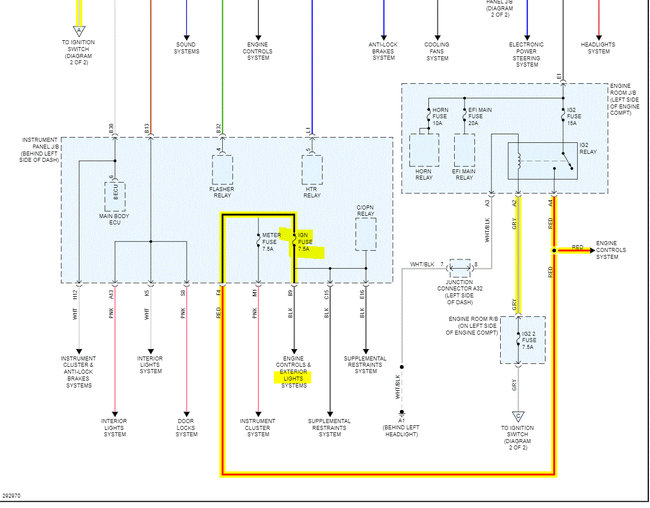
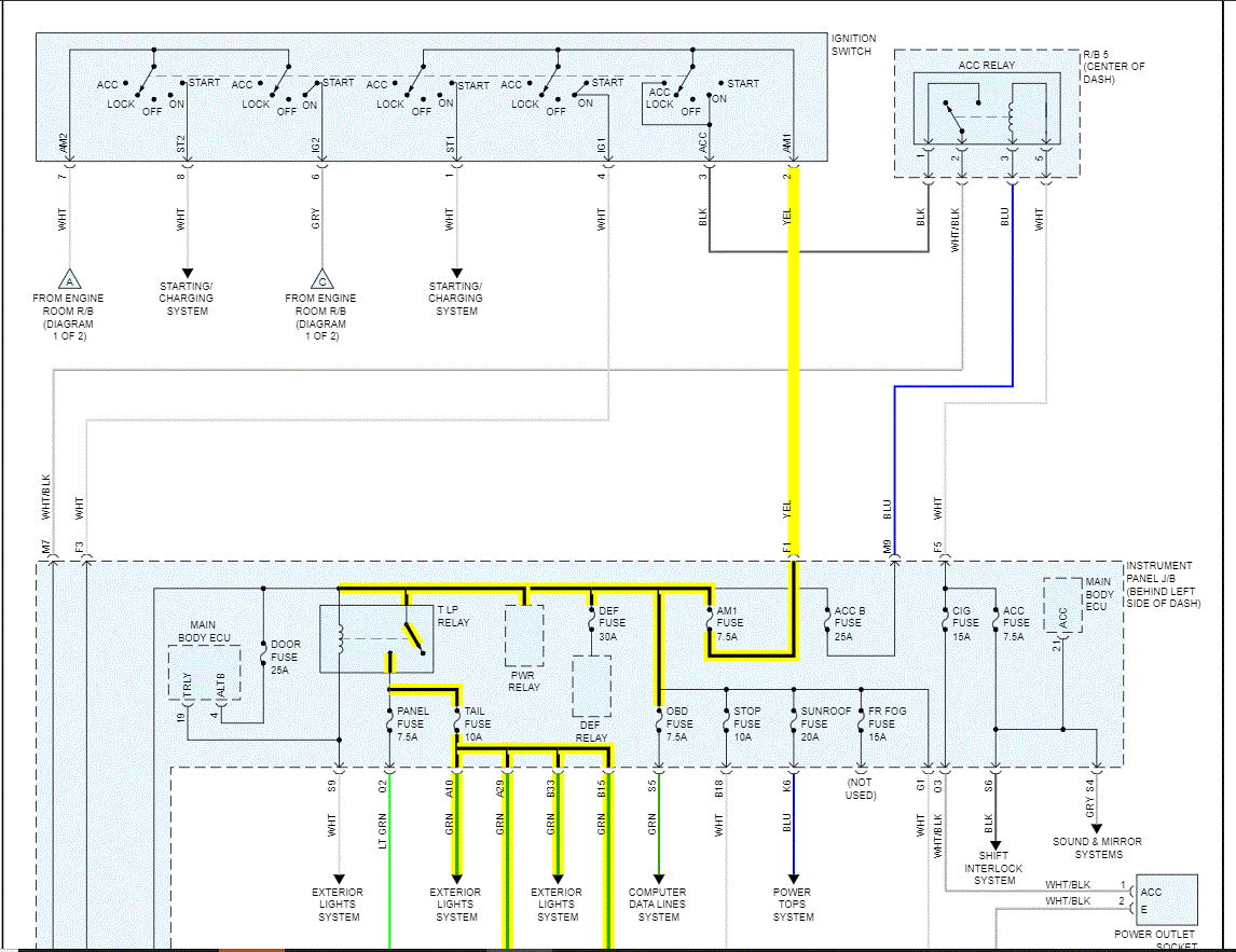
First, if you look at pic 1, it shows a 10-amp tail lamp fuse. Check the fuse. Next, with the lights turned on, see if there is power to and from that fuse. Pic 9 below shows the fuse and its location. (Interior fuse panel).

Here is a link you may find helpful:

https://www.2carpros.com/articles/how-to-check-a-car-fuse

Start with this. Also, I went through every schematic I could find although the info below shows a relay, nothing is found. There is a chance something is different based on the production date.

Check in the door frame (driver's) and see if you can locate the date of production and let me know what it is.

Take care and let me know about the fuse I mentioned.

Joe

See pics below.

Mar 22, 2022 at 7:45 PM
Avatar
ANGELITO24
  • MEMBER
  • 7 POSTS
Okay Joe, I will try that but today we ha e rain almost all day I am in Georgia. But I do appreciate all your help. thanks
Mar 23, 2022 at 5:31 AM
Avatar
JACOBANDNICKOLAS
  • CERTIFIED EXPERT
  • 110,175 POSTS
Hi,

No hurry. I hope everything is okay where you are. I saw on the news the weather across the south wasn't good. I'm in PA. Presently, there is no rain, but the wind will knock a person over.

Let me know what you find. Also, be safe.

Take care,

Joe
Mar 23, 2022 at 4:30 PM
Avatar
ANGELITO24
  • MEMBER
  • 7 POSTS
Joe, I found out what's wrong!!!! It was the front driver headlight socket was bad, so I ordered Toyota to replace it the contacts for parking light was broken inside. Thank God and you for all your help.
Mar 25, 2022 at 9:23 AM
Avatar
JACOBANDNICKOLAS
  • CERTIFIED EXPERT
  • 110,175 POSTS
Hi,

You are very welcome. I'm glad to hear you found the issue. Wiring issues can become a nightmare. LOL

Regardless, please feel free to come back anytime in the future if you have questions. You are always welcome here.

Take good care of yourself,

Joe
Mar 25, 2022 at 12:03 PM
Avatar
ANGELITO24
  • MEMBER
  • 7 POSTS
Thank you Joe.
Mar 25, 2022 at 1:21 PM