Hi,
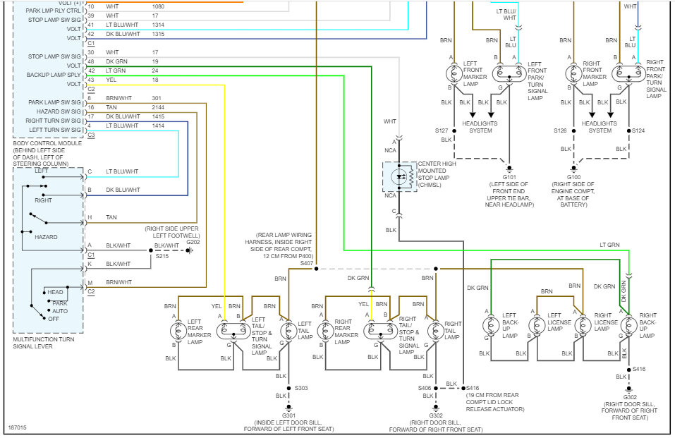
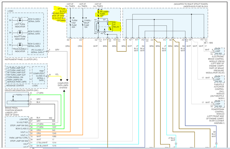
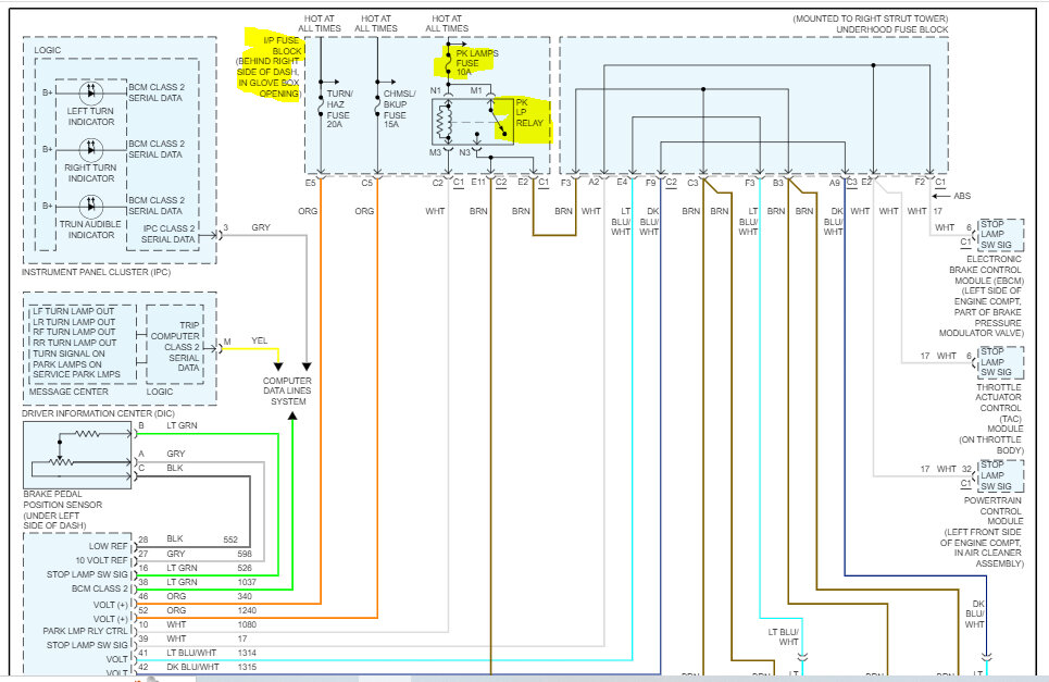
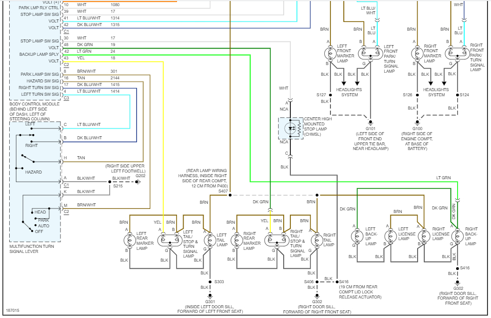
First, I attached the wiring schematic below for the exterior lighting circuits.
You mentioned the fuses are good. Did you confirm there is power to and from them? If not, check that. The fuse may be good but there is no power to transfer.
Here is a link you may find helpful:
https://www.2carpros.com/articles/how-to-check-a-car-fuse
Next, there is a parking light relay. Have you checked that as well? If not, switch it with a different relay having the same part number to see if that changes it. If there is no change, we need to check the circuit.
Here is a link that explains how to test a relay and the relay circuit:
https://www.2carpros.com/articles/how-to-check-an-electrical-relay-and-wiring-control-circuit
Let me know what you find.
Take care,
Joe
See pics below.
Images (Click to enlarge)
Sep 14, 2023 at 8:30 PM