parking lights and interior lights

2005 DODGE TRUCK
220,000 MILES • 5.9L • 6 CYL • TURBO • 4WD • AUTOMATIC
Avatar
PRESTON5.9
  • MEMBER
  • 1 POST
I have 2005 dodge 3500 got in it one day and no cargo lights. The next day i got in and no parking lights, cab lights, and only driver side high beam. I fixed the cargo lights i thought i got a new door latch and it fixed it but the cargo light is still blowing fuses (18) and hoping it don’t blow another door latch switch. I got a new fcm and that didn’t fix it. A new headlight switch and that didn’t fix it either. do y’all have any wiring diagrams or solutions to this problem.
Aug 4, 2023 at 2:02 PM
Advertisement
Avatar
JACOBANDNICKOLAS
  • CERTIFIED EXPERT
  • 110,175 POSTS
Hi,

I have the wiring schematics for the vehicle, but it sounds like you may have an aftermarket cargo box. I say that because I looked at the schematics and there is no fuse 18 listed. Did the truck go to a body company to install a special cargo box?

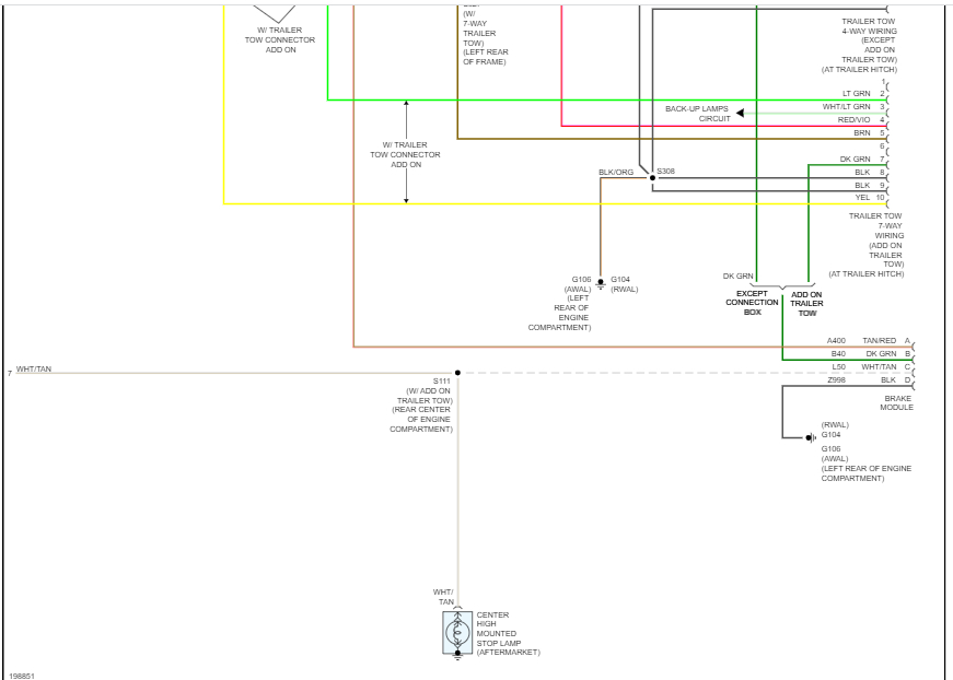
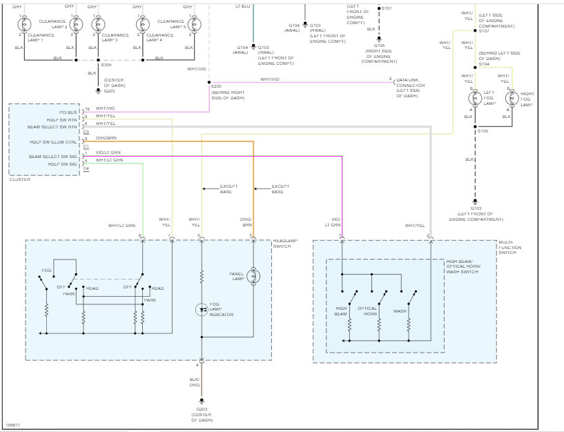
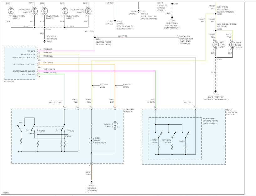
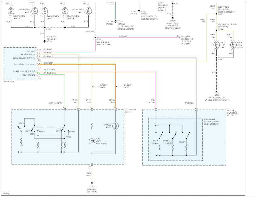
As far as the schematics are concerned, take a look below. The schematics were two pages long, but I had to cut each one in half to make it readable for you. I did overlap the two so you can follow from one to the next.

Take a look and see if anything helps. Additionally, (FYI), this vehicle has what is called a totally integrated power module (TIPM). They are known to have connector issues. The TIPM connectors have too many connector pins (as far as I'm concerned) and they are known to break, corrode, and simply fail. Most interesting is the component (for example one of the headlamps not working) will show battery voltage when it's disconnected from the bulb. Once connected, the wire can't handle the load and fail.

Regardless, take a look and let me know what I can do to help.

Take care,

joe

See pics below. Pics 1-4 are the exterior lighting circuits. Pics 5-6 are for the headlamps. If there is a different circuit you need, let me know.
Aug 4, 2023 at 10:05 PM