Parking brake release switch

2000 CHEVROLET CAVALIER
256,000 MILES • 2.2L • 4 CYL • 2WD • AUTOMATIC
Avatar
KEVIN BEACH
  • MEMBER
  • 4 POSTS
Cannot release parking brake. Cables and everything in back good. I need to find release switch and bypass to test. What colors wires to jump?
Feb 16, 2018 at 11:15 AM
Advertisement
Avatar
STEVE W.
  • CERTIFIED EXPERT
  • 15,113 POSTS
The light and its switch is the only electrical part in the parking brake system. They will
not cause the brake to not release. If the lever will not go down and the brakes release you either have a bad forward cable or there is an issue in the rear brakes themselves.

Now if you are actually saying you step on the brakes and cannot shift out of park that would be the interlock. For that the common issue is the brake light switch on the top of the brake pedal under the dash.

Which do you mean?
Feb 16, 2018 at 9:49 PM
Avatar
KEVIN BEACH
  • MEMBER
  • 4 POSTS
Thank you for your response. I should have told you it is the button on end of lever that will not depress. It seems frozen in place. I sprayed WD40 in there the best I could but it did not help. Is there another small lever inside the boot to release it?
Feb 17, 2018 at 3:34 AM
Advertisement
Avatar
KEVIN BEACH
  • MEMBER
  • 4 POSTS
Okay, after a little more WD40 a some light tapping the button is now working good, but still will not release e-brake. Is the forward cable hard to replace or is it something a pro has to do? How much would it cost?
Thank you.
Feb 17, 2018 at 6:48 AM
Avatar
STEVE W.
  • CERTIFIED EXPERT
  • 15,113 POSTS
It is not really difficult, you need to remove the console to get to the interior end of it and go under the vehicle to release the outer end. To get the brakes released at this point you can make sure the lever is all the way down and pull hard on the cables equalizer under the car to get the cable to release. You need to do that to start the removal process anyway, and it will release the brakes.
Feb 17, 2018 at 9:53 AM
Avatar
KEVIN BEACH
  • MEMBER
  • 4 POSTS
Okay, I will give it a try. Thank you for your time and help.
Feb 18, 2018 at 10:43 AM
Avatar
STEVE W.
  • CERTIFIED EXPERT
  • 15,113 POSTS
Removal Procedure:

Raise and support the vehicle. Refer to Vehicle Lifting.
Pull and hold the cable towards the rear of the car in order to create slack in the cable.
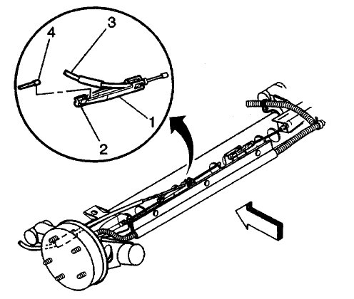
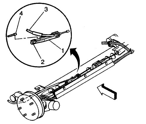
Bend the tang (2) on the connector (1) in order to allow cable removal.
Disconnect the cable (3) from the connector (1).
Fold over the retaining clip.
Disconnect the cable (3) from the equalizer.
Remove the safety stands. Lower the vehicle.
Remove the console.
Move the lever to the OFF position.
Remove the cable conduit end fitting (3) from the lever assembly (1).
Pull the cable (3) until the notch on the ratchet (1) is visible through the cover plate opening (4).
Push the pawl spring downward toward the notch in the ratchet.
Release the cable (3) slowly in order to allow the notch to catch the leg of the spring (5).
Remove the front parking brake cable button (2) from the reel assembly.
Remove the left door sill plate.
Remove the grommet and retainer from the floor pan.
Remove the cable from the clip.
Remove the front cable.
Feb 18, 2018 at 11:13 AM