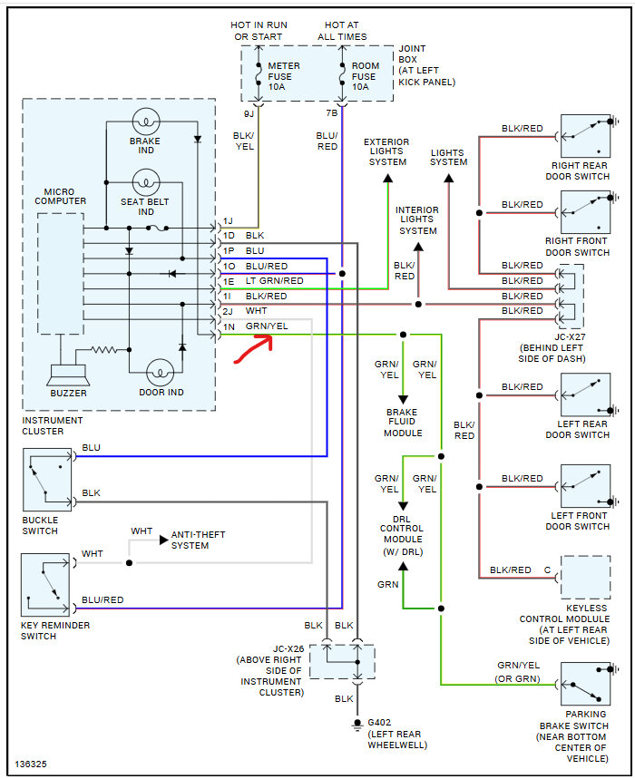
I’m experiencing an issue with my vehicle listed above again. The parking light stays on even when the parking brake is disengaged. Previously, it would turn off automatically after driving for a while, but now it stays on continuously.
The parking brake lever is located between the front seats. I opened the panel, thinking I could replace the switch underneath. However, I discovered that the switch is very simple and unlikely to fail. I’ve included pictures and a video below for reference.
The switch has a wire with a spade terminal attached to it by a screw. From what I can tell, when the white button on the switch is pushed down, the spade terminal should not touch the metal bracket, breaking the circuit and turning the light off. Since the light remains on, it seems the problem isn’t with the switch itself but with something else along the wiring.
I’m unsure where to check next. Any advice would be greatly appreciated!
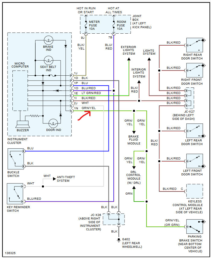
The parking brake lever is located between the front seats. I opened the panel, thinking I could replace the switch underneath. However, I discovered that the switch is very simple and unlikely to fail. I’ve included pictures and a video below for reference.
The switch has a wire with a spade terminal attached to it by a screw. From what I can tell, when the white button on the switch is pushed down, the spade terminal should not touch the metal bracket, breaking the circuit and turning the light off. Since the light remains on, it seems the problem isn’t with the switch itself but with something else along the wiring.
I’m unsure where to check next. Any advice would be greatly appreciated!
Jan 14, 2025 at 11:05 PM




