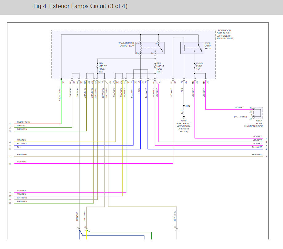
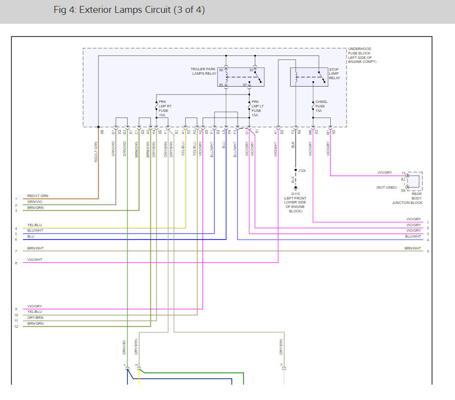
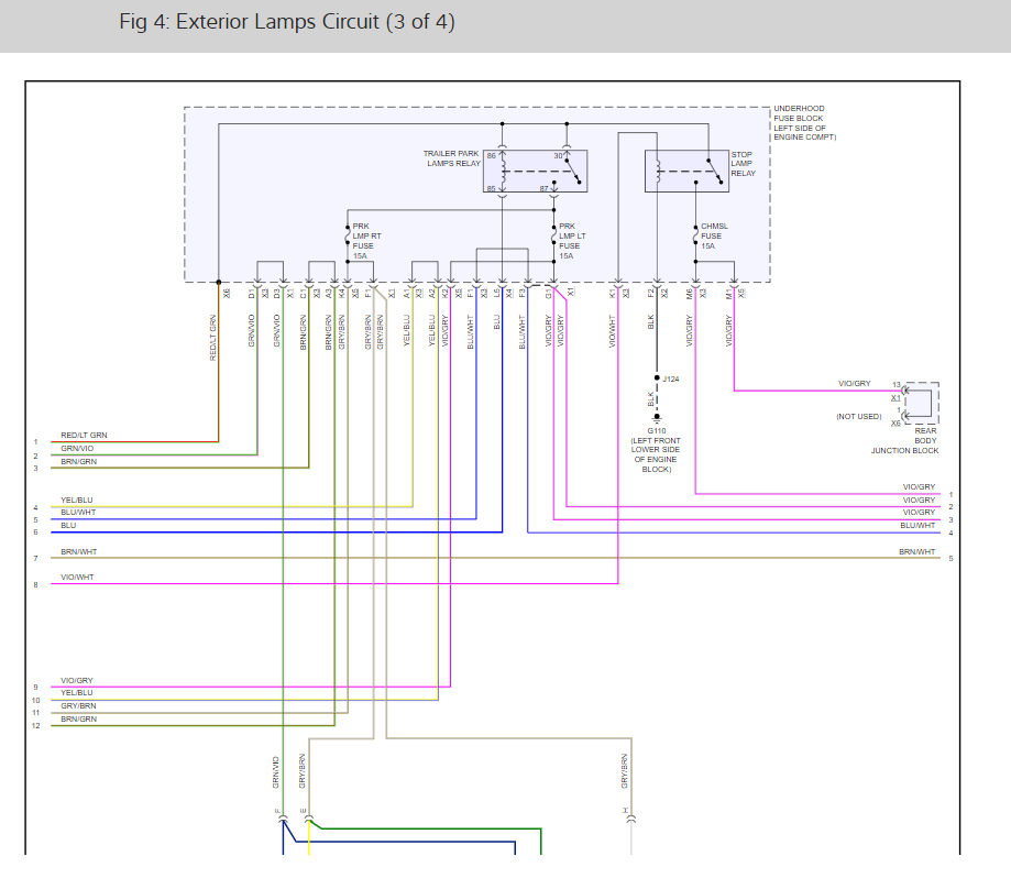
My park lights stay on after I shut off motor and park. It drained my battery and while recharging I heard a noise in the under hood fuse panel . I pulled out the fuse that was vibrating and the light went out but after placing the fuse back in the park lights refused to go out . So now I can not park the truck without pulling the fuse . Any idea what causing this ??? thank you
Sep 9, 2013 at 3:07 PM








