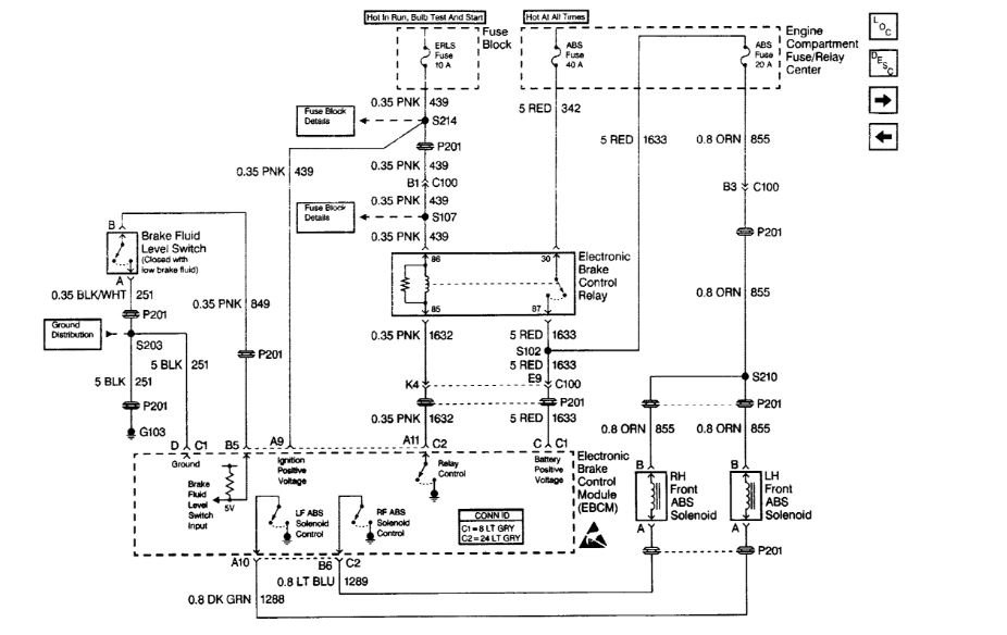
Park brake light will not go off, I have checked the switch, if I take the plug off of the rear abs solenoid and jump the wires across the light will go out, is it possible to replace that solenoid on the abs, would that solve the problem? Thanks Mark
Aug 20, 2018 at 4:41 PM


