Parasitic draw?

2000 GMC SAFARI
150,000 MILES • 4.6L • V6 • 2WD • AUTOMATIC
Avatar
IAMWHOIAM
  • MEMBER
  • 18 POSTS
I have a parasitic draw and have found roughly where I think it is. When i close the right rear Dutch door the VTM goes down .90 mA then will slowly climb back up to 1.22/1.23 mA I have pulled all bulbs in the rear lights no change when I do get the draw to drop I can push the rear bench seat up and down buttons the draw will climb bac up rapidly I have disconnected one of the 2 switches for the seat has anyone experienced this need help trying to figure this out. All lights in rear are unplugged and have pulled all fuses and no change to the draw it does have an added trailer light hook up as well Any ideas where to look and none of the other doors effect the draw when they are closed I have moved and check all wires it the general area without accessing the side panels.
Dec 1, 2022 at 2:45 PM
Advertisement
Avatar
JACOBANDNICKOLAS
  • CERTIFIED EXPERT
  • 110,175 POSTS
Hi,

The idea that the draw drops when you close the right rear Dutch door is interesting. Simply because of location, it seems it could be the result of someone splicing into the wiring for the trailer lights. If I understand, that is an aftermarket installation, correct?

Are you able to disconnect the trailer harness to try it that way? Also, have you been able to remove the second rear seat switch to see if that changes what is happening?

When I personally have a parasitic draw, I start under the hood of a vehicle at the power distribution box. With a voltmeter between the negative battery cable and the negative battery terminal, I remove one fuse at a time to see which one causes the draw to stop.

From that point, I review the power distribution wiring schematics to see what that specific fuse powers and move to one thing at a time there. If there is enough of a draw, you may find one of the fuses or relays warm compared to the others.

I have attached the power distribution wiring schematic below so you have a reference. If you want to try what I suggested, you will need it.

Let me know if you can try it that way and what the results are. Additionally, here is a link you may find helpful:


https://www.2carpros.com/articles/car-battery-dead-overnight

Let me know if this helps.

Take care,

Joe

See pics below. Note: I had to cut each pic in half to make them readable. I did overlap them so you can follow from one to the next.
Dec 1, 2022 at 8:44 PM
Avatar
IAMWHOIAM
  • MEMBER
  • 18 POSTS
Yes, it is an aftermarket trailer hitch hook up I am disconnecting the lights and switch this morning. I have removed every fuse that I can find, and the draw is still there and have pulled the security module, BCM, relays, rear seat motor wires it's almost as if there is a hot wire feeding the rear of the van that I am unaware of and might add beginning to wonder if it's not an ignition switch problem.
Dec 2, 2022 at 6:10 AM
Advertisement
Avatar
JACOBANDNICKOLAS
  • CERTIFIED EXPERT
  • 110,175 POSTS
Hi,

There could be a short, but anything after the fuse boxes should turn off when the fuse is removed.

By any chance, is the aftermarket trailer wiring power pre-fuse box?

Joe
Dec 2, 2022 at 9:03 PM
Avatar
IAMWHOIAM
  • MEMBER
  • 18 POSTS
It is hooked into the rear taillights, I pulled alternator tested is good battery supposedly tested bad plug different battery still have a draw can you tell me if there is anything that stays hot without a fused connection and I did disconnect the wire block on top of the steering column.
Dec 4, 2022 at 2:29 PM
Avatar
IAMWHOIAM
  • MEMBER
  • 18 POSTS
And I need to clear up the engine size it is a 4.3 V6 not a 4.6.
Dec 4, 2022 at 2:35 PM
Avatar
JACOBANDNICKOLAS
  • CERTIFIED EXPERT
  • 110,175 POSTS
Hi,

If you checked all fuses, under the hood and in the vehicle, the issue must be in one of the fuse panels.

Are you sure there are no lights being left on? If I recall, you disconnected the door switch and that made no difference, correct?

If that is the case, then I would suggest disconnecting the battery and removing the fuse box first to see if there is anything that appears to be a problem.

Let me know.

Joe
Dec 5, 2022 at 1:55 PM
Avatar
IAMWHOIAM
  • MEMBER
  • 18 POSTS
Yes, that is correct and when I first pulled all fuses there was no difference now is showing draw when I insert certain fuses 1 at a time, I will post my findings in a while still working on it just stepped in to warm up.
Dec 5, 2022 at 2:34 PM
Avatar
IAMWHOIAM
  • MEMBER
  • 18 POSTS
I am adding photos one is measurements I recorded from fuse box in the engine compartment all fuses removed and added one and removed them and went to next did notice at first. When I tried to leave each fuse in it would not show the same draw. So is why I added, and the removed wires marked 1 and 2 had no bearing. when I removed them will remove again if not raining tomorrow, tried to get the bottom cover off that box and failed didn't want to break it will try tomorrow weather permitting with different battery I do have a steady 1.12 draw with all fuses removed from the same fuse box.
Dec 5, 2022 at 8:06 PM
Avatar
IAMWHOIAM
  • MEMBER
  • 18 POSTS
How to tell it is the fuse block nothing appears to be burnt to me.
Dec 6, 2022 at 11:47 AM
Avatar
JACOBANDNICKOLAS
  • CERTIFIED EXPERT
  • 110,175 POSTS
Hi,

If there was an issue, most times the affected area will be dark gray or black indicating a short. In this case, I agree with you. The wiring actually looks really good.

Do this. remove the lamp in the glove box and see if it stops. I just read that there has been a big issue with the switch failing to turn that light off.

Also, and I'm sorry to ask, do I understand correctly that with all fuses removed, the draw still exists? If that is the case, then let's jump before any fuses are used, the starter and the alternator. See pic 1 below.

Disconnect the alternator to see if the draw stops. Note that the red wire on the alternator will have battery voltage at all times, so make sure to insulate it.

If there is no change, remove the heavy gauge black wire on the starter. The same thing is present there, power at all times. Make sure not to allow the wire to short.

Let me know.

Joe
Dec 6, 2022 at 3:45 PM
Avatar
IAMWHOIAM
  • MEMBER
  • 18 POSTS
Alternator didn't make a difference. I will check starter tomorrow. thank you
Dec 6, 2022 at 5:36 PM
Avatar
JACOBANDNICKOLAS
  • CERTIFIED EXPERT
  • 110,175 POSTS
Hi,

Sounds like a plan. If the starter doesn't make a difference, I'm going to get in touch with the site owner. He is excellent with this type of problem.

Take care and make sure to avoid shorting the terminal at the starter.

Joe
Dec 6, 2022 at 6:03 PM
Avatar
IAMWHOIAM
  • MEMBER
  • 18 POSTS
Sounds good. thanks
Dec 6, 2022 at 7:16 PM
Avatar
IAMWHOIAM
  • MEMBER
  • 18 POSTS
I did remove the starter yes, the draw disappeared. I am putting a new starter on.
Dec 9, 2022 at 6:32 AM
Avatar
IAMWHOIAM
  • MEMBER
  • 18 POSTS
This is what I found today when I connect the wire plug to alternator my draw appears when disconnected it is gone.
Dec 9, 2022 at 5:49 PM
Avatar
JACOBANDNICKOLAS
  • CERTIFIED EXPERT
  • 110,175 POSTS
Hi,

You found the source. Are there any damaged pins in the connector? If there isn't, the issue is most likely the alternator itself. We could have a faulty diode.

Let me know about the connector and closely inspect the wiring to and around that connector.

Let me know what you find.

Take care,

Joe
Dec 9, 2022 at 9:47 PM
Avatar
IAMWHOIAM
  • MEMBER
  • 18 POSTS
Can this possibly be the PCM reason for asking I unplugged it and the draw was .10 as soon as I plugged in the PCM it went back up I do have a PCM here that is swappable and if is possible that it could be the issue how do I get the metal clip to release so I can pull it out.
Dec 10, 2022 at 10:04 AM
Avatar
JACOBANDNICKOLAS
  • CERTIFIED EXPERT
  • 110,175 POSTS
Hi,

I'm not 100% sure what I am looking at in the picture. The tab I circled below appears to be what would be pressed away from the tab and then pull up on the metal strap.

Let me know.

Joe
Dec 10, 2022 at 5:36 PM
Avatar
IAMWHOIAM
  • MEMBER
  • 18 POSTS
I got the clip figured out it was what held the PCM in had to push down and squeeze together and the alternator was not the issue I still have the draw as soon as I hook the exciter wire. The plug is not damaged nor is the wire.
Dec 11, 2022 at 11:48 AM
Avatar
IAMWHOIAM
  • MEMBER
  • 18 POSTS
Also, I did take out the PCM and draw is still there but only shows when the brown exciter wire is hooked up.
Dec 11, 2022 at 4:37 PM
Avatar
JACOBANDNICKOLAS
  • CERTIFIED EXPERT
  • 110,175 POSTS
Hi,

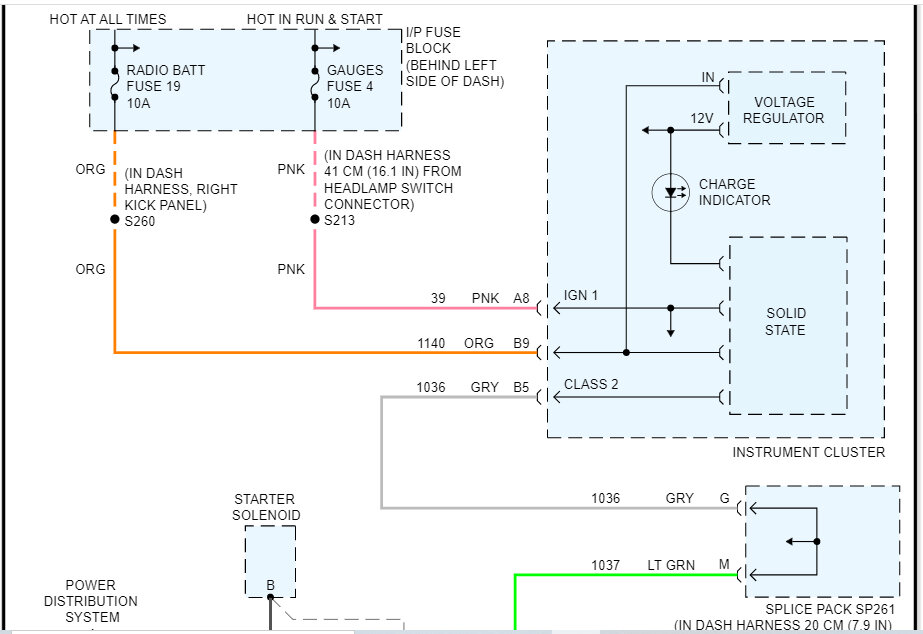
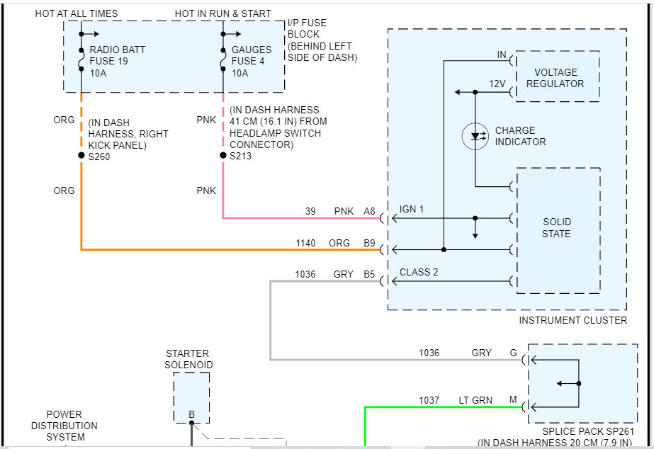
There is a splice pack under the dash between the data link connector and the relay box. You may want to consider checking the splice to see if there is anything causing the draw.

I attached the charging system schematic below.

Let me know.

Joe
Dec 11, 2022 at 6:40 PM
Avatar
IAMWHOIAM
  • MEMBER
  • 18 POSTS
This is what it is doing. Rough start for a few seconds and shuts off.
Dec 21, 2022 at 10:40 AM
Avatar
IAMWHOIAM
  • MEMBER
  • 18 POSTS
This is what it is doing. Rough start for a few seconds and dies
Dec 21, 2022 at 10:40 AM
Avatar
JACOBANDNICKOLAS
  • CERTIFIED EXPERT
  • 110,175 POSTS
Hi,

I watched the video and I do hear the click. It seems in time with the shift indicator light going on and off.

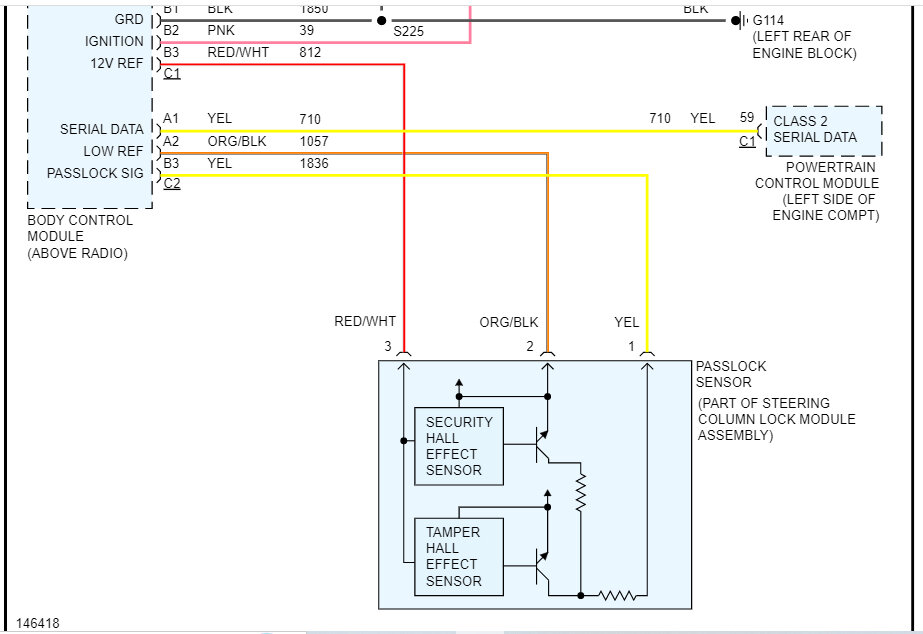
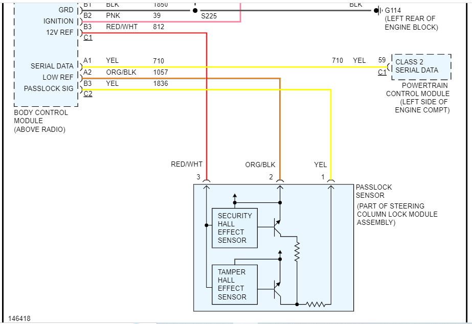
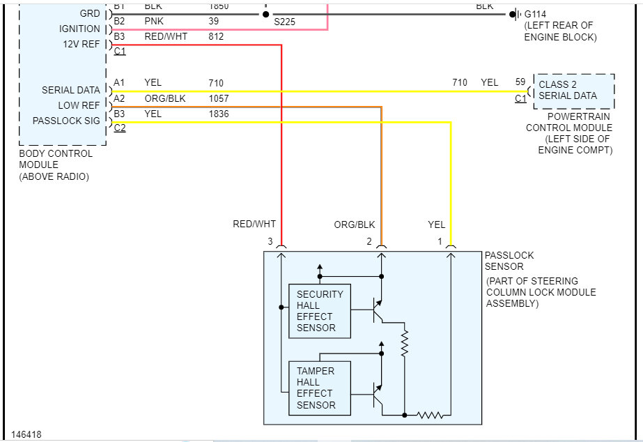
Based on that, I would think it is a relay or something similar to a relay/flasher, but looking at the schematic for the anti-theft, I don't see one. Take a look at pics 1 and 2 below.

Could it be the body control module you feel clicking?

Let me know.

Joe

See pics below.
Dec 21, 2022 at 7:59 PM
Avatar
IAMWHOIAM
  • MEMBER
  • 18 POSTS
It was the security module that was clicking. It is an Alpine security system; I am beginning to wonder if it's not the BCM again was replaced almost 2 years ago also what scanner could one get to relearn the PCM and crankshaft positioning sensor.
Dec 21, 2022 at 8:43 PM
Avatar
JACOBANDNICKOLAS
  • CERTIFIED EXPERT
  • 110,175 POSTS
Hi,

That is an aftermarket security system. Have you tried disconnecting it to see if the draw goes away? I have no idea where or how it was installed, but it can certainly create issues.

Let me know.

Joe
Dec 22, 2022 at 9:16 PM
Avatar
IAMWHOIAM
  • MEMBER
  • 18 POSTS
I did get issue resolved, was the security system. thanks
Jan 31, 2023 at 5:35 PM
Avatar
JACOBANDNICKOLAS
  • CERTIFIED EXPERT
  • 110,175 POSTS
Hi,

Thanks for the update. I'm glad to know the problem is resolved.

Feel free to come back anytime in the future. You are always welcome here.

Take care,

Joe
Jan 31, 2023 at 7:01 PM