Parasitic battery drain

2010 FORD FOCUS
93,000 MILES • 2.0L • 4 CYL • 2WD • AUTOMATIC
Avatar
FOCUS2010
  • MEMBER
  • 3 POSTS
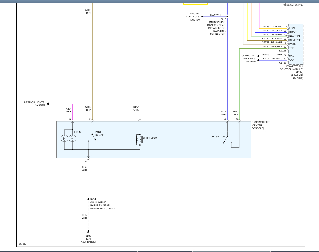
Battery drain caused by something on the circuit protected by fuse #5. Drain is 200 mill amps and drops to 10 when fuse is pulled. That circuit is called the Shift interlock and I have also pulled the power going to that solenoid and the brake pedal switch with no luck.
Anyone have any ideas were to look next?
Dec 27, 2019 at 7:20 PM
Advertisement
Avatar
SCGRANTURISMO
  • CERTIFIED EXPERT
  • 4,897 POSTS
Hello,

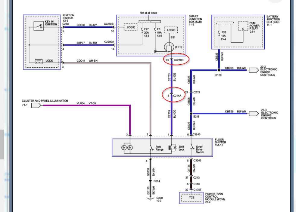
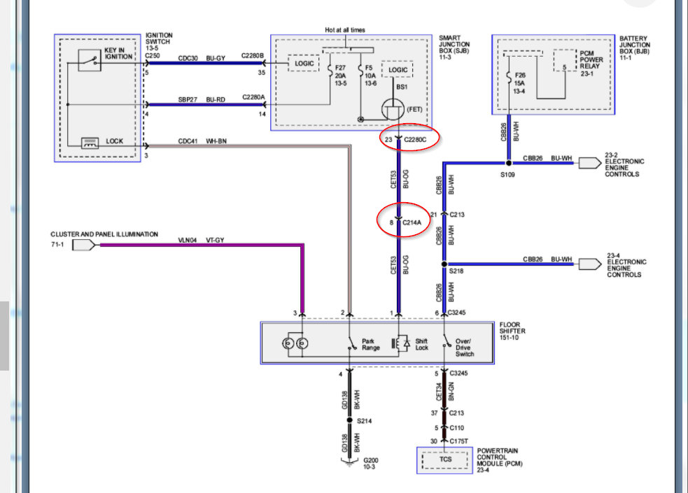
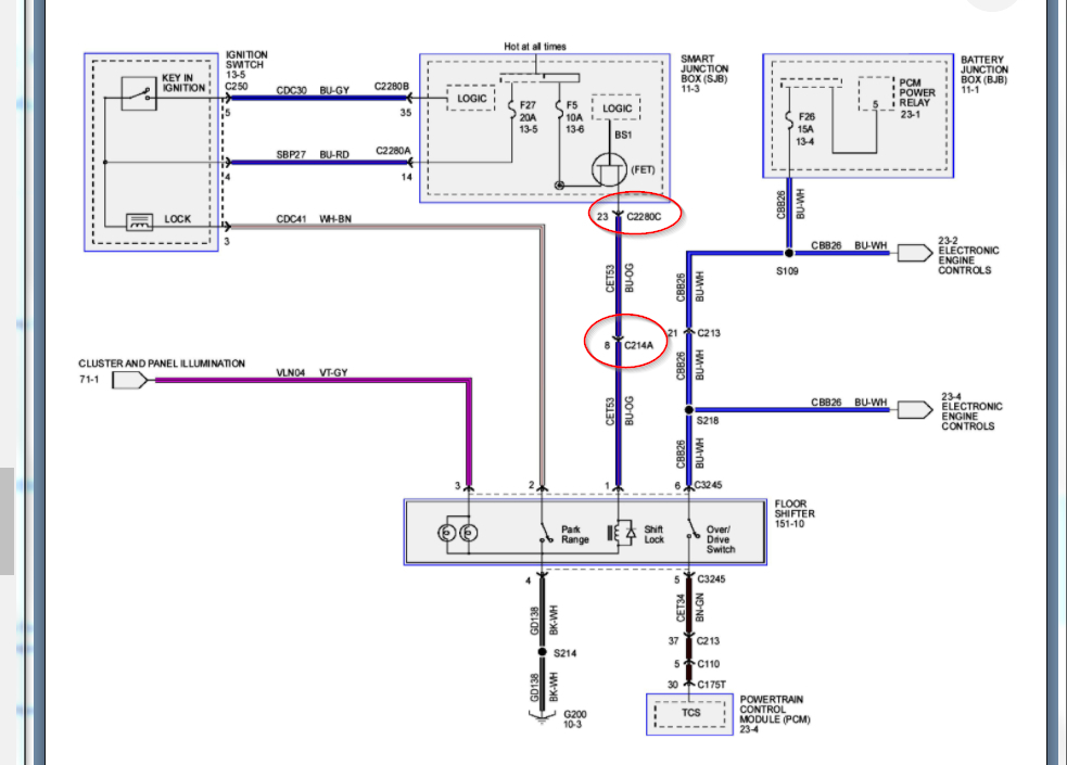
I would check the BSI FET [Field Effect Transistor] in the Smart Junction Box under the left side of the dash. I have included a wiring diagram of the shift interlock circuit in the diagrams down below.

Thanks,
Alex
2CarPros
Dec 28, 2019 at 12:12 AM
Avatar
FOCUS2010
  • MEMBER
  • 3 POSTS
Thanks Alex, I guess I am going to have to go to a dealership because the FET transistor in the SJB is inside and cannot be accessed to test it. If I obtain a replacement SJB I have to go to Ford anyway to have it flashed with my vehicle specs.
Dec 29, 2019 at 3:35 PM
Advertisement
Avatar
STRAILER
  • CERTIFIED EXPERT
  • 53,855 POSTS
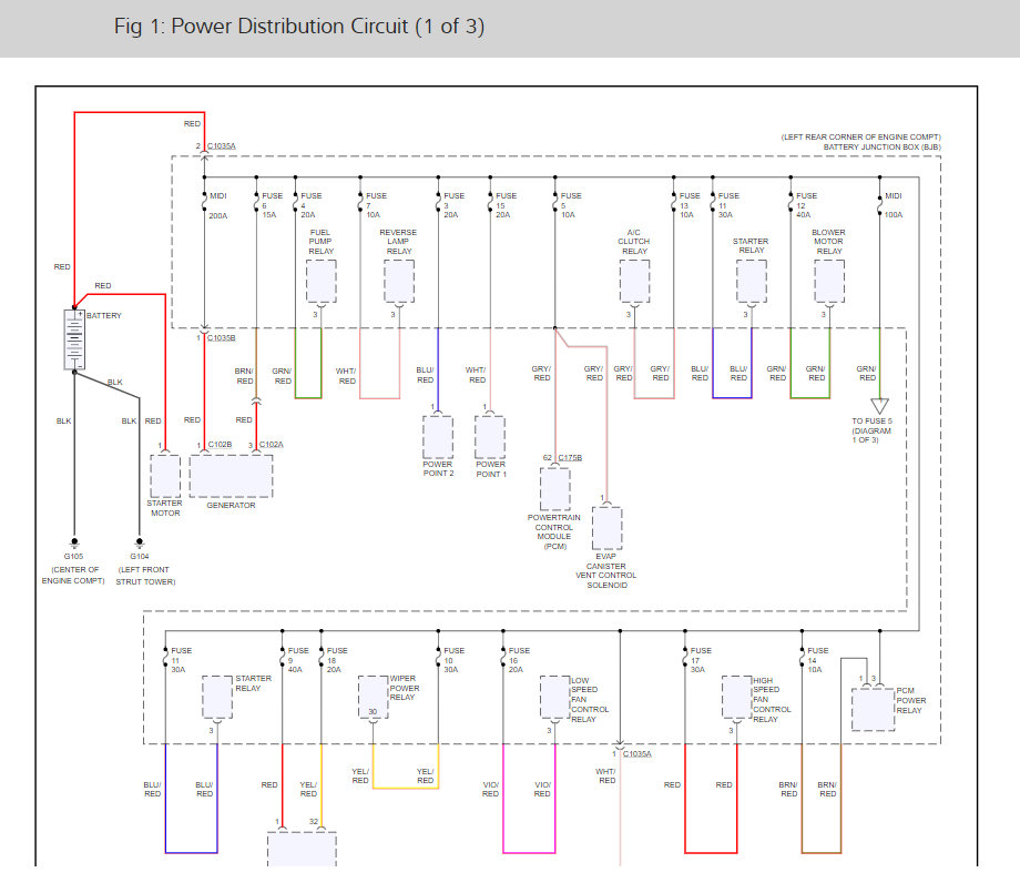
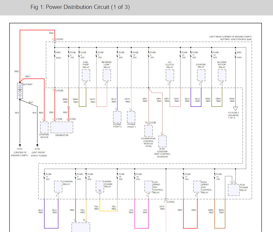
If I can jump in here fuse #5 powers the PCM and the evap purge solenoid. I would unplug the solenoid first to see if the draw stops. Here is a guide to help and the fuse wiring diagrams below so you can see. It could be the PCM is not going to sleep. I simpe CAN scan should tell us more. You can get a scanner from Amazon for about $50.00 no subscription needed.

https://youtu.be/InIlnsjOVFA

and

https://www.2carpros.com/articles/car-battery-dead-overnight

Check out the diagrams (below). Please let us know what you find. We are interested to see what it is.

Jan 1, 2020 at 12:56 PM
Avatar
2008FOCUSDAN
  • MEMBER
  • 2 POSTS
Identical problem here on my 2008 Focus. Drained battery after sitting overnight. Measured 212 mA draw with everything off. Pulled fuse #5 from the passenger compartment (Shift Interlock) and current draw dropped to 12 mA. Reinstalled fuse #5 and current draw back to 212 mA. So seeing a 200 mA draw on the Shift Interlock circuit. FOCUS2010, did you ever get it fixed?
Furthermore, my vehicle is a Manual transmission so I'm not even sure what role the shift interlock plays. Is it utilized in a vehicle with manual transmission?
Oct 24, 2020 at 2:25 PM
Avatar
ASEMASTER6371
  • CERTIFIED EXPERT
  • 52,796 POSTS
Good afternoon,

I attached the wiring diagram for you of fuse 5. It controls the purge valve and the PCM.

I would disconnect the purge valve first and see if the drain drops. 50 to 75 milliamps is a normal draw.

https://www.2carpros.com/articles/car-battery-dead-overnight

I attached the location of the purge valve for you.

Roy
Oct 27, 2020 at 2:38 PM
Avatar
KASEKENNY
  • CERTIFIED EXPERT
  • 18,907 POSTS
Hopefully they will get back to you but in the mean time lets try this:

So you are removing the fuse from the smart junction block under the dash and not the one under the hood? If this is the case, you are correct that this vehicle would not have a shift interlock. However, if you look at the wiring diagram this fuse actually feeds the FET and the logic board for the SJB before the interlock. Also, there are two connectors that could have water intrusion in them. We need to go to connector C214A and disconnect it and I bet the draw does not change. If it does not then the SJB is the issue.

Let me know what questions you have.
Oct 27, 2020 at 2:54 PM
Avatar
2008FOCUSDAN
  • MEMBER
  • 2 POSTS
Roy, thanks for the reply. However, I believe your instructions would apply for fuse #5 under the hood, correct? I'm dealing with fuse #5 under the dash.

KaseKenny1, thanks for the info. I likely won't get to dig in again until this weekend. Will post the results.
Oct 28, 2020 at 8:08 PM
Avatar
ASEMASTER6371
  • CERTIFIED EXPERT
  • 52,796 POSTS
You are welcome.

Roy
Oct 29, 2020 at 2:11 AM