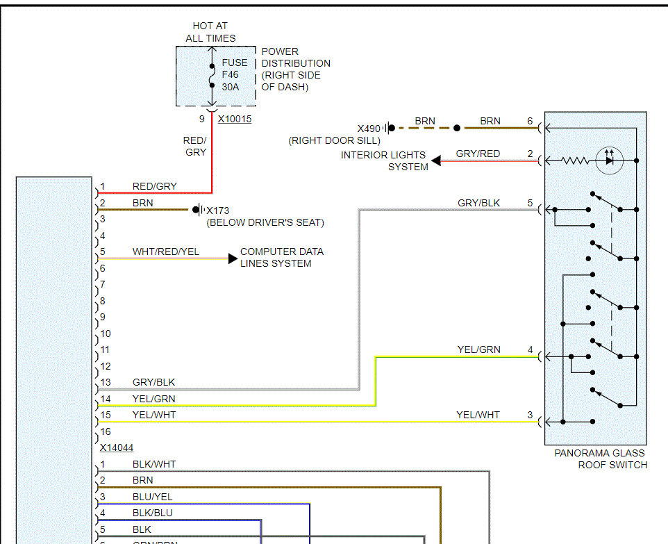
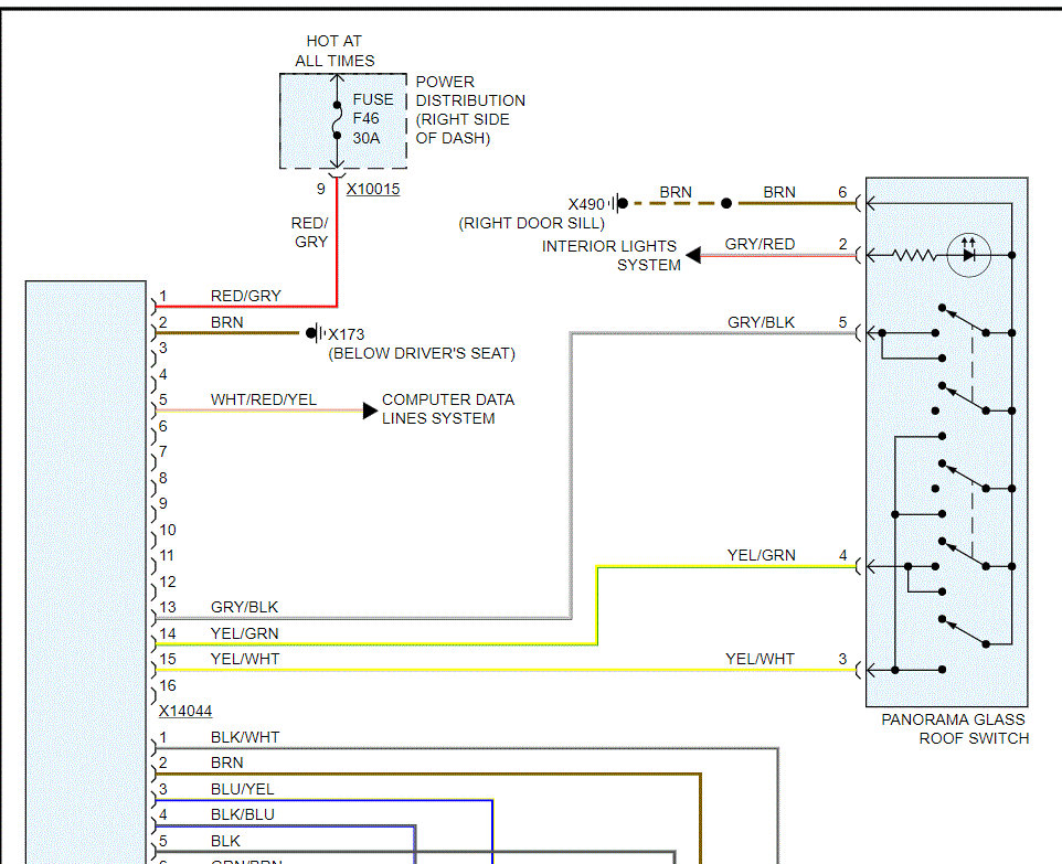
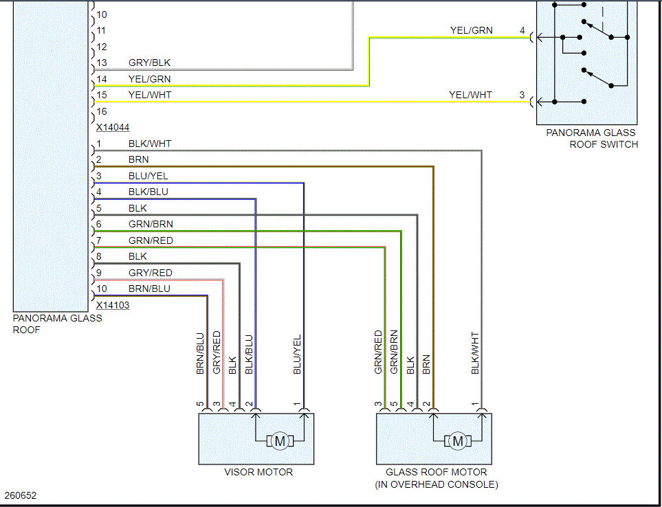
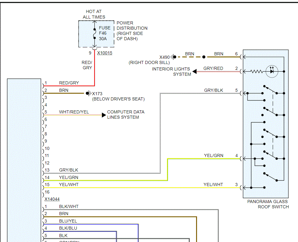
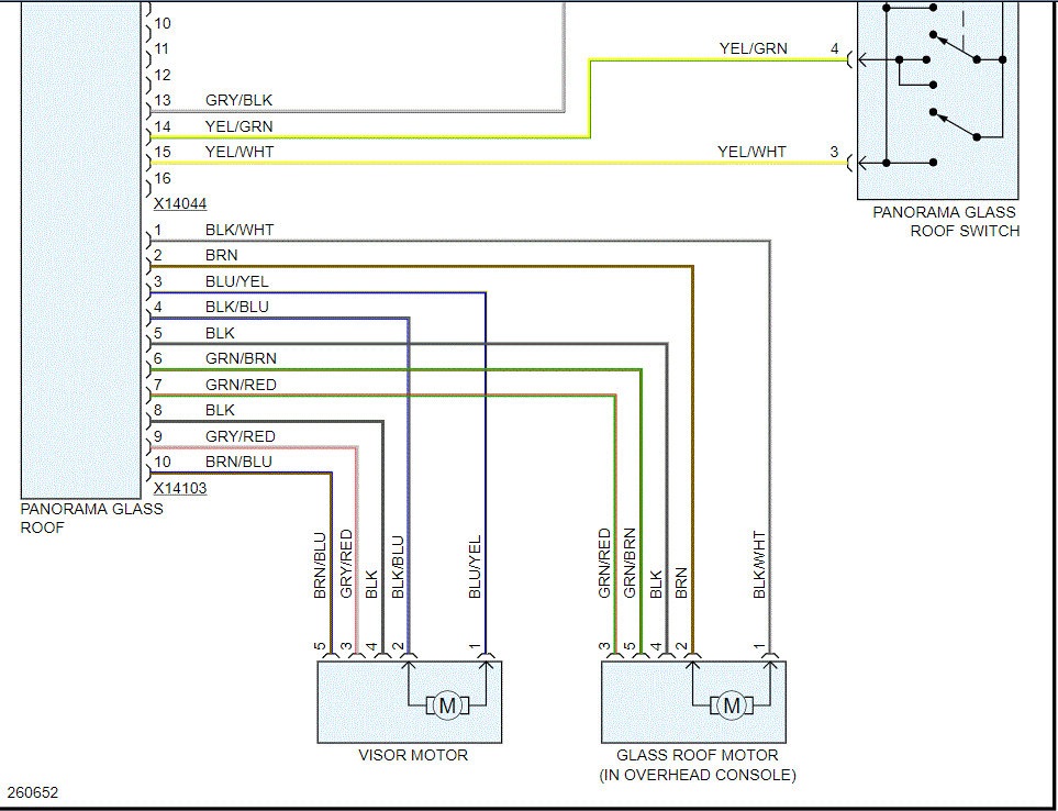
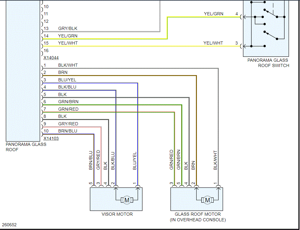
I just bought this car used. everything is perfect but the sunroof won’t open or do anything. I don’t know if I need a new motor inside of the panel or maybe something wrong with the fuse or I would I need new tracks for the them?
Mar 7, 2020 at 10:22 PM


