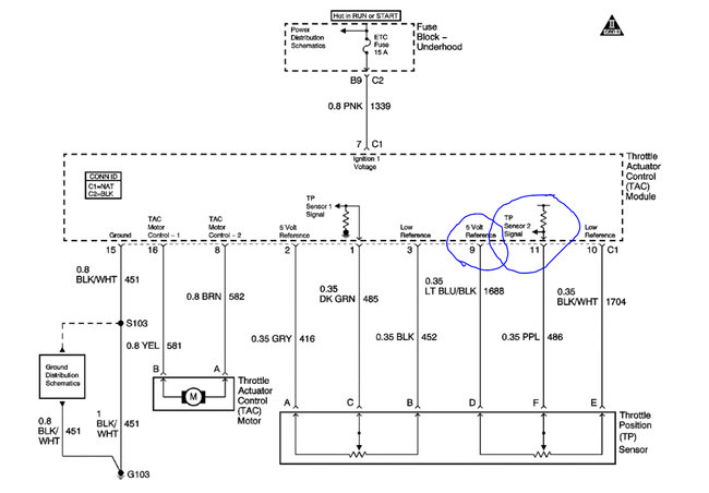
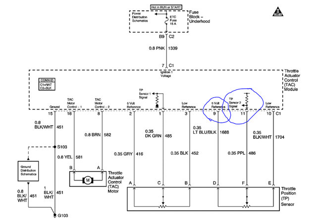
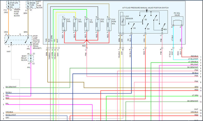
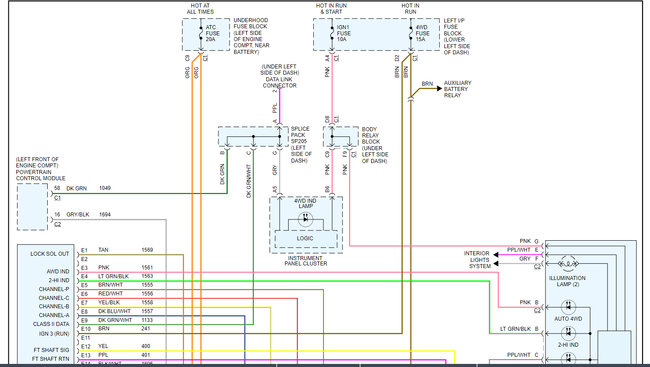
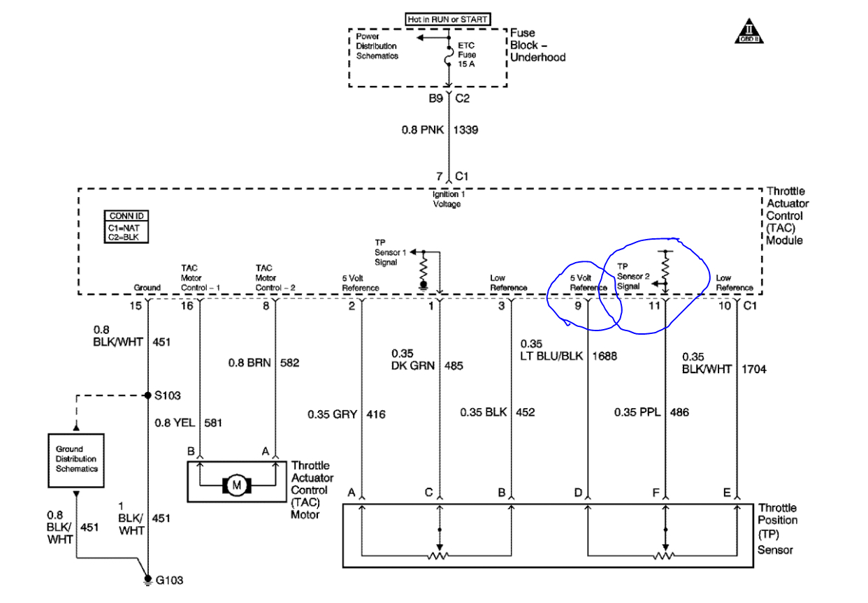
P1639 reading 5 volts at throttle position sensor with truck switched on and about 7.5 to 11.4 with truck running. Trying to find out if I have a short going to ground or a bad PCM.
Apr 25, 2021 at 11:11 PM























