p1610 immobilizer system malfunction

2001 MITSUBISHI GALANT
125,000 MILES
Avatar
BRITESIDE
  • MEMBER
  • 1 POST
car came in, died while driving. no voltage to most sensors and no communication with scanner. after changing pcm and reprogram from locksmith, have power to all sensors, good spark no fuel injector pulse and p1610 code keeps coming back. every time you turn the key on. also have no rpm signal from crank sensor. have checked all wiring from pcm to inj. and crank sensor. replaced cks and differt pcm, same problem any suggestions??
May 16, 2013 at 9:02 PM
Advertisement
Avatar
STRAILER
  • CERTIFIED EXPERT
  • 53,854 POSTS
Hello,

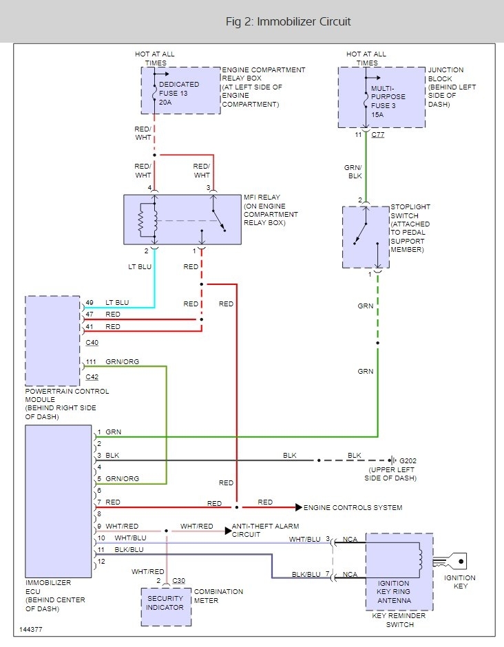
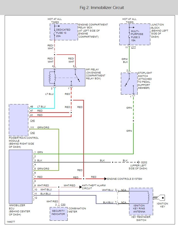
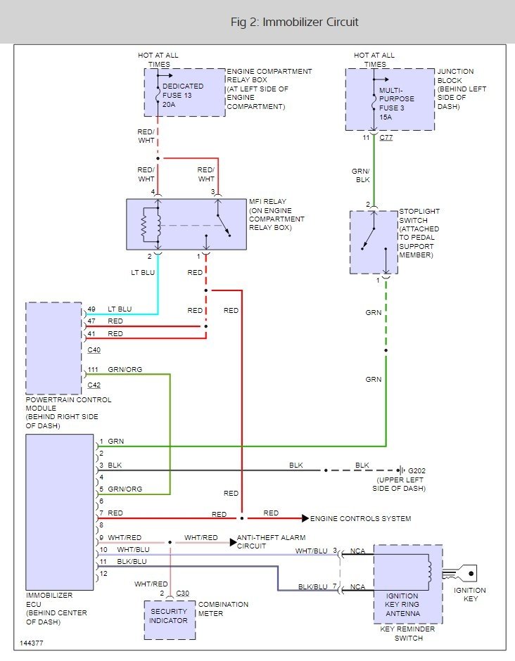
It sounds like the immobilizer ECU has gone out but to be sure lets run some power and ground tests. Here are some guides and diagrams (below) to help you confirm the problem.

https://www.2carpros.com/articles/how-to-use-a-test-light-circuit-tester

and

https://www.2carpros.com/articles/how-to-check-wiring

Please let us know what happens, we are interested to see what it is.
Jul 18, 2017 at 12:14 PM
Avatar
BEARHOUNDOG
  • MEMBER
  • 0 POST
I had fuse #13 go out on me.
Jan 27, 2020 at 12:22 PM
Advertisement