Code P1460, wide open throttle A/C cutoff relay circuit

2001 LINCOLN TOWN CAR
195,000 MILES • 4.6L • V8 • 2WD • AUTOMATIC
Avatar
JOHN PRINZ
  • MEMBER
  • 1 POST
The car's cooling fan would not come on, so jumped my low-pressure side and car ran. I don't know the level of Ref. Why is it giving me this code? Why is the cooling fan not working or the A/C? Am I low of Ref? Thank you.
May 24, 2022 at 9:53 PM
Advertisement
Avatar
AL514
  • CERTIFIED EXPERT
  • 5,465 POSTS
Hello, this code is set when the engine computer (ECM) detects excessive current flow or voltage is not detected when it grounds this circuit. It's most likely caused by your jumping the pressure switch. If the a/c system is low on Freon, you need to get the system checked for leaks. Jumping circuits is never a good idea unless you know exactly what you are doing. The ECM monitors many circuits via a side circuit inside the ECM, one that is protected internally. If your compressor was not coming on, there has been a failure in the system, and it needs to have whatever Freon is left in there taken out and the leak needs to be found. There are 2 Relays that control the Fan and there are also 2 Pressure switches that are part of the A/C system. So, take the jumper out of the pressure switch because you're going to damage the compressor running it like that.

That may be keeping the fan from coming on when it's supposed to for engine cooling. The ECM controls the fan for engine cooling and A/C. So having that switch jumped out is setting a code for one, that might be shutting down certain circuits to protect them., Take the jumper out and see if the cooling fan will come on during normal operation. You don't want your car to overheat. You obviously have a refrigerant leak, so that's a separate problem.
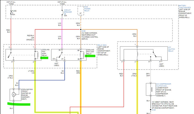
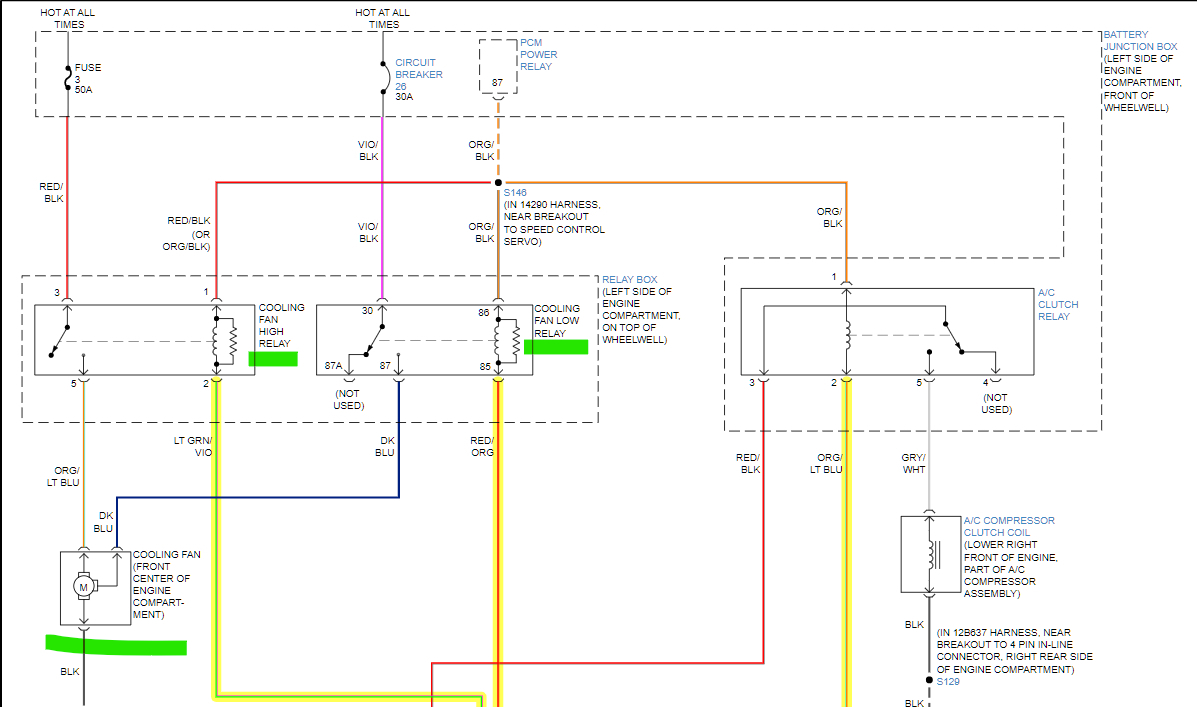
To check the cooling fan, in the first diagram you can see it has two power wires running to it (orange with a light blue stripe) and (dark blue) wires. Then it has a (black) ground wire that runs to the passenger side front fender. The fan can be powered up on either of those two power wires to check its operation and make sure the fan hasn't failed. But I would suggest taking care of the air conditioning issue first so there are no jumper pins over the pressure switches. It's most likely affecting the control circuits. If it still doesn't come on after the A/C is repaired and refilled. Then the relays need to be checked and also that black ground wire.



https://www.2carpros.com/articles/how-a-car-air-conditioner-works

https://www.2carpros.com/articles/how-to-check-an-electrical-relay-and-wiring-control-circuit

https://www.2carpros.com/articles/how-to-use-a-voltmeter
May 25, 2022 at 11:09 AM
Avatar
JOHN PRINZ
  • MEMBER
  • 1 POST
Hi, I just checked the fan relay for ground on 85, no ground. Also on 2, no ground. same with AC relay no ground. What causes this?
May 27, 2022 at 3:19 PM
Advertisement
Avatar
AL514
  • CERTIFIED EXPERT
  • 5,465 POSTS
The ECM is not going to turn on the A/C Relay if the Freon in the system is too low. As for the fan relays, did you have the vehicle up to operating temperature? Conditions where the ECM would need to turn on the cooling fan circuit. If the thermostat allows the engine temperature to remain within a range that it doesn't need the cooling fan, it will stay off.
I don't see a temperature gauge in the wiring diagrams, do you have a display for engine temperature?
If the vehicle is getting up to temperature to where it needs the cooling fan and it's not coming on (it would turn on the low-speed fan relay first) then there might be an issue with the cooling temperature sensor (in this case your vehicle has a cylinder head temperature sensor). The thermostat might be stuck open not allowing the vehicle to get to operating temperatures. There could be an issue with the engine computer.
Below is the chart to check the resistance of the Cylinder Head Temperature sensor (CHT). You'll notice as the temperature goes up the resistance of the sensor goes down.
In the sixth diagram it explains that if the sensor indicates an overheating condition, the engine computer goes into Limp Mode and the fans will stay on, the speed will be restricted in Limp Mode. You would notice if that were the case.
The engine computer controls the two ground circuits you checked. I'm assuming you want to get your air conditioning working. So, I would have that fixed so you have a/c, then the fan will definitely come on with the a/c working correctly. It will most likely take care of that code as well.
If the fans don't come on after getting the A/C repaired, then further testing will be needed to find out why they are not working.
The last diagram is the engine computer ground, you can inspect that to make sure it's not corroded, and the connection is good. It's on the driver's side front fender, a black/white wire.
May 27, 2022 at 6:35 PM