Code P1389 No ASD relay output voltage at PCM?

2001 DODGE TRUCK
74,578 MILES • 5.9L • V8 • 4WD • AUTOMATIC
Avatar
JADENHOOPER
  • MEMBER
  • 4 POSTS
The truck is a 5.9L Magnum.

I was driving the truck and then the check engine light came on. Shut it off then it wouldn’t restart. I checked the fuse (it was good) and swapped the ASD relay with the wiper relay (both relays clicked when put in). It has both powers at the relay and has continuity on both power and ground side from the fuse box to the PCM (showed .3 ohms for both sides). Voltage is at 11.6v. It seems like the PCM has everything it needs but is still flagging a code and not letting it start. Could there be something I'm missing before replacing my PCM?
Nov 2, 2022 at 2:56 AM
Advertisement
Avatar
JACOBANDNICKOLAS
  • CERTIFIED EXPERT
  • 110,175 POSTS
Hi,

The code indicates there is no power to the PCM from the ASD. It sounds like you have already done a thorough inspection. However, I attached the diagnostics below. See if you have completed everything.

Additionally, if you have voltage to the PCM from the ASD, check the connector pins for damage or corrosion. If there is none, chances are the PCM has failed.

Let me know what you find.

Take care,

Joe

See pics below.
Nov 2, 2022 at 2:42 PM
Avatar
JADENHOOPER
  • MEMBER
  • 4 POSTS
I have already done all the above and still no start. Pins for connector at PCM look clean and not expanded.
Nov 2, 2022 at 2:47 PM
Advertisement
Avatar
STRAILER
  • CERTIFIED EXPERT
  • 53,855 POSTS
I would start by checking fuse #6 and Fuse "K" for power in the fuse panel under the hood. Even though the fuse is good there may be no power which feeds the ASD.

Here is a guide to help:

https://www.2carpros.com/articles/how-to-check-a-car-fuse

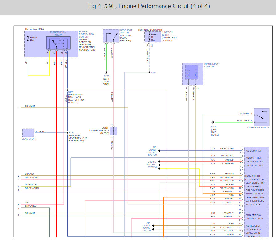
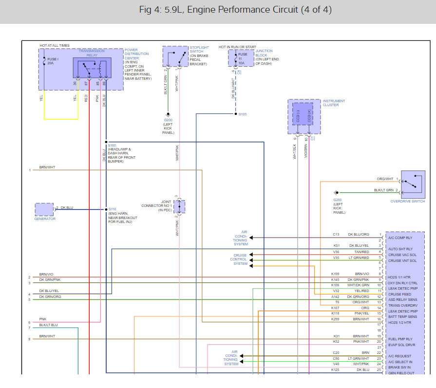
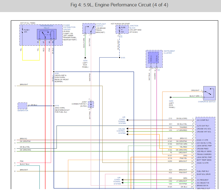
I have included the engine wiring diagrams as well so you can see how the system works

This post may help you as well. I have also included how to change the PCM out in case you need it.

https://www.2carpros.com/questions/i-have-a-question-about-a-code-i-got-from-a-code

Check out the images (below). Please let us know what you find. We are interested to see what it is.

Nov 2, 2022 at 2:49 PM
Avatar
JADENHOOPER
  • MEMBER
  • 4 POSTS
After many weeks of waiting, I finally received a refurbished PCM. Plug it in and it fires up! Great! Until I notice I have a new code that was not there prior (P1495 Leak Detection Pump Solenoid Circuit) and my Overdrive Off light is stuck on. So that’s not good. Extra not good after trying to start it for a second time after only running it for about 2 minutes it would only crank. So, I went back to the junkyard and just took a PCM out of a random truck I found (it was not for the same year, I only got it for testing purposes). Plug in the junkyard PCM just for yucks and then it fires up every time and runs great. No gauges work on the dash and shows “no bus” but that was to be expected. It runs perfectly fine though. Confused as I was, I plugged in the refurbished PCM that I got and only cranked once more. Take off the plugs at the PCM and see that pin 12 (data line for ASD relay) has been burnt and melted only with the refurbished PCM installed. So now obviously that must be fixed but could the PCM have caused that? Because I checked over the wiring prior and to my knowledge no wires are shorted or have excessive resistance. (The refurbished PCM was supposed to come already programmed to my VIN, so it said.)
Nov 23, 2022 at 1:45 AM
Avatar
JACOBANDNICKOLAS
  • CERTIFIED EXPERT
  • 110,175 POSTS
Hi,

I would contact the place that provided the refurbished PCM. If I had to guess, I would say there was an internal short within the PCM that caused the wiring to overheat.

Considering there was no issue with the used one, that is the most likely cause.

Let me know your thoughts. Also, if I don't hear from you, have a great Thanksgiving.

Take care,

Joe
Nov 23, 2022 at 7:09 PM
Avatar
JADENHOOPER
  • MEMBER
  • 4 POSTS
Place that I got the PCM from has been contacted and it’s going to be shipped back, inspected and a new one will be shipped to me. Last night I threw the junkyard PCM on and it still ran so definitely was a problem with the refurbished PCM. Now we just have to hurry up and wait for parts!

Happy thanksgiving!
Nov 24, 2022 at 2:13 AM
Avatar
JACOBANDNICKOLAS
  • CERTIFIED EXPERT
  • 110,175 POSTS
Hi,

That is what it sounds like to me as well. If you have a chance, let me know how things turn out for you. I'm interested in knowing. And certainly, hurry up so you can wait. I think that is the story of my life. LOL

Take care,

Joe
Nov 24, 2022 at 6:54 PM